

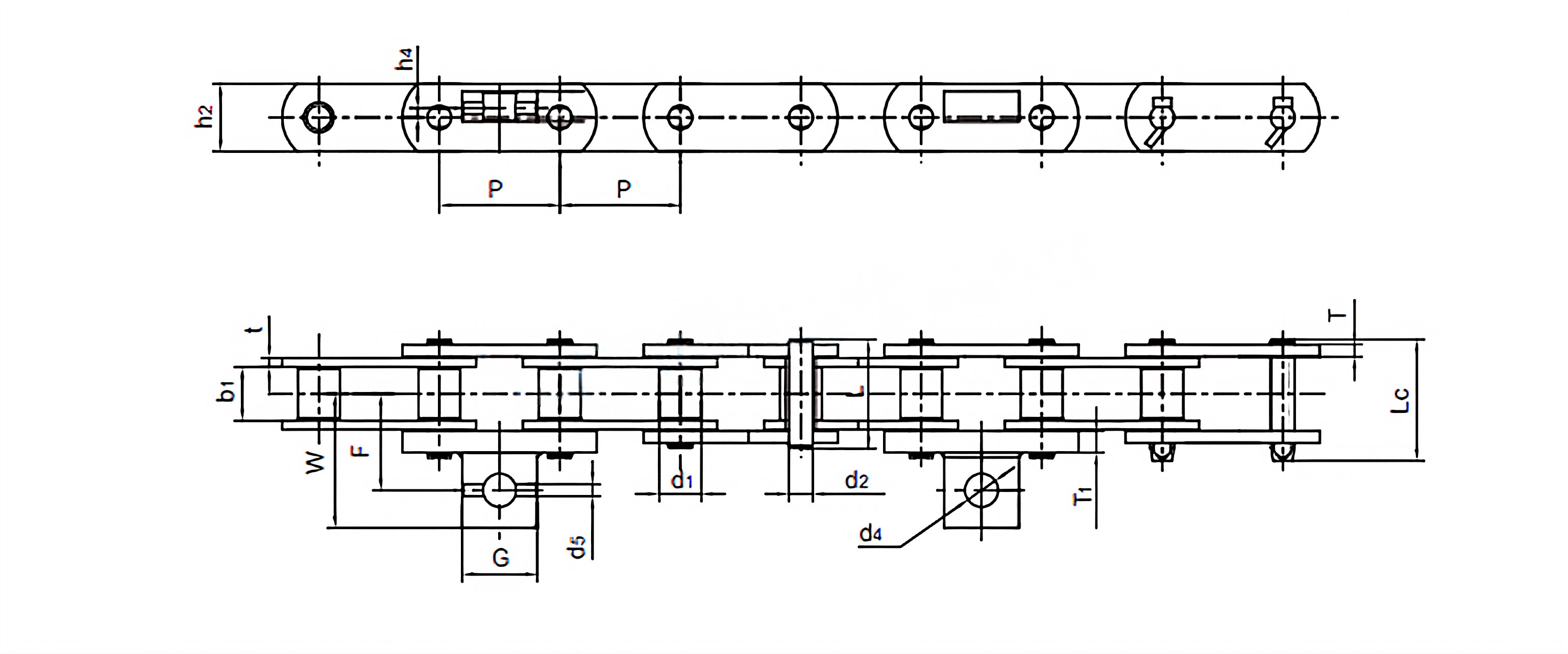
| Chain No. | PitchP | Rollerdiameter | Widthbetweeninner plates | Pindiameter | Pinlength | Platedepth | Platethickness | Tensilestrength | Weightpermeter | |
| d1max | b1min | d2max | Lmax | Lcmax | h2max | t/Tmax | Qmin | q | ||
| mm | mm | mm | mm | mm | mm | mm | mm | kN/lbf | kg/m | |
| P80F62 | 80.00 | 27.95 | 33.8 | 15.87 | 68.4 | 75.8 | 45.00 | 6.0/8.1 | 190.0/42712 | 10.60 |
| Chain No. | F | W | G | h4 | d4 | ds | T1 |
| mm | mm | mm | mm | mm | mm | mm | |
| P80F62 | 56.50 | 81.5 | 50.0 | 6.5 | 22.0 | 8.6 | 8.00 |

Raydafon is a leading company in the chain and transmission industry, offering chain products of world-class quality at competitive prices. For the past 20 years, we have been serving major OEMs in India, Singapore, and beyond.Our approach to manufacturing involves high-speed automated machines for pre-manufacturing all chain components. The parts are then assembled on automated assembly lines, eliminating human errors to a great extent. After assembly, the chains are prestressed up to 1/3 of their breaking load to avoid initial startup elongation.We are equipped with fully automatic MBF (mesh bed furnace), SQF (sealed quenching furnace), and other advanced heat treatment equipment which ensure the quality control and good results of the heat treatment of chain parts. This results in chains with a higher working load capacity, as the plates and rollers are heat treated to reduce fatigue stress and increase tensile strength.All our chains are lubricated/greased at the factory to increase chain wear life. They undergo comprehensive and systematic testing channels to ensure high-quality products that meet global standards for high reliability.Our?engineering chain?includes?conveying chain for cement industry,?scraper conveyor chain,?stacker reclaimer chain, bottle washer conveyor chains, etc. We also provide alloy steel sprocket that offers higher driving efficiency and longer maintenance-free driving experience. Our drive systems are all set up and ready to meet your needs. Trust Raydafon for all your chain and transmission needs.Address
Luotuo Industrial Area, Zhenhai District, Ningbo City, China
Tel
