Sharp Top Roller Chain for Forestry and Timber Transportation
Sharp top chains are made of top-grade materials to provide the greater hardness necessary to resist corrosion and oxidation while maintaining strength at high temperatures. Solid center plates reduce failure due to sawdust and chip packing. We also offer precision ground flat bottom chains that reduce wear and damage to your chain bed and distribute loads evenly.Our sharp top roller chains are one of the many products that we are confident will not disappoint, and they have become one of the widest-used chains in forestry and lumber applications. It utilizes a uniquely engineered design that allows the chain to physically grip onto the lumber or product to pull it along as a conveyor. Because of the application types that sharp top chains are used in, our chains have been manufactured to the utmost premium stands while remaining competitively priced without corner cutting.
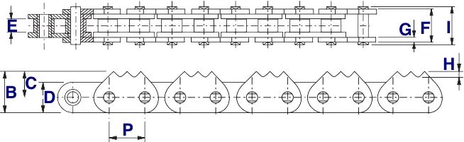
| Chain Size | (P) | (B) | (C) | (D) | (E) | (F) | (G) | (H) | (I) |
|---|---|---|---|---|---|---|---|---|---|
| 60-1 | 0.750" | 0.850" | 0.512" | 0.689" | 0.500" | 0.878" | 0.094" | 0.094" | 1.000" |
| 80-1 | 1.000" | 1.140" | 0.685" | 0.914" | 0.622" | 1.130" | 0.125" | 0.125" | 1.275" |
| 100-1 | 1.250" | 1.325" | 0.750" | 1.142" | 0.711" | 1.374" | 0.156" | 0.125" | 1.544" |
| 120-1 | 1.500" | 1.594" | 0.909" | 1.370" | 1.000" | 1.750" | 0.187" | 0.125" | 1.942" |

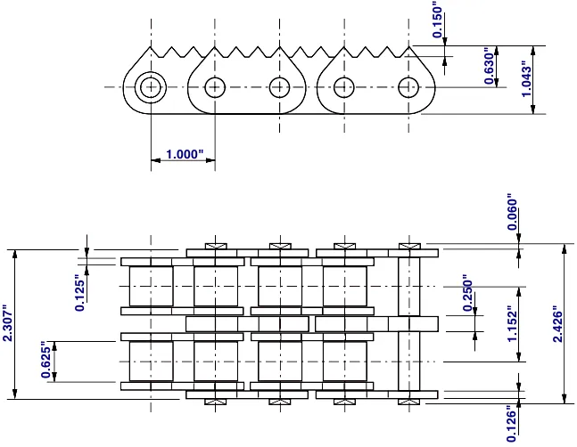
| Chain Size | (P) | (B) | (C) | (D) | (E) | (F) | (G) | (H) | (I) | (J) | (K) | (L) |
|---|---|---|---|---|---|---|---|---|---|---|---|---|
| 60-2 | 0.750" | 0.854" | 0.510" | 0.685" | 0.500" | 1.774" | 0.094" | 0.094" | 1.900" | 0.898" | 0.500" | -- |
| 80-2 | 1.000" | 1.140" | 0.685" | 0.914" | 0.625" | 2.310" | 0.125" | 0.125" | 2.420" | 1.153" | 0.630" | 0.249" |
| 80H-2 | 1.000" | 1.152" | 0.685" | 0.934" | 0.625" | 2.431" | 0.156" | 0.126" | -- | 1.153" | -- | 0.312" |
| 100-2 | 1.250" | 1.325" | 0.715" | 1.147" | 0.750" | 2.805" | 0.156" | 0.125" | 2.953" | 1.409" | 0.772" | 0.310" |
| 120-2 | 1.500" | 1.594" | 0.909" | 1.370" | 1.000" | 3.300" | 0.187" | 0.125" | 3.729" | 1.787" | 0.970" | 0.410" |

| Chain Size | (P) | (B) | (C) | (D) | (E) | (F) | (G) | (H) | (I) | (J) | (K) | (L) |
|---|---|---|---|---|---|---|---|---|---|---|---|---|
| 60-3 | 0.750" | -- | 0.500" | 0.685" | 0.500" | -- | 0.094" | -- | 2.792" | 0.897" | -- | 0.181" |
| 80-3 | 1.000" | 1.140" | 0.685" | 0.914" | 0.625" | 3.460" | 0.125" | 0.126" | 3.580" | 1.153" | 0.650" | 0.250" |
| 100-3 | 1.250" | 1.325" | 0.754" | 1.147" | 0.750" | 4.200" | 0.156" | 0.126" | 4.362" | 1.409" | 0.772" | 0.310" |

| Chain Size | (P) | (B) | (C) | (D) | (E) | (F) | (G) | (H) | (I) | (J) | (K) | (L) |
|---|---|---|---|---|---|---|---|---|---|---|---|---|
| 80-4 | 1.000" | 1.140" | 0.685" | 0.914" | 0.625" | 4.614" | 0.125" | 0.126" | 4.740" | 1.153" | 0.645" | 0.250" |
| 120-4 | 1.500" | 1.594" | 0.909" | 1.370" | 1.000" | 7.150" | 0.187" | 0.125" | 7.303" | 1.787" | 0.970" | 0.410" |


| Chain Size | (P) | (B) | (D) | (E) | (F) | (I) | (J) | (K) |
|---|---|---|---|---|---|---|---|---|
| 16B-1 | 25.40mm | 26.50mm | 21.10mm | 17.00mm | 33.50mm | 38.89mm | -- | 17.00mm |
| 16B-2 | 25.40mm | 26.50mm | 21.10mm | 17.00mm | 67.99mm | 73.41mm | 31.88mm | 17.00mm |
| 16B-3 | 25.40mm | 26.50mm | 21.10mm | 17.00mm | 99.89mm | 105.30mm | 31.88mm | 17.00mm |
| 20B-1 | 31.80mm | 32.80mm | 26.42mm | 19.60mm | 43.21mm | 49.30mm | -- | |
| 20B-2 | 31.80mm | 32.80mm | 26.42mm | 19.60mm | 79.71mm | 85.00mm | 36.45mm | 19.60mm |
| 20B-3 | 31.80mm | 32.80mm | 26.42mm | 19.60mm | 116.10mm | 122.20mm | 36.45mm | 19.60mm |
| 24B-1 | 38.10mm | 38.50mm | 33.40mm | 25.40mm | 53.39mm | 59.90mm | -- | 25.40mm |
| 24B-2 | 38.10mm | 38.50mm | 33.40mm | 25.40mm | 101.80mm | 108.40mm | 48.360 | 25.40mm |
| 24B-3 | 38.10mm | 38.50mm | 33.40mm | 25.40mm | 150.20mm | 156.80mm | 48.360 | 25.40mm |
| 32B-1 | 50.80mm | -- | 48.26mm | 30.99mm | 75.40mm | 64.70mm | -- | 38.10mm |
| 32B-2 | 50.80mm | -- | 48.26mm | 30.99mm | 133.90mm | 126.00mm | 58.550 | 38.10mm |
There are six types of sharp top chains: one, two, three, four, five, and six stand variations. More commonly, they max out at four, but our technical staff is on hand to create custom chains per your needs. Each of these chains is designed to have a precise tooth sharpness that has the least possible penetration while maintaining a solid grip on materials.
The more stands of a sharp top chain, the more complexity it requires for it to be durable while remaining efficient. Each of our chains is designed to have a solid center plate to prevent them from snapping midway usage, as sawdust and chip compaction presents considerable obstacles to their efficiency. Our Quest (TM) technology provides added durability that will provide you with years of problem-free usage, however, you might decide to use them.
We also can include an optional machined smooth bottom that will reduce the overall damage to the chain beds. One other optional process we offer is called ProCoat (TM), which provides unrivaled resistance to corrosion for use in challenging environments of all kinds. All sharp top chains are available in ?”, 1?”, 1? “, and 2” pitch sizes.
![]() | ![]() |
Custom builds require more attention and technique than standard derivatives, and we are dedicated to building your custom solutions for your sharp top chain needs. Here are other features that can be built in on demand.
This type of sharp top chain is widely used in the wood industry, such as wood feeding and output, chipping, conveying, etc......… processes. High-quality sharp top chains directly correspond with the production efficiency of wood processing plants.
![]() | ![]() |
We specialize in chains made to customers’ drawings and specifications. Our advantage is reliable quality, competitive price, prompt delivery, and good service. Standard products include various transmission and conveyor chains, like roller chains, double pitch conveyor chains, hollow pin chains, leaf chains, flat top chains, side bow chains, lumber chains, agriculture chains, silent chains, PIV chains, stainless steel chains, nickel/ zinc plated chain, slient chain, engineering chain, steel pintle chain, welded steel chain, forged chain, malleable iron chain, and many other types. Different kinds of attachments are available.
Address
Luotuo Industrial Area, Zhenhai District, Ningbo City, China
Tel
