
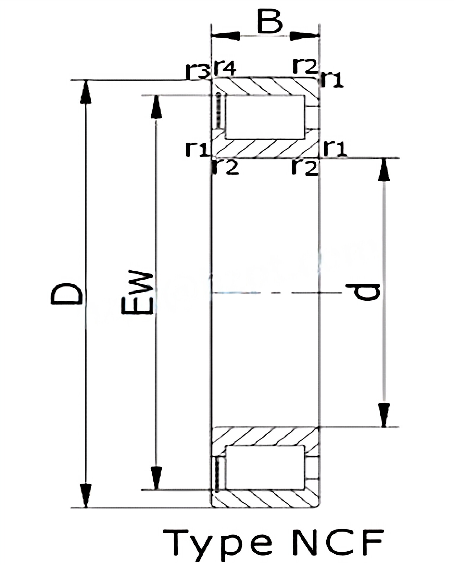
| Boundary dimensions(mm) | Mass(kg) | Bearing NO. | Interchangeable NO. | ||
| d | D | B | Raydafon | ||
| 20 | 42 | 16 | 0.11 | SL18 3004 | NCF 3004 CV |
| 20 | 47 | 18 | 0.16 | SL18 2204 | - |
| 25 | 47 | 16 | 0.12 | SL18 3005 | NCF 3005 CV |
| 25 | 52 | 18 | 0.18 | SL18 2205 | - |
| 25 | 62 | 24 | 0.38 | SL19 2305 | NJG 2305 VH |
| 30 | 62 | 20 | 0.3 | SL18 2206 | - |
| 30 | 55 | 19 | 0.2 | SL18 3006 | NCF 3006 CV |
| 30 | 72 | 27 | 0.56 | SL19 2306 | NJG 2306 VH |
| 35 | 72 | 23 | 0.44 | SL18 2207 | - |
| 35 | 62 | 20 | 0.26 | SL18 3007 | NCF 3007 CV |
| 35 | 80 | 31 | 0.75 | SL19 2307 | NJG 2307 VH |
| 40 | 80 | 23 | 0.55 | SL18 2208 | - |
| 40 | 68 | 21 | 0.31 | SL18 3008 | NCF 3008 CV |
| 40 | 90 | 33 | 1 | SL19 2308 | NJG 2308 VH |
| 45 | 85 | 23 | 0.59 | SL18 2209 | - |
| 45 | 75 | 23 | 0.4 | SL18 3009 | NCF 3009 CV |
| 45 | 100 | 36 | 1.45 | SL19 2309 | NJG 2309 VH |
| 50 | 90 | 23 | 0.64 | SL18 2210 | - |
| 50 | 80 | 23 | 0.43 | SL18 3010 | NCF 3010 CV |
| 55 | 90 | 26 | 0.64 | SL18 3011 | NCF 3011 CV |
| 55 | 100 | 25 | 0.87 | SL18 2211 | - |
| 55 | 120 | 43 | 2.3 | SL19 2311 | NJG 2311 VH |
| 60 | 85 | 16 | 0.29 | SL18 2912 | NCF 2912 CV |
| 60 | 110 | 28 | 1.18 | SL18 2212 | - |

Address
Luotuo Industrial Area, Zhenhai District, Ningbo City, China
Tel
