SM1210 Taper Bore Bolt-On Hubs
SM1210 taper bore bolt-on hubs are a type of hub used in mechanical power transmission systems. They are designed to work with 1210 taper lock bushings, which are commonly used to secure shafts or components to rotating machinery.The SM1210 taper bore bolt-on hubs provide a convenient and reliable way to connect a shaft to a hub or to attach other components such as pulleys, sprockets, or gears to a shaft. The taper bore design ensures a tight and secure fit between the hub and the shaft, minimizing slippage and providing efficient power transmission.To install the SM1210 taper bore bolt-on hubs, you would typically slide the hub onto the shaft and then mount it securely using bolts. The 1210 taper lock bushings are placed between the hub and the shaft and provide the locking mechanism to hold the hub in place. The bushing is tightened using screws or bolts, which create a mechanical interference fit between the bushing, hub, and shaft.Overall, SM1210 taper bore bolt-on hubs, when used with 1210 taper lock bushings, offer a secure and efficient way to connect shafts and components in mechanical power transmission systems.
![]() | ![]() |
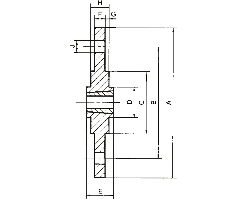
| Specification | SM1210 Taper Bore Bolt-On Hubs | |
| Bushing No. | 1210 Taper Lock Bushings | |
| Main dimension | A | 120 |
| B | 100 | |
| Chp | 80 | |
| D | 75 | |
| E | 25 | |
| F | 6.5 | |
| G | 2.5 | |
| H | 11.5 | |
| Screw hole nx. J | 8 X Φ7.5 | |
![]() | ![]() |
| Taper Bore Bolt-On Hubs | Split Taper Weld-On Hubs |
![]() | ![]() |
Address
Luotuo Industrial Area, Zhenhai District, Ningbo City, China
Tel
