SM2000 Taper Bore Bolt-On Hubs
SM2000 taper bore bolt-on hubs designed for 2012 taper lock bushings. Taper bore bolt-on hubs are used to secure components such as pulleys, sprockets, and gears to shafts.Taper lock bushings are mechanical components used to mount hubs onto shafts. They provide a secure and reliable connection between the hub and the shaft. The 2012 taper lock bushings refer to the specific size and design of the bushing that is compatible with shafts and hubs of corresponding dimensions.The SM2000 taper bore bolt-on hubs are designed to be used in conjunction with the 2012 taper lock bushings. These hubs are typically made of durable materials such as steel or cast iron to ensure strength and stability. They are engineered to provide a precise fit and secure attachment to the bushing and the shaft.By using the SM2000 taper bore bolt-on hubs with the 2012 taper lock bushings, you can easily mount various components onto your shafts, enabling power transmission or rotational movement in machinery or mechanical systems.
![]() | ![]() |
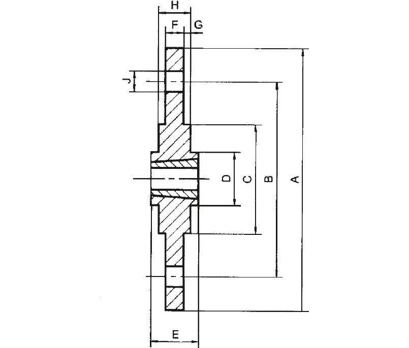
| Specification | SM2000 Taper Bore Bolt-On Hubs | |
| Bushing No. | 2012 Taper Lock Bushings | |
| Main dimension | A | 270 |
| B | 190 | |
| Chp | 140 | |
| D | 110 | |
| E | 32 | |
| F | 8.5 | |
| G | 2.5 | |
| H | 13.5 | |
| Screw hole nx. J | 6 X Φ9.5 | |

![]() | ![]() |
Address
Luotuo Industrial Area, Zhenhai District, Ningbo City, China
Tel
