SM30-2 Taper Bore Bolt-On Hubs
The SM30-2 taper bore bolt-on hubs are a type of mechanical component used for shaft-to-hub connections in power transmission systems. These hubs are specifically designed to work with 3020 Taper Lock Bushings, which are widely used for securing rotating components such as pulleys, sprockets, and gears to shafts. They are manufactured from GG22 cast iron and phosphate for extra rust protection. SM30-2 taper bore bolt-on hubs are designed for use with the universally accepted taper bush. They provide a convenient means of securing fan rotors, impellers, agitators, and other devices which must be fastened firmly to shafts.
![]() | ![]() |
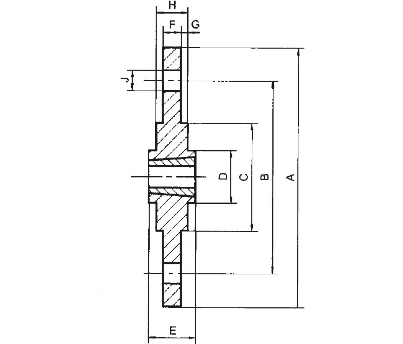
| Specification | SM30-2 Taper Bore Bolt-On Hubs | |
| Bushing No. | 3020 Taper Lock Bushings | |
| Main dimension | A | 485 |
| B | 340 | |
| Chp | 250 | |
| D | 160 | |
| E | 51 | |
| F | 13.5 | |
| G | 2.5 | |
| H | 18.5 | |
| Screw hole nx. J | 8 X Φ13.5 | |
![]() | ![]() |
![]() | ![]() |
![]() | ![]() |
Address
Luotuo Industrial Area, Zhenhai District, Ningbo City, China
Tel
