SM30-1 Taper Bore Bolt-On Hubs
SM30-1 taper bore bolt-on hubs are a type of hub that is designed to be easily and firmly fastened to shafts. The component is bolted onto the hub, and the hub is mounted on the shaft using the appropriate taper bushing. SM30-1 taper bore bolt-on hubs are manufactured according to established market standards and are available in a wide range of metric and imperial bore sizes. They are also easily installed and removed using basic tools, without dismounting from the shaft.
![]() | ![]() |
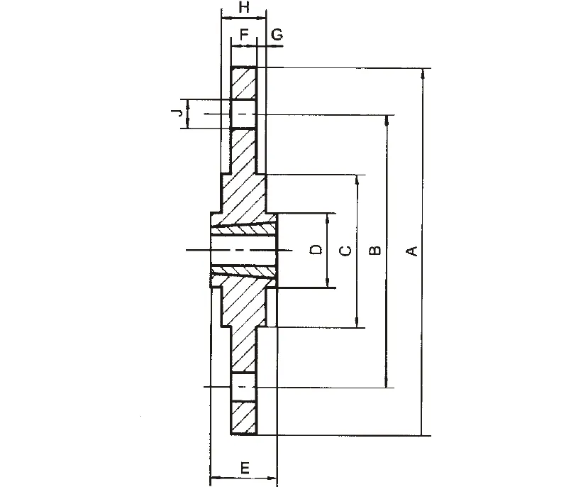
| Specification | SM30-1 Taper Bore Bolt-On Hubs | |
| Bushing No. | 3020 Taper Lock Bushings | |
| Main dimension | A | 430 |
| B | 300 | |
| Chp | 220 | |
| D | 160 | |
| E | 51 | |
| F | 13.5 | |
| G | 2.5 | |
| H | 18.5 | |
| Screw hole nx. J | 8 X Φ13.5 | |

![]() | ![]() |
Address
Luotuo Industrial Area, Zhenhai District, Ningbo City, China
Tel
