SM2500 Taper Bore Bolt-On Hubs
SM2500 taper bore bolt-on hubs for 2517 taper lock bushings. These products are commonly used in mechanical power transmission applications to connect rotating shafts to other components such as pulleys, sprockets, or gears.The SM2500 taper bore bolt-on hubs are designed to work specifically with 2517 taper lock bushings. Taper lock bushings are used to mount components onto a shaft by creating a mechanical interference fit. The bushing is inserted into the hub and tightened using screws or bolts, which compress the bushing and lock it onto the shaft.The SM2500 taper bore bolt-on hubs provide a convenient and efficient way to connect components to a shaft. The taper bore design ensures a secure and reliable connection, while the bolt-on feature simplifies installation and removal, allowing for easy maintenance and component replacement.These SM2500 taper bore bolt-on hubs are typically made from high-quality materials such as steel or cast iron, ensuring strength and durability. They are available in various sizes to accommodate different shaft diameters and can be used in a wide range of industrial applications.
![]() | ![]() |
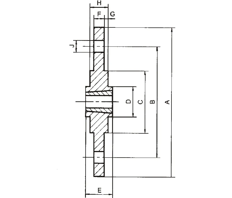
| Specification | SM2500 Taper Bore Bolt-On Hubs | |
| Bushing No. | 2517 Taper Lock Bushings | |
| Main dimension | A | 340 |
| B | 240 | |
| Chp | 170 | |
| D | 125 | |
| E | 45 | |
| F | 9.5 | |
| G | 2.5 | |
| H | 14.5 | |
| Screw hole nx. J | 8 X Φ11.5 | |
![]() | ![]() |
| Taper Bore Bolt-On Hubs | QD Type Weld-On Hubs |
![]() | ![]() |
Address
Luotuo Industrial Area, Zhenhai District, Ningbo City, China
Tel
