SM1200 Taper Bore Bolt-On Hubs
SM1200 taper bore bolt-on hubs are a type of hub designed to accommodate 1210 taper lock bushings. These hubs are commonly used in power transmission applications where it is necessary to connect a rotating shaft to a driven component, such as a pulley or sprocket.The key feature of the SM1200 taper bore bolt-on hubs is their taper bore design, which allows for easy installation and removal of the 1210 taper lock bushings. The hubs have a tapered bore that matches the taper of the bushings, ensuring a secure and concentric fit. The taper lock mechanism provides a strong, reliable connection between the hub and the bushing, minimizing slippage and maximizing power transmission efficiency.The bolt-on feature of the hubs allows for quick and convenient installation. The SM1200 taper bore bolt-on hubs have pre-drilled bolt holes that align with corresponding holes on the driven component. By tightening the bolts, the hub is securely attached to the component, creating a rigid connection that can withstand high torque and radial loads.SM1200 taper bore bolt-on hubs are available in various sizes and configurations to accommodate different shaft diameters and bushing requirements. They are commonly found in industrial applications such as conveyor systems, power transmission equipment, and machinery.
![]() | ![]() |
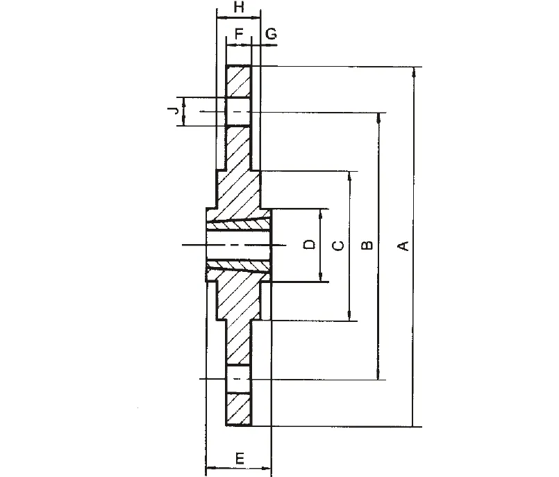
| Specification | SM1200 Taper Bore Bolt-On Hubs | |
| Bushing No. | 1210 Taper Lock Bushings | |
| Main dimension | A | 180 |
| B | 135 | |
| Chp | 90 | |
| D | 75 | |
| E | 25 | |
| F | 6.5 | |
| G | 2.5 | |
| H | 11.5 | |
| Screw hole nx. J | 6 X Φ7.5 | |

![]() | ![]() |
Address
Luotuo Industrial Area, Zhenhai District, Ningbo City, China
Tel
