SM1610 Taper Bore Bolt-On Hubs
SM1610 taper bore bolt-on hubs are used in power transmission applications to connect shafts and components. These hubs are specifically designed to work with 1610 taper lock bushings.The taper lock bushing is a device used to mount components, such as pulleys or sprockets, onto a shaft. It consists of a split cylindrical sleeve with tapered inner walls. When the bushing is mounted onto a shaft, it is secured in place by tightening screws or bolts, which compress the bushing and create a tight fit.The SM1610 taper bore bolt-on hubs are designed to fit onto the 1610 taper lock bushing. These hubs have a tapered bore that matches the tapered inner walls of the bushing. By sliding the hub onto the bushing and tightening the bolts, a secure and rigid connection is established between the hub and the bushing.The bolt-on feature of these SM1610 taper bore bolt-on hubs allows for easy installation and removal without the need for complex tools or disassembly of other components. This makes them convenient for applications where frequent component changes or maintenance are required.
![]() | ![]() |
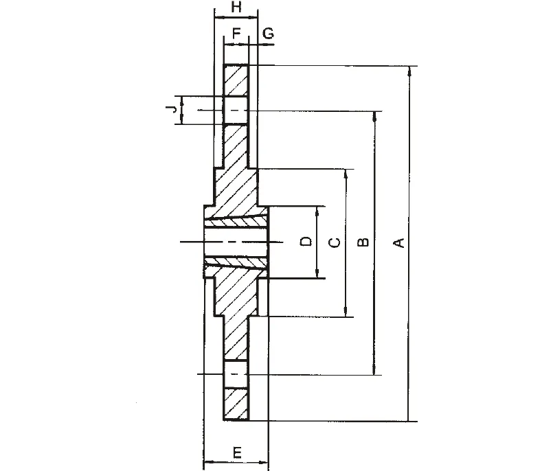
| Specification | SM1600 Taper Bore Bolt-On Hubs | |
| Bushing No. | 1610 Taper Lock Bushings | |
| Main dimension | A | 130 |
| B | 110 | |
| Chp | 90 | |
| D | 85 | |
| E | 25 | |
| F | 7.5 | |
| G | 2.5 | |
| H | 12.5 | |
| Screw hole nx. J | 8 X Φ7.5 | |

![]() | ![]() |
Address
Luotuo Industrial Area, Zhenhai District, Ningbo City, China
Tel
