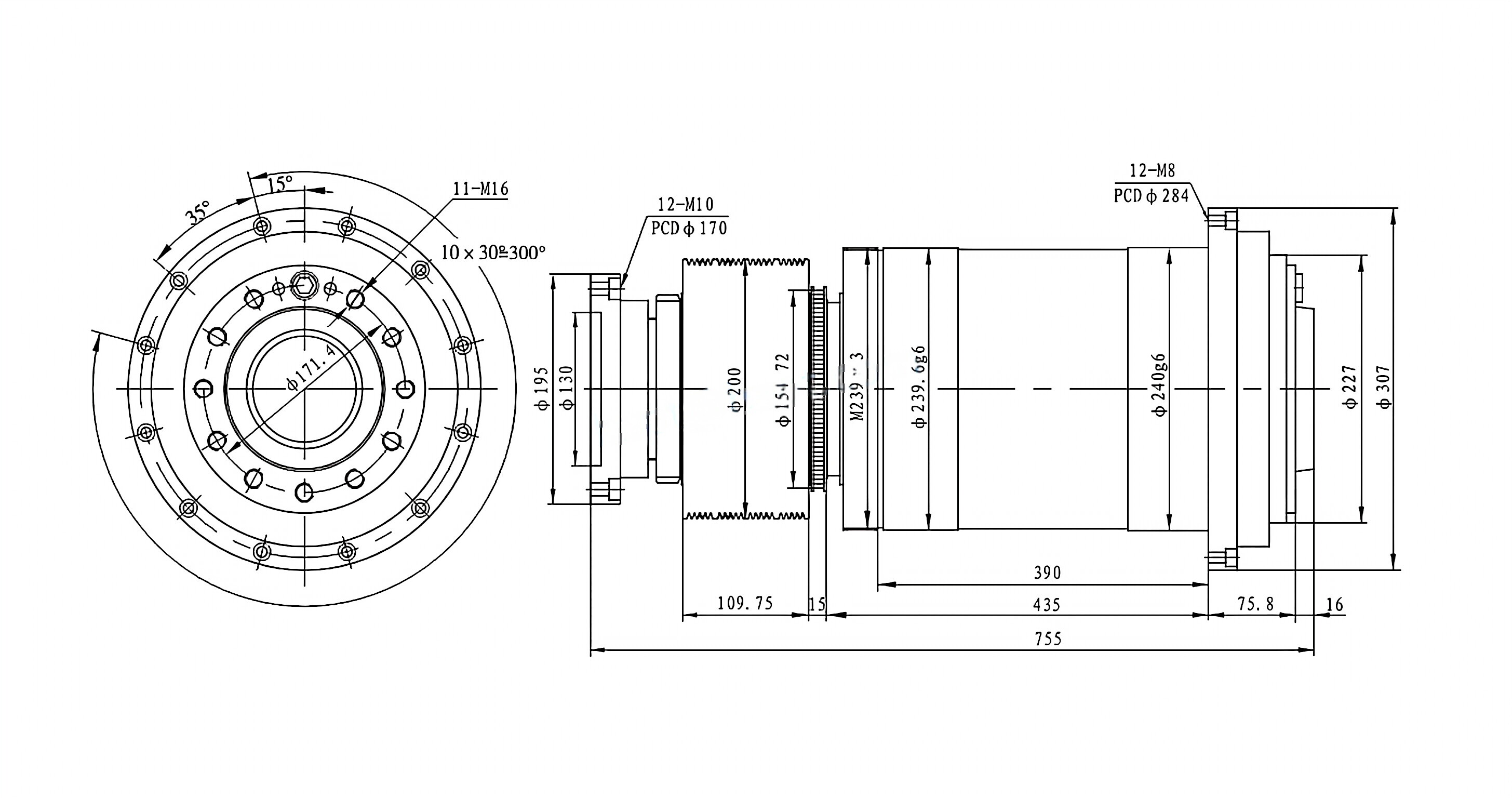
Spindle Unit for CNC Lathe JSC240C
On a lathe (whether wood lathe or metal lathe), the spindle is the heart of the headstock. In rotating-cutter woodworking machinery, the spindle is the part on which shaped milling cutters are mounted for cutting features (such as rebates, beads, and curves) into moldings and similar millwork.
1. For horizontal use, the water holes on the gland must be vertically downwards.2. Inside and outside spindle taper runout ≤0.003.3. Distance 300mm runout: near the end is ≤0.002, and the far end is ≤0.007.4. The form of pulley and encoder can be specified by the customer.5. Accept the special specifications of customers.




Address
Luotuo Industrial Area, Zhenhai District, Ningbo City, China
Tel
