
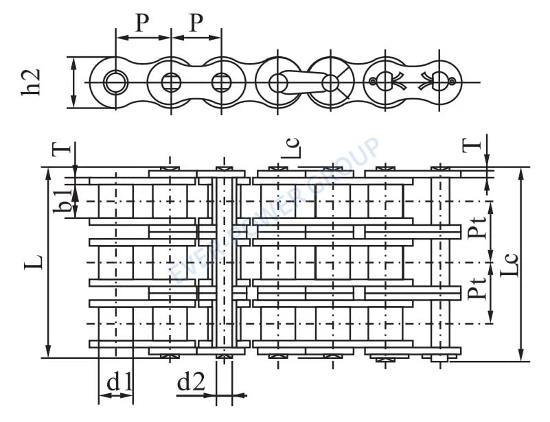
| DIN/ISO Chain. NO. | ANSIChain.NO. | Pitch | RollerDiameter | WidthBetweenInner plates | PinDiameter | Pin Length | InnerPlatedepth | PlateThickNess | TransversePitch | TensileStrength | WeightPerMeter | |
| P | dlmax | blmin | d2max | Lmax | Lcmax | h2max | Tmax | Pt | Qmin | q. | ||
| mm | mm | mm | mm | mm | mm | mm | mm | mm | kN | Kg/m | ||
| SS12AH-3 | SS60H-3 | 19.050 | 11.91 | 12.57 | 5.94 | 81.4 | 83.2 | 18.00 | 3.2 | 26.11 | 66.78 | 5.54 |
| SS16AH-3 | SS80H-3 | 25.400 | 15.88 | 15.75 | 7.92 | 101.4 | 102.9 | 24.00 | 4.0 | 32.59 | 119.07 | 9.42 |
| SS20AH-3 | SS100H-3 | 31.750 | 19.05 | 18.90 | 9.53 | 121.8 | 125.1 | 30.00 | 4.8 | 39.09 | 185.85 | 12.96 |
| SS24AH-3 | SS120H-3 | 38.10 | 22.23 | 25.22 | 11.10 | 151.2 | 155.2 | 35.70 | 5.6 | 48.87 | 266.70 | 19.64 |
| SS28AH-3 | SS140H-3 | 44.450 | 25.40 | 25.22 | 12.70 | 162.0 | 166.6 | 41.00 | 6.4 | 52.20 | 362.04 | 24.90 |
| SS32AH-3 | SS160H-3 | 50.800 | 28.58 | 31.55 | 14.27 | 192.0 | 196.8 | 47.80 | 7.2 | 61.90 | 476.28 | 30.10 |
| SS40AH-3 | SS200H-3 | 63.500 | 39.68 | 37.85 | 19.85 | 243.2 | 250.1 | 60.00 | 9.5 | 78.31 | 742.98 | 57.06 |
The SS16AH-3/SS80H-3 Heavy Duty Series Stainless Steel Roller Chains are designed with a robust structure and are composed of high-quality materials. Here are the key components and their detailed descriptions:
To illustrate the structure of the SS16AH-3/SS80H-3 Heavy Duty Series Stainless Steel Roller Chains, below is an image:

Our stainless steel chains are made using advanced materials and exhibit exceptional performance in acidic and alkaline environments that come into direct contact with food. The chains are exposed to water and operate in extreme temperatures, requiring high corrosion resistance (-40 to +400 degrees Celsius).
Key Features:

SS16AH-3/SS80H-3 Heavy Duty Series Stainless Steel Roller Chains are designed to transmit mechanical power efficiently and reliably in harsh operating environments. The working principle of these chains is based on the interlocking of link plates and the rotation of rollers around the bushings.
As the chain engages with the sprockets, the rollers rotate and reduce the friction between the chain and the sprocket teeth. This enables the chain to transfer power with minimal energy losses and prevents premature wear of both the chain and the sprockets. Additionally, the heavy duty design of these chains allows them to withstand high loads and resist fatigue and wear.
In summary, the SS16AH-3/SS80H-3 Heavy Duty Series Stainless Steel Roller Chains offer excellent performance characteristics in terms of power transmission efficiency, load carrying capacity, and durability, making them suitable for a wide range of industrial applications.
Proper maintenance and care are essential for ensuring the longevity and optimal performance of heavy-duty stainless steel roller chains. Following these steps will help you correctly maintain and care for your heavy-duty stainless steel roller chain:
By following these recommended steps for maintenance and care, you can maximize the lifespan and performance of your SS16AH-3/SS80H-3 Heavy Duty Series Stainless Steel Roller Chains.

Our SS16AH-3/SS80H-3 Heavy Duty Series Stainless Steel Roller Chains offer several outstanding advantages:
Below is an image highlighting our stainless steel chain factory:


Address
Luotuo Industrial Area, Zhenhai District, Ningbo City, China
Tel
