![]() | ![]() |
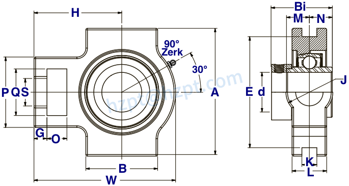
Bearing # | Shaft Diameter (d) | (O) | (G) | (P) | (Q) | (S) | (B) | (K) | (E) | (A) | (W) | (J) | (L) | (H) | (Bi) | (N) | (M) | Dynamic Load Rating (LBS) | Static Load Rating (LBS) | Bearing Insert | Housing Number | Weight (LBS) |
|---|---|---|---|---|---|---|---|---|---|---|---|---|---|---|---|---|---|---|---|---|---|---|
| SUCSTM201 | 12 | 0.63 | 0.38 | 2.00 | 1.25 | 0.75 | 2.00 | 0.53 | 3.00 | 3.50 | 3.70 | 1.25 | 0.83 | 2.40 | 1.2205 | 0.5000 | 0.7205 | 2,331 | 1,142 | SUC201 | 204 | 2.0 |
| SUCSTM201-8 | 1/2 | 0.63 | 0.38 | 2.00 | 1.25 | 0.75 | 2.00 | 0.53 | 3.00 | 3.50 | 3.70 | 1.25 | 0.83 | 2.40 | 1.2205 | 0.5000 | 0.7205 | 2,331 | 1,142 | SUC201-8 | 204 | 2.0 |
| SUCSTM202 | 15 | 0.63 | 0.38 | 2.00 | 1.25 | 0.75 | 2.00 | 0.53 | 3.00 | 3.50 | 3.70 | 1.25 | 0.83 | 2.40 | 1.2205 | 0.5000 | 0.7205 | 2,331 | 1,142 | SUC202 | 204 | 2.0 |
| SUCSTM202-10 | 5/8 | 0.63 | 0.38 | 2.00 | 1.25 | 0.75 | 2.00 | 0.53 | 3.00 | 3.50 | 3.70 | 1.25 | 0.83 | 2.40 | 1.2205 | 0.5000 | 0.7205 | 2,331 | 1,142 | SUC202-10 | 204 | 2.0 |
| SUCSTM203 | 17 | 0.63 | 0.38 | 2.00 | 1.25 | 0.75 | 2.00 | 0.53 | 3.00 | 3.50 | 3.70 | 1.25 | 0.83 | 2.40 | 1.2205 | 0.5000 | 0.7205 | 2,331 | 1,142 | SUC203 | 204 | 2.0 |
| SUCSTM204-12 | 3/4 | 0.63 | 0.38 | 2.00 | 1.25 | 0.75 | 2.00 | 0.53 | 3.00 | 3.50 | 3.70 | 1.25 | 0.83 | 2.40 | 1.2205 | 0.5000 | 0.7205 | 2,331 | 1,142 | SUC204-12 | 204 | 2.0 |
| SUCSTM204 | 20 | 0.63 | 0.38 | 2.00 | 1.25 | 0.75 | 2.00 | 0.53 | 3.00 | 3.50 | 3.70 | 1.25 | 0.83 | 2.40 | 1.2205 | 0.5000 | 0.7205 | 2,331 | 1,142 | SUC204 | 204 | 2.0 |
| SUCSTM205-14 | 7/8 | 0.63 | 0.38 | 2.00 | 1.25 | 0.75 | 2.00 | 0.53 | 3.00 | 3.50 | 3.82 | 1.25 | 0.94 | 2.44 | 1.3425 | 0.5630 | 0.7795 | 2,542 | 1,349 | SUC205-14 | 205 | 2.2 |
| SUCSTM205-15 | 15/16 | 0.63 | 0.38 | 2.00 | 1.25 | 0.75 | 2.00 | 0.53 | 3.00 | 3.50 | 3.82 | 1.25 | 0.94 | 2.44 | 1.3425 | 0.5630 | 0.7795 | 2,542 | 1,349 | SUC205-15 | 205 | 2.2 |
| SUCSTM205 | 25 | 0.63 | 0.38 | 2.00 | 1.25 | 0.75 | 2.00 | 0.53 | 3.00 | 3.50 | 3.82 | 1.25 | 0.94 | 2.44 | 1.3425 | 0.5630 | 0.7795 | 2,542 | 1,349 | SUC205 | 205 | 2.2 |
| SUCSTM205-16 | 1 | 0.63 | 0.38 | 2.00 | 1.25 | 0.75 | 2.00 | 0.53 | 3.00 | 3.50 | 3.82 | 1.25 | 0.94 | 2.44 | 1.3425 | 0.5630 | 0.7795 | 2,542 | 1,349 | SUC205-16 | 205 | 2.2 |
| SUCSTM206-17 | 1 11/16 | 0.63 | 0.44 | 2.20 | 1.46 | 0.87 | 2.25 | 0.53 | 3.50 | 4.02 | 4.45 | 1.46 | 1.10 | 2.75 | 1.5000 | 0.6260 | 0.8740 | 3,554 | 1,942 | SUC206-17 | 206 | 3.2 |
| SUCSTM206-18 | 1 1/8 | 0.63 | 0.44 | 2.20 | 1.46 | 0.87 | 2.25 | 0.53 | 3.50 | 4.02 | 4.45 | 1.46 | 1.10 | 2.75 | 1.5000 | 0.6260 | 0.8740 | 3,554 | 1,942 | SUC206-18 | 206 | 3.2 |
| SUCSTM206 | 30 | 0.63 | 0.44 | 2.20 | 1.46 | 0.87 | 2.25 | 0.53 | 3.50 | 4.02 | 4.45 | 1.46 | 1.10 | 2.75 | 1.5000 | 0.6260 | 0.8740 | 3,554 | 1,942 | SUC206 | 206 | 3.2 |
| SUCSTM206-19 | 1 3/16 | 0.63 | 0.44 | 2.20 | 1.46 | 0.87 | 2.25 | 0.53 | 3.50 | 4.02 | 4.45 | 1.46 | 1.10 | 2.75 | 1.5000 | 0.6260 | 0.8740 | 3,554 | 1,942 | SUC206-19 | 206 | 3.2 |
| SUCSTM206-20 | 1 1/4 | 0.63 | 0.44 | 2.20 | 1.46 | 0.87 | 2.25 | 0.53 | 3.50 | 4.02 | 4.45 | 1.46 | 1.10 | 2.75 | 1.5000 | 0.6260 | 0.8740 | 3,554 | 1,942 | SUC206-20 | 206 | 3.2 |
| SUCSTM207-20 | 1 1/4 | 0.63 | 0.56 | 2.52 | 1.46 | 0.87 | 2.52 | 0.53 | 3.50 | 4.02 | 5.12 | 1.46 | 1.18 | 3.07 | 1.6890 | 0.6890 | 1.0000 | 4,683 | 2,626 | SUC207-20 | 207 | 4.0 |
| SUCSTM207-21 | 1 5/16 | 0.63 | 0.56 | 2.52 | 1.46 | 0.87 | 2.52 | 0.53 | 3.50 | 4.02 | 5.12 | 1.46 | 1.18 | 3.07 | 1.6890 | 0.6890 | 1.000 | 4,683 | 2,626 | SUC207-21 | 207 | 4.0 |
| SUCSTM207-22 | 1 3/8 | 0.63 | 0.56 | 2.52 | 1.46 | 0.87 | 2.52 | 0.53 | 3.50 | 4.02 | 5.12 | 1.46 | 1.18 | 3.07 | 1.6890 | 0.6890 | 1.000 | 4,683 | 2,626 | SUC207-22 | 207 | 4.0 |
| SUCSTM207 | 35 | 0.63 | 0.56 | 2.52 | 1.46 | 0.87 | 2.52 | 0.53 | 3.50 | 4.02 | 5.12 | 1.46 | 1.18 | 3.07 | 1.6890 | 0.6890 | 1.000 | 4,683 | 2,626 | SUC207 | 207 | 4.0 |
| SUCSTM207-23 | 1 7/16 | 0.63 | 0.56 | 2.52 | 1.46 | 0.87 | 2.52 | 0.53 | 3.50 | 4.02 | 5.12 | 1.46 | 1.18 | 3.07 | 1.6890 | 0.6890 | 1.000 | 4,683 | 2,626 | SUC207-23 | 207 | 4.0 |
| SUCSTM208-24 | 1 1/2 | 0.75 | 0.67 | 3.27 | 1.94 | 1.13 | 3.27 | 0.63 | 4.02 | 4.50 | 5.67 | 1.93 | 1.30 | 3.46 | 1.9370 | 0.7480 | 1.1890 | 5,294 | 3,057 | SUC208-24 | 208 | 5.9 |
| SUCSTM208-25 | 1 9/16 | 0.75 | 0.67 | 3.27 | 1.94 | 1.13 | 3.27 | 0.63 | 4.02 | 4.50 | 5.67 | 1.93 | 1.30 | 3.46 | 1.9370 | 0.7480 | 1.1890 | 5,294 | 3,057 | SUC208-25 | 208 | 5.9 |
| SUCSTM208 | 40 | 0.75 | 0.67 | 3.27 | 1.94 | 1.13 | 3.27 | 0.63 | 4.02 | 4.50 | 5.67 | 1.93 | 1.30 | 3.46 | 1.9370 | 0.7480 | 1.890 | 5,294 | 3,057 | SUC208 | 208 | 5.9 |
| SUCSTM209-26 | 1 5/8 | 0.75 | 0.67 | 3.27 | 1.94 | 1.13 | 3.27 | 0.63 | 4.02 | 4.61 | 5.71 | 1.93 | 1.38 | 3.43 | 1.9370 | 0.7480 | 1.890 | 5,923 | 3,507 | SUC209-26 | 209 | 6.6 |
| SUCSTM209-27 | 1 11/16 | 0.75 | 0.67 | 3.27 | 1.94 | 1.13 | 3.27 | 0.63 | 4.02 | 4.61 | 5.71 | 1.93 | 1.38 | 3.43 | 1.9370 | 0.7480 | 1.890 | 5,923 | 3,507 | SUC209-27 | 209 | 6.6 |
| SUCSTM209-28 | 1 3/4 | 0.75 | 0.67 | 3.27 | 1.94 | 1.13 | 3.27 | 0.63 | 4.02 | 4.61 | 5.71 | 1.93 | 1.38 | 3.43 | 1.9370 | 0.7480 | 1.890 | 5,923 | 3,507 | SUC209-28 | 209 | 6.6 |
| SUCSTM209 | 45 | 0.75 | 0.67 | 3.27 | 1.94 | 1.13 | 3.27 | 0.63 | 4.02 | 4.61 | 5.71 | 1.93 | 1.38 | 3.43 | 1.9370 | 0.7480 | 1.890 | 5,923 | 3,507 | SUC209 | 209 | 6.6 |
| SUCSTM210-30 | 1 7/8 | 0.75 | 0.67 | 3.27 | 1.94 | 1.13 | 3.39 | 0.63 | 4.02 | 4.61 | 5.91 | 1.93 | 1.46 | 3.54 | 2.0315 | 0.7480 | 1.2835 | 6,402 | 4,046 | SUC210-30 | 210 | 6.6 |
| SUCSTM210-31 | 1 15/16 | 0.75 | 0.67 | 3.27 | 1.94 | 1.13 | 3.39 | 0.63 | 4.02 | 4.61 | 5.91 | 1.93 | 1.46 | 3.54 | 2.0315 | 0.7480 | 1.2835 | 5,402 | 4,046 | SUC210-31 | 210 | 6.6 |
| SUCSTM210 | 50 | 0.75 | 0.67 | 3.27 | 1.94 | 1.13 | 3.39 | 0.63 | 4.02 | 4.61 | 5.91 | 1.93 | 1.46 | 3.54 | 2.0315 | 0.7480 | 1.2835 | 5,402 | 4,046 | SUC210 | 210 | 6.6 |
| SUCSTM210-32 | 2 | 0.75 | 0.67 | 3.27 | 1.94 | 1.13 | 3.39 | 0.63 | 4.02 | 4.61 | 5.91 | 1.93 | 1.46 | 3.54 | 2.0315 | 0.7480 | 1.2835 | 5,402 | 4,046 | SUC210-32 | 210 | 6.6 |
| SUCSTM211-32 | 2 | 0.98 | 0.75 | 4.02 | 2.52 | 1.38 | 3.75 | 0.87 | 5.12 | 5.71 | 6.73 | 2.52 | 1.50 | 4.17 | 2.1890 | 0.8740 | 1.3150 | 7,931 | 5,036 | SUC211-32 | 211 | 9.9 |
| SUCSTM211-34 | 2 1/8 | 0.98 | 0.75 | 4.02 | 2.52 | 1.38 | 3.75 | 0.87 | 5.12 | 5.71 | 6.73 | 2.52 | 1.50 | 4.17 | 2.1890 | 0.8740 | 1.3150 | 7,931 | 5,036 | SUC211-34 | 211 | 9.9 |
| SUCSTM211 | 55 | 0.98 | 0.75 | 4.02 | 2.52 | 1.38 | 3.75 | 0.87 | 5.12 | 5.71 | 6.73 | 2.52 | 1.50 | 4.17 | 2.1890 | 0.8740 | 1.3150 | 7,931 | 5,036 | SUC211 | 211 | 9.9 |
| SUCSTM211-35 | 2 3/16 | 0.98 | 0.75 | 4.02 | 2.52 | 1.38 | 3.75 | 0.87 | 5.12 | 5.71 | 6.73 | 2.52 | 1.50 | 4.17 | 2.1890 | 0.8740 | 1.3150 | 7,931 | 5,036 | SUC211-35 | 211 | 9.9 |
| SUCSTM212-36 | 2 1/4 | 1.26 | 0.75 | 4.02 | 2.52 | 1.38 | 4.02 | 0.87 | 5.12 | 5.71 | 7.64 | 2.52 | 1.65 | 4.69 | 2.5630 | 1.0000 | 1.5630 | 9,554 | 5,921 | SUC212-36 | 212 | 12.3 |
| SUCSTM212 | 60 | 1.26 | 0.75 | 4.02 | 2.52 | 1.38 | 4.02 | 0.87 | 5.12 | 5.71 | 7.64 | 2.52 | 1.65 | 4.69 | 2.5630 | 1.0000 | 1.5630 | 9,554 | 5,921 | SUC212 | 212 | 12.3 |
| SUCSTM212-38 | 2 3/8 | 1.26 | 0.75 | 4.02 | 2.52 | 1.38 | 4.02 | 0.87 | 5.12 | 5.71 | 7.64 | 2.52 | 1.65 | 4.69 | 2.5630 | 1.0000 | 1.5630 | 9,554 | 5,921 | SUC212-38 | 212 | 12.3 |
| SUCSTM212-39 | 2 7/16 | 1.26 | 0.75 | 4.02 | 2.52 | 1.38 | 4.02 | 0.87 | 5.12 | 5.71 | 7.64 | 2.52 | 1.65 | 4.69 | 2.5630 | 1.0000 | 1.5630 | 9,554 | 5,921 | SUC212-39 | 212 | 12.3 |
![]() |
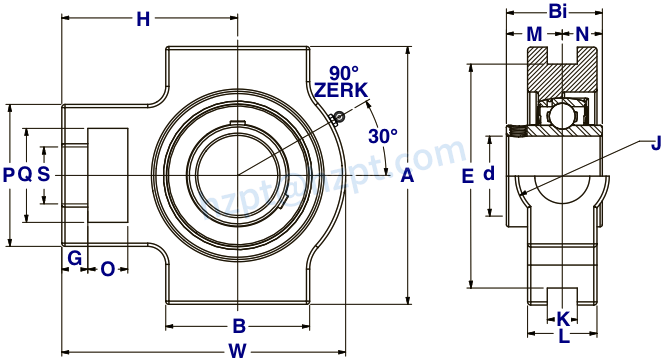
Bearing # | Shaft Diameter (d) | (O) | (G) | (P) | (Q) | (S) | (B) | (K) | (E) | (A) | (W) | (J) | (L) | (H) | (Bi) | (N) | (M) | Dynamic Load Rating (LBS) | Static Load Rating (LBS) | Bearing Insert | Housing Number | Weight (LBS) |
|---|---|---|---|---|---|---|---|---|---|---|---|---|---|---|---|---|---|---|---|---|---|---|
| SNCSTM201-8 | 1/2 | 0.63 | 0.38 | 2.00 | 1.25 | 0.75 | 2.00 | 0.53 | 3.00 | 3.50 | 3.70 | 1.25 | 0.83 | 2.40 | 1.5472 | 0.5000 | 0.6732 | 2,331 | 1,142 | SNC201-8 | STM 204 | 2.0 |
| SNCSTM202-10 | 5/8 | 0.63 | 0.38 | 2.00 | 1.25 | 0.75 | 2.00 | 0.53 | 3.00 | 3.50 | 3.70 | 1.25 | 0.83 | 2.40 | 1.5472 | 0.5000 | 0.6732 | 2,331 | 1,142 | SNC202-10 | STM 204 | 2.0 |
| SNCSTM204-12 | 3/4 | 0.63 | 0.38 | 2.00 | 1.25 | 0.75 | 2.00 | 0.53 | 3.00 | 3.50 | 3.70 | 1.25 | 0.83 | 2.40 | 1.5472 | 0.5000 | 0.6732 | 2,331 | 1,142 | SNC204-12 | STM 204 | 2.0 |
| SNCSTM204 | 20 | 0.63 | 0.38 | 2.00 | 1.25 | 0.75 | 2.00 | 0.53 | 3.00 | 3.50 | 3.70 | 1.25 | 0.83 | 2.40 | 1.5472 | 0.5000 | 0.6732 | 2,331 | 1,142 | SNC204 | STM 204 | 2.0 |
| SNCSTM205-14 | 7/8 | 0.63 | 0.38 | 2.00 | 1.25 | 0.75 | 2.00 | 0.53 | 3.00 | 3.50 | 3.82 | 3.82 | 0.94 | 2.44 | 1.6220 | 0.5630 | 0.6890 | 2,542 | 1,349 | SNC205-14 | STM 205 | 2.2 |
| SNCSTM205-15 | 15/16 | 0.63 | 0.38 | 2.00 | 1.25 | 0.75 | 2.00 | 0.53 | 3.00 | 3.50 | 3.82 | 3.82 | 0.94 | 2.44 | 1.6220 | 0.5630 | 0.6890 | 2,542 | 1,349 | SNC205-15 | STM 205 | 2.2 |
| SNCSTM205 | 25 | 0.63 | 0.38 | 2.00 | 1.25 | 0.75 | 2.00 | 0.53 | 3.00 | 3.50 | 3.82 | 3.82 | 0.94 | 2.44 | 1.6220 | 0.5630 | 0.6890 | 2,542 | 1,349 | SNC205 | STM 205 | 2.2 |
| SNCSTM205-16 | 1 | 0.63 | 0.38 | 2.00 | 1.25 | 0.75 | 2.00 | 0.53 | 3.00 | 3.50 | 3.82 | 3.82 | 0.94 | 2.44 | 1.6220. | 0.5630 | 0.6890 | 2,542 | 1,349 | SNC205-16 | STM 205 | 2.2 |
| SNCSTM206-17 | 1 1/16 | 0.63 | 0.44 | 2.20 | 1.46 | 0.87 | 2.25 | 0.53 | 3.50 | 4.02 | 4.45 | 1.46 | 1.10 | 2.75 | 1.8110 | 0.6260 | 0.7165 | 3,554 | 1,942 | SNC206-17 | STM 206 | 3.3 |
| SNCSTM206-18 | 1 1/8 | 0.63 | 0.44 | 2.20 | 1.46 | 0.87 | 2.25 | 0.53 | 3.50 | 4.02 | 4.45 | 1.46 | 1.10 | 2.75 | 1.8110 | 0.6260 | 0.7165 | 3554 | 1942 | SNC206-18 | STM 206 | 3.3 |
| SNCSTM206 | 30 | 0.63 | 0.44 | 2.20 | 1.46 | 0.87 | 2.25 | 0.53 | 3.50 | 4.02 | 4.45 | 1.46 | 1.10 | 2.75 | 1.8110 | 0.6260 | 0.7165 | 3554 | 1942 | SNC206 | STM 206 | 3.3 |
| SNCSTM206-19 | 1 3/16 | 0.63 | 0.44 | 2.20 | 1.46 | 0.87 | 2.25 | 0.53 | 3.50 | 4.02 | 4.45 | 1.46 | 1.10 | 2.75 | 1.8110 | 0.6260 | 0.7165 | 3554 | 1942 | SNC206-19 | STM 206 | 3.3 |
| SNCSTM206-20 | 1 1/4 | 0.63 | 0.44 | 2.20 | 1.46 | 0.87 | 2.25 | 0.53 | 3.50 | 4.02 | 4.45 | 1.46 | 1.10 | 2.75 | 1.8110 | 0.6260 | 0.7165 | 3554 | 1942 | SNC206-20 | STM 206 | 3.3 |
| SNCSTM207-20 | 1 1/4 | 0.63 | 0.56 | 2.52 | 1.46 | 0.87 | 2.52 | 0.53 | 3.50 | 4.02 | 5.12 | 1.46 | 1.18 | 3.07 | 1.9606 | 0.6890 | 0.7402 | 4683 | 2626 | SNC207-20 | STM 207 | 4.2 |
| SNCSTM207-21 | 1 5/16 | 0.63 | 0.56 | 2.52 | 1.46 | 0.87 | 2.52 | 0.53 | 3.50 | 4.02 | 5.12 | 1.46 | 1.18 | 3.07 | 1.9606 | 0.6890 | 0.7402 | 4683 | 2626 | SNC207-21 | STM 207 | 4.2 |
| SNCSTM207-22 | 1 3/8 | 0.63 | 0.56 | 2.52 | 1.46 | 0.87 | 2.52 | 0.53 | 3.50 | 4.02 | 5.12 | 1.46 | 1.18 | 3.07 | 1.9606 | 0.6890 | 0.7402 | 4683 | 2626 | SNC207-22 | STM 207 | 4.2 |
| SNCSTM207 | 35 | 0.63 | 0.56 | 2.52 | 1.46 | 0.87 | 2.52 | 0.53 | 3.50 | 4.02 | 5.12 | 1.46 | 1.18 | 3.07 | 1.9606 | 0.6890 | 0.7402 | 4683 | 2626 | SNC207 | STM 207 | 4.2 |
| SNCSTM207-23 | 1 7/16 | 0.63 | 0.56 | 2.52 | 1.46 | 0.87 | 2.52 | 0.53 | 3.50 | 4.02 | 5.12 | 1.46 | 1.18 | 3.07 | 1.9606 | 0.6890 | 0.7402 | 4683 | 2626 | SNC207-23 | STM 207 | 4.2 |
| SNCSTM208-24 | 1 1/2 | 0.75 | 0.67 | 3.27 | 1.94 | 1.13 | 3.27 | 0.63 | 4.02 | 4.50 | 5.67 | 1.93 | 1.30 | 3.46 | 2.1220 | 0.7480 | 0.8425 | 5294 | 3057 | SNC208-24 | STM 208 | 6.2 |
| SNCSTM208-25 | 1 9/16 | 0.75 | 0.67 | 3.27 | 1.94 | 1.13 | 3.27 | 0.63 | 4.02 | 4.50 | 5.67 | 1.93 | 1.30 | 3.46 | 2.1220 | 0.7480 | 0.8425 | 5294 | 3057 | SNC208-25 | STM 208 | 6.2 |
| SNCSTM208 | 40 | 0.75 | 0.67 | 3.27 | 1.94 | 1.13 | 3.27 | 0.63 | 4.02 | 4.50 | 5.67 | 1.93 | 1.30 | 3.46 | 2.1220 | 0.7480 | 0.8425 | 5294 | 3057 | SNC208 | STM 205 | 6.2 |
| SNCSTM209-26 | 1 5/8 | 0.75 | 0.67 | 3.27 | 1.94 | 1.13 | 3.27 | 0.63 | 4.02 | 4.61 | 5.71 | 1.93 | 1.38 | 3.43 | 2.1220 | 0.7480 | 0.8425 | 5923 | 3507 | SNC209-26 | STM 209 | 6.9 |
| SNCSTM209-27 | 1 11/16 | 0.75 | 0.67 | 3.27 | 1.94 | 1.13 | 3.27 | 0.63 | 4.02 | 4.61 | 5.71 | 1.93 | 1.38 | 3.43 | 2.1220 | 0.7480 | 0.8425 | 5923 | 3507 | SNC209-27 | STM 209 | 6.9 |
| SNCSTM209-28 | 1 3/4 | 0.75 | 0.67 | 3.27 | 1.94 | 1.13 | 3.27 | 0.63 | 4.02 | 4.61 | 5.71 | 1.93 | 1.38 | 3.43 | 2.1220 | 0.7480 | 0.8425 | 5923 | 3507 | SNC209-23 | STM 209 | 6.9 |
| SNCSTM209 | 45 | 0.75 | 0.67 | 3.27 | 1.94 | 1.13 | 3.27 | 0.63 | 4.02 | 4.61 | 5.71 | 1.93 | 1.38 | 3.43 | 2.1220 | 0.7480 | 0.8425 | 5923 | 3507 | SNC209 | STM 209 | 6.9 |
| SNCSTM210-30 | 1 7/8 | 0.75 | 0.67 | 3.27 | 1.94 | 1.13 | 3.39 | 0.63 | 4.02 | 4.61 | 5.91 | 1.93 | 1.46 | 3.54 | 2.2480 | 0.7480 | 0.9685 | 6402 | 4046 | SNC210-30 | STM 210 | 7.1 |
| SNCSTM210-31 | 1 15/16 | 0.75 | 0.67 | 3.27 | 1.94 | 1.13 | 3.39 | 0.63 | 4.02 | 4.61 | 5.91 | 1.93 | 1.46 | 3.54 | 2.2480 | 0.7480 | 0.9685 | 6402 | 4046 | SNC210-31 | STM 210 | 7.1 |
| SNCSTM210 | 50 | 0.75 | 0.67 | 3.27 | 1.94 | 1.13 | 3.39 | 0.63 | 4.02 | 4.61 | 5.91 | 1.93 | 1.46 | 3.54 | 2.2480 | 0.7480 | 0.9685 | 6402 | 4046 | SNC210 | STM 210 | 7.1 |
| SNCSTM210-32 | 2 | 0.75 | 0.67 | 3.27 | 1.94 | 1.13 | 3.39 | 0.63 | 4.02 | 4.61 | 5.91 | 1.93 | 1.46 | 3.54 | 2.2480 | 0.7480 | 0.9685 | 6402 | 4046 | SNC210-30 | STM 210 | 7.1 |
| SNCSTM211-32 | 2 | 0.98 | 0.75 | 4.02 | 2.52 | 1.38 | 3.75 | 0.87 | 5.12 | 5.71 | 6.73 | 2.52 | 1.50 | 4.17 | 2.5906 | 0.8740 | 1.0906 | 7931 | 5036 | SNC211-32 | STM 211 | 10.7 |
| SNCSTM211-34 | 2 1/8 | 0.98 | 0.75 | 4.02 | 2.52 | 1.38 | 3.75 | 0.87 | 5.12 | 5.71 | 6.73 | 2.52 | 1.50 | 4.17 | 2.5906 | 0.8740 | 1.0906 | 7931 | 5036 | SNC211-34 | STM 211 | 10.7 |
| SNCSTM211 | 55 | 0.98 | 0.75 | 4.02 | 2.52 | 1.38 | 3.75 | 0.87 | 5.12 | 5.71 | 6.73 | 2.52 | 1.50 |
Address
Luotuo Industrial Area, Zhenhai District, Ningbo City, China
Tel
