Swivel Nut Elbow Fitting-EW Hydraulic Fittings
The Swivel Nut Elbow Fitting-EW Hydraulic Fittings is a type of hydraulic fitting offered by EW Hydraulic Fittings. It is designed to provide a secure and leak-free connection between hydraulic hoses or tubes, particularly in applications where space is limited or a specific angle is required.The key feature of the Swivel Nut Elbow Fitting is its ability to rotate or swivel at the connection point. This allows for flexibility in positioning the hydraulic hoses or tubes, making it easier to install and route them in tight spaces or complex hydraulic systems.The Swivel Nut Elbow Fitting-EW Hydraulic Fittings consists of a male end with a swivel nut and a female end with a corresponding swivel nut. The swivel nuts have internal threads that can be connected to external threads on the hydraulic hoses or tubes. The male and female ends are connected by a 90-degree elbow, enabling the fitting to change the direction of the hydraulic flow.The Swivel Nut Elbow Fitting-EW Hydraulic Fittings is typically made from high-quality materials such as stainless steel, brass, or carbon steel, ensuring durability and resistance to corrosion. These fittings are designed to withstand high-pressure hydraulic systems and provide reliable performance in demanding applications.

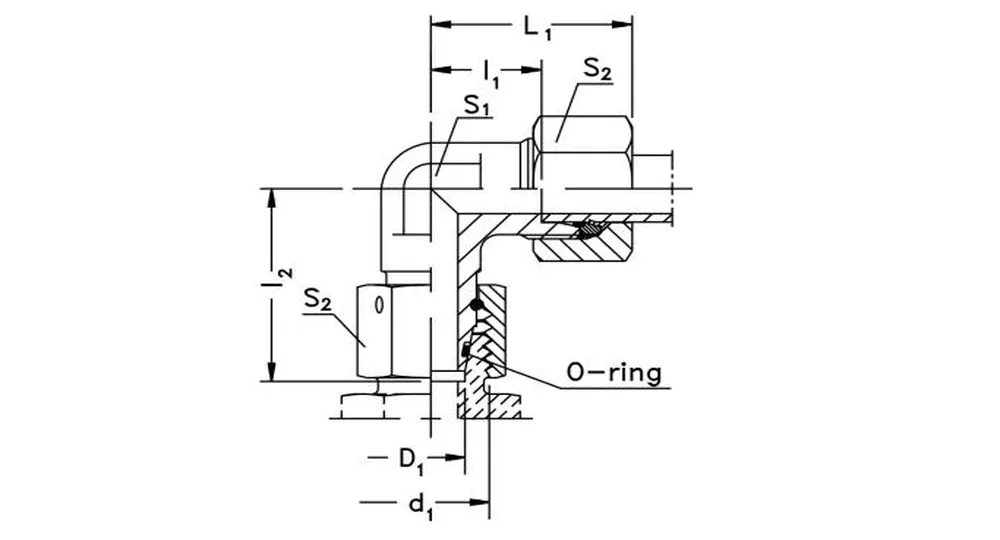
| EWPart No. | Series Working Pressure (bar/psi) | Tube o.d. | d1 thread | l1 | l2 | L1 | S1 | S2 | O-ring |
| EW06L | L Light 250 bar4560 psi | 6 | M12 x1.5 | 12 | 26 | 27 | 12 | 14 | OR4.5 x1.5 |
| EW08L | 8 | M14x1.5 | 14 | 27.5 | 29 | 12 | 17 | OR6.5 x1.5 | |
| EW10L | 10 | M16x1.5 | 15 | 29 | 30 | 14 | 19 | OR8x1.5 | |
| EW12L | 12 | M18x1.5 | 17 | 29.5 | 32 | 17 | 22 | OR10x1.5 | |
| EW15L | 15 | M22x1.5 | 21 | 32.5 | 36 | 19 | 27 | OR12x2 | |
| EW18L | 18 | M26x1.5 | 23.5 | 35.5 | 40 | 24 | 32 | OR15x2 | |
| EW22L | 160 bar 2320psi | 22 | M30 x2 | 27.5 | 38.5 | 44 | 27 | 36 | OR20x2 |
| EW28L | 28 | M36 x2 | 30.5 | 41.5 | 47 | 36 | 41 | OR26x2 | |
| EW35L | 35 | M45 x2 | 34.5 | 51 | 56 | 41 | 50 | OR32x2.5 | |
| EW42L | 42 | M52 x2 | 40 | 56 | 63 | 50 | 60 | OR38x2.5 | |
| EW06S | S Heavy 630bar 9130psi | 6 | M14x1.5 | 16 | 27 | 31 | 12 | 17 | OR4.5x1.5 |
| EW08S | 8 | M16x1.5 | 17 | 27.5 | 32 | 14 | 19 | OR6.5x1.5 | |
| EW10S | 10 | M18x1.5 | 17.5 | 30 | 34 | 17 | 22 | OR8x1.5 | |
| EW12S | 12 | M20x1.5 | 21.5 | 31 | 38 | 17 | 24 | OR10x1.5 | |
| EW14S | 14 | M22x1.5 | 22 | 35 | 40 | 19 | 27 | OR11x2 | |
| EW16S | 400 bar5800 psi | 16 | M24 x1.5 | 24.5 | 36.5 | 43 | 24 | 30 | OR13x2 |
| EW20S | 20 | M30 x2 | 26.5 | 44.5 | 48 | 27 | 36 | OR16.3x2.4 | |
| EW25S | 25 | M36 x2 | 30 | 50 | 54 | 36 | 46 | OR20.3x2.4 | |
| EW30S | 30 | M42 x2 | 35.5 | 55 | 62 | 41 | 50 | OR25.3x2.4 | |
| EW38S | 315 bar4560 psi | 38 | M52 x2 | 41 | 63 | 72 | 50 | 60 | OR33.3x2.4 |


Address
Luotuo Industrial Area, Zhenhai District, Ningbo City, China
Tel
