

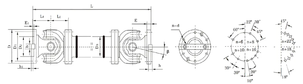
| Type | Tactical diameterDmm | Nominal torqueTnkN·m | Fatigue torqueTfkN·m | Axisangleβ(°) | Size(mm) | Rotaryinertiakg·m2 | Masskg | |||||||||||
| Lmin | D1js11 | D2H7 | D3 | E | E1 | B×h | h1 | L1 | n-d | Lmin | Increase 100 | Lmin | Increase100 | |||||
| SWP160D | 160 | 16 | 8 | ≤10 | 340 | 140 | 95 | 114 | 15 | 4 | 20×12 | 6 | 85 | 6-13 | 0.09 | 0.0056 | 35 | 2.1 |
| SWP180D | 180 | 20 | 10 | ≤10 | 380 | 155 | 105 | 121 | 15 | 4 | 24×14 | 7 | 95 | 6-15 | 0.16 | 0.0072 | 47 | 2.3 |
| SWP200D | 200 | 31.5 | 16 | ≤10 | 440 | 175 | 125 | 127 | 17 | 5 | 28×16 | 8 | 110 | 8-15 | 0.28 | 0.0114 | 67 | 3.4 |
| SWP225D | 225 | 40 | 20 | ≤10 | 520 | 196 | 135 | 152 | 20 | 5 | 32×18 | 9 | 130 | 8-17 | 0.53 | 0.0290 | 94 | 6.6 |
| SWP250D | 250 | 63 | 31.5 | ≤10 | 540 | 218 | 150 | 168 | 25 | 5 | 40×25 | 12.5 | 135 | 8-19 | 0.91 | 0.0407 | 140 | 7.3 |
| SWP285D | 285 | 90 | 45 | ≤10 | 600 | 245 | 170 | 194 | 27 | 7 | 40×30 | 15 | 150 | 8-21 | 1.91 | 0.0702 | 206 | 9.4 |
| SWP315D | 315 | 140 | 63 | ≤10 | 680 | 280 | 185 | 219 | 32 | 7 | 40×30 | 15 | 170 | 10-23 | 3.39 | 0.1144 | 271 | 12.0 |
| SWP350D | 350 | 180 | 90 | ≤10 | 740 | 310 | 210 | 245 | 35 | 8 | 50×32 | 16 | 185 | 10-23 | 5.35 | 0.1663 | 355 | 13.6 |
| SWP390D | 390 | 250 | 112 | ≤10 | 820 | 345 | 235 | 273 | 40 | 8 | 70×36 | 18 | 205 | 10-25 | 10.54 | 0.2695 | 501 | 18.0 |
| SWP435D | 435 | 355 | 160 | ≤10 | 940 | 385 | 255 | 299 | 42 | 10 | 80×40 | 20 | 235 | 16-28 | 18.56 | 0.3645 | 825 | 20.0 |
| SWP480D | 480 | 450 | 224 | ≤10 | 1060 | 425 | 275 | 351 | 47 | 12 | 90×45 | 22.5 | 265 | 16-31 | 31.69 | 0.7028 | 1144 | 28.0 |
| SWP550D | 550 | 710 | 315 | ≤10 | 1160 | 492 | 320 | 402 | 50 | 12 | 100×45 | 22.5 | 290 | 16-31 | 51.45 | 1.1842 | 1589 | 35.7 |
| SWP600D | 600 | 1000 | 500 | ≤10 | 1440 | 544 | 380 | 450 | 55 | 15 | 90×55 | 27.5 | 360 | 22-34 | 83.53 | 1.7159 | 2243 | 40.5 |
| SWP640D | 640 | 1250 | 630 | ≤10 | 1540 | 575 | 385 | 480 | 60 | 15 | 100×60 | 30 | 385 | 18-38 | 135.60 | 2.3080 | 3140 | 48.3 |
![]() | ![]() |

Address
Luotuo Industrial Area, Zhenhai District, Ningbo City, China
Tel
