

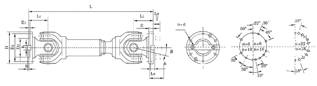
| Type | Tactical diameterDmm | Nominal torqueTnkN·m | Fatique torque TfkN·m | Axisangleβ(°) | StretchlengthSmm | Size(mm) | Rotaryinertiakg·m2 | Masskg | |||||||||
| L | D1js11 | D2H7 | D3 | E | E1 | B×h | h1 | L1 | n-d | ||||||||
| SWP160B | 160 | 16 | 8 | ≤10 | 50 | 585 | 140 | 95 | 114 | 15 | 4 | 20×12 | 6 | 85 | 6-13 | 0.14 | 44 |
| SWP180B | 180 | 20 | 10 | ≤10 | 60 | 640 | 155 | 105 | 121 | 15 | 4 | 24×14 | 7 | 95 | 6-15 | 0.23 | 54 |
| SWP200B | 200 | 31.5 | 16 | ≤10 | 70 | 730 | 175 | 125 | 17 | 17 | 5 | 28×16 | 8 | 110 | 8-15 | 0.36 | 75 |
| SWP225B | 225 | 40 | 20 | ≤10 | 76 | 830 | 196 | 135 | 152 | 20 | 5 | 32×18 | 9 | 130 | 8-17 | 0.61 | 108 |
| SWP250B | 250 | 63 | 31.5 | ≤10 | 80 | 860 | 218 | 150 | 168 | 25 | 5 | 40×25 | 12.5 | 135 | 8-19 | 0.98 | 138 |
| SWP285B | 285 | 90 | 45 | ≤10 | 100 | 1000 | 245 | 170 | 194 | 27 | 7 | 40×30 | 15 | 150 | 8-21 | 2.12 | 229 |
| SWP315B | 315 | 140 | 63 | ≤10 | 110 | 1120 | 280 | 185 | 219 | 32 | 7 | 40×30 | 15 | 170 | 10-23 | 3.80 | 309 |
| SWP350B | 350 | 180 | 90 | ≤10 | 120 | 1230 | 310 | 210 | 245 | 35 | 8 | 50×32 | 16 | 185 | 10-23 | 6.60 | 408 |
| SWP390B | 390 | 250 | 112 | ≤10 | 120 | 1310 | 345 | 235 | 273 | 40 | 8 | 70×36 | 18 | 205 | 10-25 | 10.50 | 539 |
| SWP435B | 435 | 355 | 160 | ≤10 | 150 | 1555 | 385 | 255 | 299 | 42 | 10 | 80×40 | 20 | 235 | 16-28 | 22.39 | 903 |
| SWP480B | 480 | 450 | 224 | ≤10 | 170 | 1740 | 425 | 275 | 351 | 47 | 12 | 90×45 | 22.5 | 265 | 16-31 | 38.21 | 1243 |
| SWP550B | 550 | 710 | 315 | ≤10 | 190 | 1905 | 492 | 320 | 402 | 50 | 12 | 100×45 | 22.5 | 290 | 16-31 | 61.00 | 1643 |
| SWP600B | 600 | 1000 | 500 | ≤10 | 210 | 2600 | 544 | 380 | 450 | 55 | 15 | 90×55 | 27.5 | 360 | 22-34 | 99.13 | 2335 |
| SWP640B | 640 | 1250 | 630 | ≤10 | 230 | 2780 | 575 | 385 | 480 | 60 | 15 | 100×60 | 30 | 385 | 18-38 | 170.21 | 2720 |
![]() | ![]() |

![]() | ![]() |
Address
Luotuo Industrial Area, Zhenhai District, Ningbo City, China
Tel
