

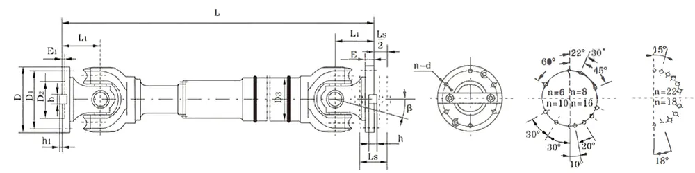
| Type | Tactical diameterDmm | Nominal torqueTnkN·m | Fatique torqueTfkN·m | Axisangleβ(°) | StretchlengthSmm | Size(mm) | Rotaryinertiakg·m2 | Masskg | |||||||||||
| Lmin | D1js11 | D2H7 | D3 | E | E1 | B×h | h1 | L1 | n-d | Lmin | Increase100 | Lmin | Increase100 | ||||||
| SWP160F | 160 | 16 | 8 | ≤10 | 150 | 770 | 140 | 95 | 114 | 15 | 4 | 20×12 | 6 | 85 | 6-13 | 0.14 | 0.0059 | 51 | 2.1 |
| SWP180F | 180 | 20 | 10 | ≤10 | 170 | 830 | 155 | 105 | 121 | 15 | 4 | 24×14 | 7 | 95 | 6-15 | 0.23 | 0.0072 | 64 | 2.3 |
| SWP200F | 200 | 31.5 | 16 | ≤10 | 190 | 950 | 175 | 125 | 17 | 17 | 5 | 28×16 | 8 | 110 | 8-15 | 0.40 | 0.0114 | 88 | 3.4 |
| SWP225F | 225 | 40 | 20 | ≤10 | 210 | 1070 | 196 | 135 | 152 | 20 | 5 | 32×18 | 9 | 130 | 8-17 | 0.66 | 0.0290 | 120 | 6.6 |
| SWP250F | 250 | 63 | 31.5 | ≤10 | 220 | 1110 | 218 | 150 | 168 | 25 | 5 | 40×25 | 12.5 | 135 | 8-19 | 1.06 | 0.0407 | 158 | 7.3 |
| SWP285F | 285 | 90 | 45 | ≤10 | 240 | 1270 | 245 | 170 | 194 | 27 | 7 | 40×30 | 15 | 150 | 8-21 | 2.24 | 0.0702 | 255 | 9.4 |
| SWP315F | 315 | 140 | 63 | ≤10 | 270 | 1410 | 280 | 185 | 219 | 32 | 7 | 40×30 | 15 | 170 | 10-23 | 3.99 | 0.1144 | 344 | 12.0 |
| SWP350F | 350 | 180 | 90 | ≤10 | 290 | 1540 | 310 | 210 | 245 | 35 | 8 | 50×32 | 16 | 185 | 10-23 | 6.90 | 0.1663 | 460 | 13.6 |
| SWP390F | 390 | 250 | 112 | ≤10 | 315 | 1680 | 345 | 235 | 273 | 40 | 8 | 70×36 | 18 | 205 | 10-25 | 11.90 | 0.2695 | 600 | 18.0 |
| SWP435F | 435 | 355 | 160 | ≤10 | 335 | 1880 | 385 | 255 | 299 | 42 | 10 | 80×40 | 20 | 235 | 16-28 | 22.41 | 0.3645 | 985 | 20.0 |
| SWP480F | 480 | 450 | 224 | ≤10 | 350 | 2080 | 425 | 275 | 351 | 47 | 12 | 90×45 | 22.5 | 265 | 16-31 | 39.09 | 0.7028 | 1365 | 28.0 |
| SWP550F | 550 | 710 | 315 | ≤10 | 360 | 2230 | 492 | 320 | 402 | 50 | 12 | 100×45 | 22.5 | 290 | 16-31 | 62.12 | 1.1842 | 1785 | 35.7 |
| SWP600F | 600 | 1000 | 500 | ≤10 | 370 | 2800 | 544 | 380 | 450 | 55 | 15 | 90×55 | 27.5 | 360 | 22-34 | 100.48 | 1.7159 | 2403 | 40.5 |
| SWP640F | 640 | 1250 | 630 | ≤10 | 380 | 2920 | 575 | 385 | 480 | 60 | 15 | 100×60 | 30 | 385 | 18-38 | 168.28 | 2.3080 | 3207 | 48.3 |


Address
Luotuo Industrial Area, Zhenhai District, Ningbo City, China
Tel
