Weld Elbow-WAS Hydraulic Fittings
Weld Elbow-WAS Hydraulic Fittings are a new type of hydraulic fitting that offers a number of advantages over traditional hydraulic fittings. Weld Elbow-WAS fittings are welded to the hydraulic tubing, which creates a permanent, leak-proof connection. This makes them ideal for high-pressure and high-temperature applications.
Weld Elbow-WAS Hydraulic fittings are also very strong and durable. They are made from high-quality materials and are designed to withstand the rigors of demanding hydraulic systems. Weld Elbow-WAS fittings are also available in a wide range of sizes and configurations, making them suitable for a variety of applications.


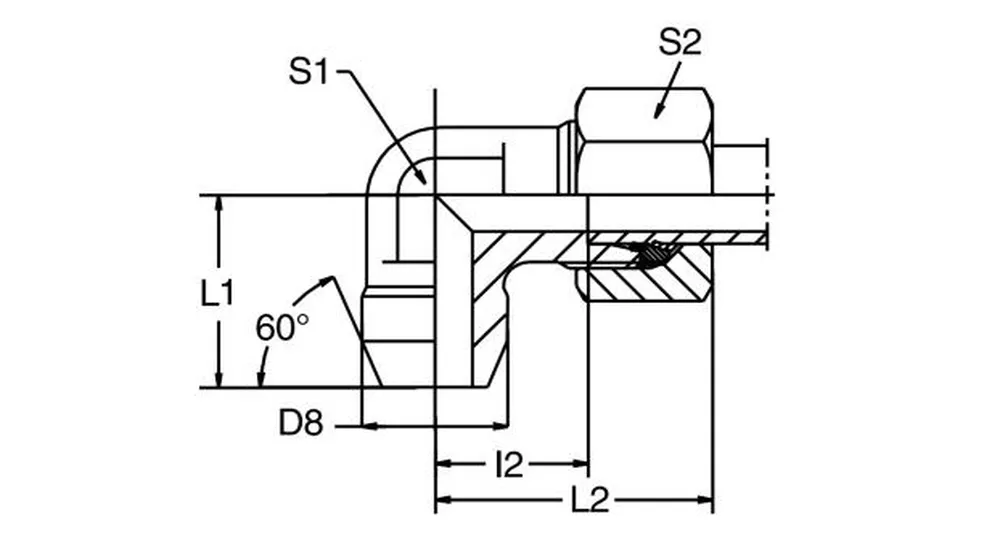
| WASPart No. | Series Working Pressure (bar/psi) | Tube O.D. | L1 | L2 | l2 | S1 | S2 | D |
| -WAS06L | L light 315 bar4560 psi | 6 | 19 | 27 | 12 | 14 | 12 | 10 |
| -WAS08L | 8 | 23 | 29 | 14 | 17 | 12 | 12 | |
| -WAS10L | 10 | 24 | 30 | 15 | 19 | 14 | 14 | |
| -WAS12L | 12 | 25 | 32 | 17 | 22 | 17 | 16 | |
| -WAS15L | 15 | 30 | 36 | 21 | 27 | 19 | 19 | |
| -WAS18L | 18 | 33 | 40 | 23.5 | 32 | 24 | 22 | |
| -WAS22L | 160 bar2320 psi | 22 | 37 | 44 | 27.5 | 36 | 27 | 27 |
| -WAS28L | 28 | 42 | 47 | 30.5 | 41 | 36 | 32 | |
| -WAS35L | 35 | 49 | 56 | 34.5 | 50 | 41 | 40 | |
| -WAS42L | 42 | 57 | 63 | 40 | 60 | 50 | 46 | |
| -WAS06S | S heavy 630 Bar9130 psi | 6 | 23 | 31 | 16 | 17 | 12 | 11 |
| -WAS08S | 8 | 24 | 32 | 17 | 19 | 14 | 13 | |
| -WAS10S | 10 | 25 | 34 | 17.5 | 22 | 17 | 15 | |
| -WAS12S | 12 | 29 | 38 | 21.5 | 24 | 17 | 17 | |
| -WAS14S | 14 | 30 | 40 | 22 | 27 | 19 | 19 | |
| -WAS16S | 400 bar5800 psi | 16 | 33 | 43 | 24.5 | 30 | 24 | 21 |
| -WAS20S | 20 | 37 | 48 | 26.5 | 36 | 27 | 26 | |
| -WAS25S | 25 | 42 | 54 | 30 | 46 | 36 | 31 | |
| -WAS30S | 30 | 49 | 62 | 35.5 | 50 | 41 | 36 | |
| -WAS38S | 315bar 4560psi | 38 | 57 | 72 | 41 | 60 | 50 | 44 |


Address
Luotuo Industrial Area, Zhenhai District, Ningbo City, China
Tel
