XTB60 Bushings for Conveyor Pulleys
XTB60 bushings are mechanical components that are used to connect conveyor pulleys to shafts. They are designed to fit over the pulley shaft and provide a secure, tight connection between the pulley and the shaft. XTB60 bushings are high-quality, durable bushings that are used in a variety of applications, including conveyor systems, and other industrial machinery. They are made of 1045-grade steel and have a strict quality control process to ensure that they are consistent and reliable. XTB60 bushings come in a variety of sizes, with bores ranging from 5-7/16" to 6". They are also available in steel or gray cast iron material.

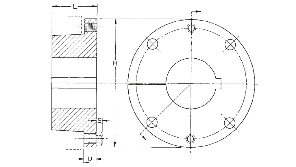
| Bushing Part No. | XTB60 Bushings | |
| Dimensions | L | 4 1/8" |
| U | 1 1/8" | |
| H | 11 15/16" | |
| S | 9/16" | |
| Cap Screws | No | 4 |
| Size | 7/8" X 2 1/2" | |
| Wt lbs | 42.8 | |
| Bushing Part No. | Stock Bores | Keyseat | Key Supplied |
| XTB60 Bushing | 5 7/16", 5 1/2"5 15/16", 6" | 1 1/4" X 5/8"1 1/2" X 3/4" | nonenone |


![]() | ![]() |
Address
Luotuo Industrial Area, Zhenhai District, Ningbo City, China
Tel
