XTB15 Bushings for Conveyor Pulleys
This XTB 15 bushing features a 1-1/4" bore and is a high-quality, durable bushing. A few things that are special about this bushing is the 1045-grade steel construction and strict quality control to ensure you always get a premium, consistent product. We also offer the accompanying product types that are manufactured to accept these types of bushings. XTB15 bushings are commonly used in a variety of applications, including conveyors, hoists, and winches. They are a versatile and reliable type of bushing that can provide years of service.

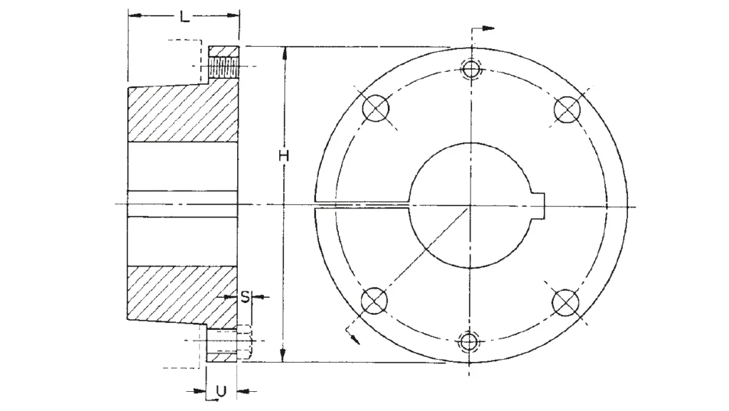
| Bushing Part No. | XTB15 Bushings | |
| Dimensions | L | 1 1/8" |
| U | 3/8" | |
| H | 2 7/8" | |
| S | 5/32" | |
| Cap Screws | No | 4" |
| Size | 1/4" X 1" | |
| Wt lbs | 0.7 | |
| Bushing Part No. | Stock Bores | Keyseat | Key Supplied |
| XTB15 Bushing | 5/8", 3/4", 7/8"1", 1 1/8",1 13/16", 1 1/4",1 7/16", 1 1/2" | 3/16" X 3/32"1/4" X 1/8"3/8" X 1/8" | nonenone3/8" x 5/16" x 1 1/8" |
![]() | ![]() |
![]() | ![]() |
| XT Bushings | Split Taper Bushings |
![]() | ![]() |
Address
Luotuo Industrial Area, Zhenhai District, Ningbo City, China
Tel
