XTB40 Bushings for Conveyor Pulleys
XTB40 bushings are a type of bushing used in conveyor pulleys. They are designed to fit over the shaft of a conveyor pulley and provide a secure mounting point for the pulley to rotate around.The XTB40 bushings are made from high-quality materials such as steel or ductile iron, and they are designed to withstand the high loads and stresses that are generated by conveyor systems. They typically have a tapered design that allows them to be easily installed and removed from the shaft of the pulley.One of the benefits of using XTB40 bushings is that they provide a secure and reliable mounting point for the pulley, which helps to improve the overall performance and efficiency of the conveyor system. Additionally, they can help to reduce maintenance and downtime by providing a longer service life than other types of bushings.

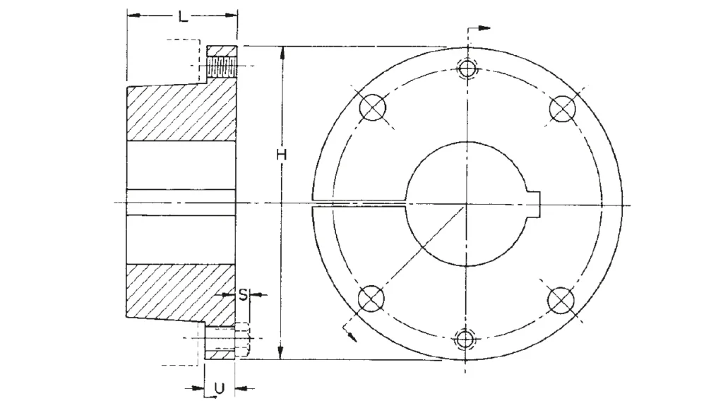
| Bushing Part No. | XTB40 Bushings | |
| Dimensions | L | 2 13/16" |
| U | 7/8" | |
| H | 7 1/8" | |
| S | 3/8" | |
| Cap Screws | No | 4 |
| Size | 9/16" X 2" | |
| Wt lbs | 10.5 | |
| Bushing Part No. | Stock Bores | Keyseat | Key Supplied |
| XTB40 Bushing | 2 7/16",2 15/16",3 7/16",3 15/16" | 5/8" X 5/16"3/4" X 3/8"7/8" X 7/16"1" x 3/8" | nonenonenone1" x 7/8" x 2 3/4" |
![]() | ![]() |

![]() | ![]() |
Address
Luotuo Industrial Area, Zhenhai District, Ningbo City, China
Tel
