XTB45 Bushings for Conveyor Pulleys
XTB45 bushing with a bore is a precision-manufactured bushing made for XT-type hubs. XTB45 bushings are utilized in a variety of applications, such as belt pulleys, sprockets, and drums. Because our XTB bushings are manufactured from high-quality materials, the installation process and removal process is easy. For more information or to get a quote on XTB45 bushings with a bore, contact our customer service team, and we will be happy to assist you.

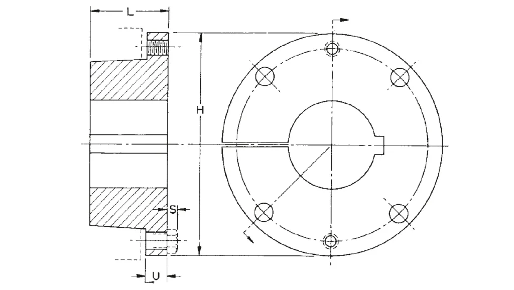
| Bushing Part No. | XTB45 Bushings | |
| Dimensions | L | 3 5/16" |
| U | 15/16" | |
| H | 8" | |
| S | 1 3/32" | |
| Cap Screws | No | 4 |
| Size | 5/8" X 2 1/4" | |
| Wt lbs | 14.8 | |
| Bushing Part No. | Stock Bores | Keyseat | Key Supplied |
| XTB45 Bushing | 3 7/16",3 15/16",4 7/16" | 7/8" X 7/16"1" X 1/2"1" X 3/8" | nonenone1" x 7/8" x 3 1/4" |

![]() | ![]() |
![]() | ![]() |
Address
Luotuo Industrial Area, Zhenhai District, Ningbo City, China
Tel
