XTB25 Bushings for Conveyor Pulleys
The XTB25 bushings are a type of locking device used to connect conveyor pulleys to drive shafts. These bushings are designed to provide a secure and reliable connection between the pulley and the shaft, preventing slippage and ensuring smooth and efficient power transmission.XTB25 bushings are typically made of steel and feature a tapered design that allows them to be easily mounted onto the end of a shaft. They are also equipped with an integral keyway that provides additional torque transmission capacity and reduces the risk of shaft damage.One of the key advantages of XTB25 bushings is their ease of installation. Unlike other types of locking devices, such as keyless bushings or shrink discs, XTB25 bushings do not require any special tools or equipment to install. Instead, they can be easily mounted onto the shaft using a standard hex key or torque wrench.Overall, XTB25 bushings are a popular choice for conveyor pulleys and other applications where a secure and reliable shaft-to-pulley connection is required.

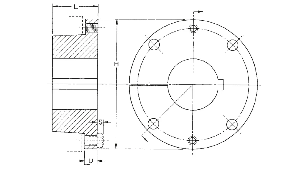
| Bushing Part No. | XTB25 Bushings | |
| Dimensions | L | 1 7/8" |
| U | 5/8" | |
| H | 4 7/16" | |
| S | 1/4" | |
| Cap Screws | No | 4 |
| Size | 3/8" X 1 3/4" | |
| Wt lbs | 2.6 | |
| Bushing Part No. | Stock Bores | Keyseat | Key Supplied |
| XTB25 Bushing | 1", 1 3/16", 1 1/4"1 7/16",1 1/2", 1 11/16", 1 3/4"1 15/16", 2", 2 3/16"2 7/16" | 1/4" X 1/8"3/8" X 3/16"1/2" X 1/4"5/8" X 1/4" | nonenonenone5/8" x 7/16" x 1 3/4" |
![]() | ![]() |

![]() | ![]() |
Address
Luotuo Industrial Area, Zhenhai District, Ningbo City, China
Tel
