XTB35 Bushings for Conveyor Pulleys
XTB35 bushings are a type of locking device used to mount conveyor pulleys onto shafts. The XTB35 bushing consists of two main parts: a tapered split bushing and a set of cap screws. The XTB35 bushing is split into two halves with a taper on the inside surface. When the cap screws are tightened, they push the two halves together and force the taper to grip tightly onto the shaft. This creates a secure and precise fit between the pulley and the shaft, preventing slippage and ensuring efficient power transmission.XTB35 bushings are commonly used in conveyor systems, where pulleys need to be mounted and replaced quickly and easily. The split design of the bushing allows for simple installation and removal, without the need for any special tools or equipment. They are also resistant to corrosion and wear, making them a durable and long-lasting solution for conveyor pulley mounting.

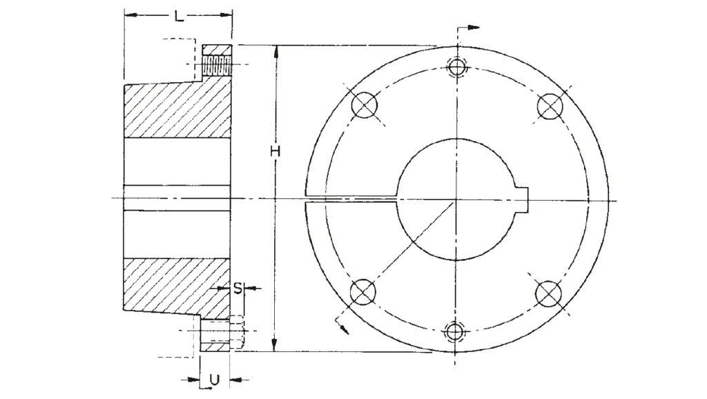
| Bushing Part No. | XTB35 Bushings | |
| Dimensions | L | 2 15/32" |
| U | 25/32" | |
| H | 6 5/16" | |
| S | 5/16" | |
| Cap Screws | No | 4 |
| Size | 1/2" X 1 3/4" | |
| Wt lbs | 7.4 | |
| Bushing Part No. | Stock Bores | Keyseat | Key Supplied |
| XTB35 Bushing | 1 15/16", 23/16",2 7/16", 2 11/16",2 15/16",3 7/16" | 1/2" X 1/4"5/8" X 5/16"3/4" X 3/8"7/8" X 5/16" | nonenonenone7/8" x 3/4" x2 1/2" |
![]() | ![]() |
![]() | ![]() |
Address
Luotuo Industrial Area, Zhenhai District, Ningbo City, China
Tel
