XTB30 Bushings for Conveyor Pulleys
XTB30 bushings are a type of bushing used in conveyor pulleys to provide a secure and reliable connection between the pulley and the shaft. These bushings are typically made of steel and are designed to fit tightly around the shaft of the conveyor pulley.The XTB30 bushing is a specific type of bushing that is designed to fit a shaft with a diameter of 2 inches. The "XTB" in the name stands for "XTREME TORQUE BUSHING," which refers to its ability to handle high torque loads.One of the key features of XTB30 bushings is their ability to be quickly and easily installed and removed. They are designed with a split barrel that allows them to be compressed and expanded to fit tightly around the shaft without the need for additional tools or equipment.XTB30 bushings are commonly used in heavy-duty conveyor applications where high torque loads are present, such as in mining, aggregate, and bulk material handling operations. They are designed to provide reliable and long-lasting performance, even in harsh operating environments.

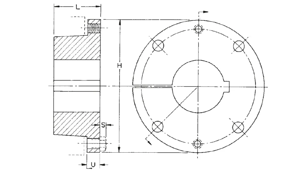
| Bushing Part No. | XTB30 Bushings | |
| Dimensions | L | 2 1/16" |
| U | 1 1/16" | |
| H | 5 5/16" | |
| S | 9/32" | |
| Cap Screws | No | 4 |
| Size | 7/16" X 1 1/2" | |
| Wt lbs | 4.2 | |
| Bushing Part No. | Stock Bores | Keyseat | Key Supplied |
| XTB30 Bushing | 1 7/16", 1 1/2", 1 11/16"1 15/16",2 3/16",2 7/16", 2 11/16"2 15/16" | 3/8" X 3/16"1/2" X 1/4"5/8" X 5/16"3/4" X 3/16" | nonenonenone3 3/4" x 9/16" x 2" |

![]() | ![]() |
| XT Bushings | Taper Lock Bushings |
![]() | ![]() |
Address
Luotuo Industrial Area, Zhenhai District, Ningbo City, China
Tel
