XTB20 Bushings for Conveyor Pulleys
XTB20 bushings feature a 1-15/16" bore and are a high-quality, durable bushing. They are made of 1045-grade steel or gray cast iron and have a flanged outer diameter. The bore size of the bushing can vary depending on the application. XTB20 bushings are designed to provide smooth, reliable operation in conveyor systems. They are also resistant to wear and tear, making them a long-lasting option. XTB20 bushings are used in a variety of conveyor systems, including belt conveyors, roller conveyors, and screw conveyors. They are also used in other applications where smooth, reliable operation is required, such as in machinery and equipment.

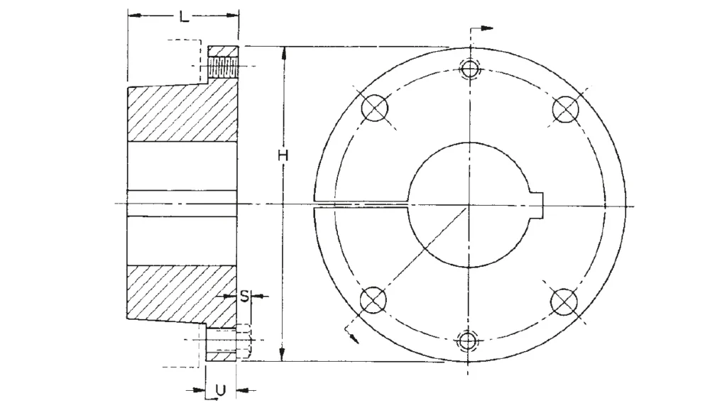
| Bushing Part No. | XTB20 Bushings | |
| Dimensions | L | 1 13/32" |
| U | 15/32" | |
| H | 3 3/4" | |
| S | 7/32" | |
| Cap Screws | No | 4 |
| Size | 5/16" X 1 1/4" | |
| Wt lbs | 1.5 | |
| Bushing Part No. | Stock Bores | Keyseat | Key Supplied |
| XTB20 Bushing | 3/4"1", 13/16", 1 1/4"17/16", 1 1/2",1 15/16", 2" | 3/16" X 3/32"1/4" X 1 /8"3/8" X 3/16"1/2" X 3/16" | nonenonenone1/2" x 7/16" x 1 3/8" |
![]() | ![]() |
![]() | ![]() |
![]() | ![]() |
Address
Luotuo Industrial Area, Zhenhai District, Ningbo City, China
Tel
