4KH Series 4-way Hydraulic Ball Valves
4KH Series 4-way hydraulic ball valves are a type of valve that is used to control the flow of hydraulic fluid in a system. They have four ports, which allow them to be used in a variety of applications, such as diverting fluid between two different circuits, selecting between two different sources of fluid, or combining two streams of fluid into one.
4KH Series 4-way hydraulic ball valves are known for their durability, reliability, and leak-tight performance. They are made with high-quality materials and construction, and they are rigorously tested to ensure that they meet the highest standards.


![]() | Item | Name | Material | |
| Stainless Steel | Carbon Steel | |||
| 1 | Fittings | SS 316 / SS 304 | A105 / 45# | |
| 2 | O-ring | FKM | NBR | |
| 3 | Packing | POM / PEEK | POM | |
| 4 | Stem | SS 316 / SS 304 | A105 / 45# | |
| 5 | O-ring | POM / PEEK | POM | |
| 6 | stop Pin | SS 316 / SS 304 | A105 / 45# | |
| 7 | Washer | SS 316 / SS 304 | A105 / 45# | |
| 8 | Body | SS 316 / SS 304 | A105 / 45# | |
| 9 | Ball | SS 316 / SS 304 | A105 / 45# | |

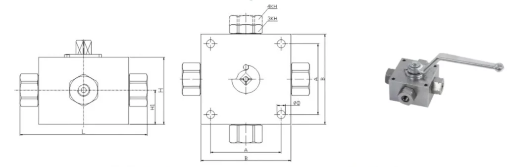
![]() | Part NO. | PN | DN | Dimension(mm) | |||||||
| DM | L | H | H1 | A | B | D | L1 | ||||
| 4KH-FG2 | 500 | 04 | G1/8 | 100 | 52 | 26.5 | 55 | 70 | 6.5 | 13 | |
| 4KH-FG4 | 500 | 06 | G1/4 | 100 | 55 | 28 | 65 | 80 | 6.5 | 13 | |
| 4KH-FG6 | 500 | 10 | G3/8 | 115 | 55 | 28 | 65 | 80 | 6.5 | 13 | |
| 4KH-FG8 | 500 | 13 | G1/2 | 135 | 60 | 30 | 80 | 99 | 8.7 | 15 | |
| 4KH-FG12 | 315 | 20 | G3/4 | 148 | 71 | 37 | 85 | 112 | 8.7 | 17 | |
| 4KH-FG16 | 315 | 25 | G1 | 172 | 79 | 42.5 | 105 | 124 | 11 | 19 | |
| 4KH-FG20 | 315 | 32 | G11/4 | 180 | 79 | 42.5 | 105 | 124 | 11 | 20 | |
| 4KH-FG24 | 315 | 40 | G11/2 | 230 | 107 | 57.5 | 150 | 198 | 14.5 | 24 | |
![]() | Part NO. | PN | DN | Dimension(mm) | |||||||
| DM | L | H | H1 | A | B | D | L1 | ||||
| 4KH-FN2 | 500 | 04 | NPT1/8 | 105 | 52 | 26.5 | 55 | 70 | 6.5 | 12 | |
| 4KH-FN4 | 500 | 06 | NPT1/4 | 105 | 55 | 28 | 65 | 80 | 6.5 | 17 | |
| 4KH-FN6 | 500 | 10 | NPT3/8 | 115 | 55 | 28 | 65 | 80 | 6.5 | 17 | |
| 4KH-FN8 | 500 | 13 | NPT1/2 | 140 | 60 | 30 | 80 | 99 | 8.7 | 22 | |
| 4KH-FN12 | 315 | 20 | NPT3/4 | 154 | 71 | 37 | 85 | 112 | 8.7 | 23 | |
| 4KH-FN16 | 315 | 25 | NPT1 | 183 | 79 | 42.5 | 105 | 124 | 11 | 27 | |
| 4KH-FN20 | 315 | 32 | NPT11/4 | 190 | 79 | 42.5 | 105 | 124 | 11 | 28 | |
| 4KH-FN24 | 315 | 40 | NPT11/2 | 236 | 107 | 57.5 | 150 | 198 | 14.5 | 33 | |
![]() | PartNO. | PN | DN | Dimension(mm) | |||||||
| DM | L | H | H1 | A | B | D | L1 | ||||
| 4KH-06LR | 500 | 04 | M12*1.5 | 105 | 52 | 26.5 | 55 | 70 | 6.5 | 7 | |
| 4KH-08LR | 500 | 06 | M14*1.5 | 105 | 55 | 28 | 65 | 80 | 6.5 | 7 | |
| 4KH-10LR | 500 | 08 | M16*1.5 | 114 | 55 | 28 | 65 | 80 | 6.5 | 8 | |
| 4KH-12LR | 500 | 10 | M18*1.5 | 114 | 55 | 28 | 65 | 80 | 6.5 | 8 | |
| 4KH-15LR | 315 | 13 | M22*1.5 | 136 | 60 | 30 | 80 | 99 | 8.7 | 9 | |
| 4KH-18LR | 315 | 13 | M26*1.5 | 136 | 60 | 30 | 80 | 99 | 8.7 | 9 | |
| 4KH-22LR | 315 | 20 | M30*2 | 152 | 71 | 37 | 85 | 112 | 8.7 | 11 | |
| 4KH-28LR | 315 | 25 | M36*2 | 170 | 79 | 42.5 | 105 | 124 | 11 | 11 | |
| 4KH-35LR | 315 | 25 | M45*2 | 174 | 79 | 42.5 | 105 | 124 | 11 | 13 | |
| 4KH-42LR | 315 | 40 | M52*2 | 246 | 107 | 57.5 | 150 | 198 | 14.5 | 13 | |
![]() | Part NO. | PN | DN | Dimension(mm) | |||||||
| DM | L | H | H1 | A | B | D | L1 | ||||
| 4KH-08SR | 500 | 04 | M16*1.5 | 105 | 52 | 26.5 | 55 | 70 | 6.5 | 9 | |
| 4KH-10SR | 500 | 06 | M18*1.5 | 105 | 55 | 28 | 65 | 80 | 6.5 | 9 | |
| 4KH-12SR | 500 | 08 | M20*1.5 | 116 | 55 | ||||||
Address
Luotuo Industrial Area, Zhenhai District, Ningbo City, China
Tel
