Adjustable Lock Nut Branch Tee-TEE-R Hydraulic Fittings
Adjustable Lock Nut Branch Tee-TEE-R Hydraulic Fittings are a type of hydraulic fitting that allows you to connect three hydraulic lines together. They are called Tee-TEE-R fittings because they have three connections, one for each of the three lines. The adjustable lock nut feature allows you to adjust the tightness of the connection to prevent leaks.
Adjustable Lock Nut Branch Tee-TEE-R Hydraulic Fittings are typically used in high-pressure hydraulic systems, such as those found in construction equipment, agricultural machinery, and industrial manufacturing equipment. They are also used in some automotive applications, such as high-performance cars and trucks.
Adjustable Lock Nut Branch Tee-TEE-R Hydraulic Fittings are available in a variety of sizes and materials, including steel, stainless steel, and brass. They are also available with a variety of different connection types, such as male-threaded, female-threaded, and flanged.


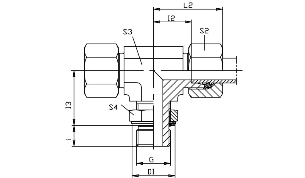
| TEE-RPart NO. | Series Working Pressure(bar/psi) | Tube O.d | Gmale thread | L2 | l2 | l3 | i | D1 | S2 | S3 | S4 |
| TEE06LR | L light 315 bar 4560psi | 6 | G 1/8A | 29 | 14 | 20 | 7 | 15 | 14 | 14 | 14 |
| TEE08LR | 8 | G 1/4A | 31 | 16 | 22 | 10 | 18 | 17 | 14 | 17 | |
| TEE10LR | 10 | G 1/4A | 32 | 17 | 25 | 9 | 20 | 19 | 19 | 19 | |
| TEE12LR | 12 | G 3/8A | 34 | 19 | 26 | 9 | 23 | 22 | 19 | 22 | |
| TEE15LR | 15 | G 1/2A | 36 | 21 | 30 | 11 | 25 | 27 | 22 | 24 | |
| TEE18LR | 250bar 3625psi | 18 | G 1/2A | 40 | 24 | 33 | 11 | 28 | 32 | 27 | 27 |
| TEE22LR | 160 bar 2320psi | 22 | G 3/4A | 44 | 28 | 35 | 14 | 33 | 36 | 30 | 32 |
| TEE28LR | 28 | G1A | 47 | 31 | 38 | 14 | 41 | 41 | 36 | 41 | |
| TEE35LR | 35 | G1 1/4 A | 59 | 38 | 48 | 14 | 51 | 50 | 50 | 50 | |
| TEE42LR | 42 | G1 1/2 A | 61 | 38 | 49 | 16 | 56 | 60 | 50 | 55 | |
| TEE06SR | S heavy 315 bar 4650psi | 6 | G 1/4A | 30 | 15 | 22 | 10 | 18 | 17 | 14 | 17 |
| TEE08SR | 8 | G 1/4A | 32 | 17 | 26 | 10 | 20 | 19 | 19 | 19 | |
| TEE10SR | 10 | G 3/8A | 34 | 18 | 27 | 11 | 23 | 22 | 19 | 22 | |
| TEE12SR | 12 | G 3/8A | 38 | 22 | 31 | 12 | 25 | 24 | 22 | 24 | |
| TEE16SR | 250bar3625psi | 16 | G 1/2A | 43 | 25 | 35 | 14 | 28 | 30 | 27 | 27 |
| TEE20SR | 20 | G 3/4A | 49 | 28 | 39 | 16 | 33 | 36 | 30 | 32 | |
| TEE25SR | 160 bar2320 psi | 25 | G 1A | 54 | 30 | 44 | 16 | 41 | 46 | 36 | 41 |
| TEE30SR | 30 | G 1 1/4A | 62 | 36 | 51 | 17 | 51 | 50 | 50 | 50 | |
| TEE38SR | 38 | G1 1/2A | 65 | 34 | 54 | 19 | 56 | 60 | 50 | 55 |
Adjustable Lock Nut Branch Tee-TEE-R Hydraulic Fittings offer a number of benefits over other types of hydraulic fittings, including:
1. Easy installation and removal: The adjustable lock nut feature makes it easy to install and remove the fittings without damaging the hoses or other components.2. Durability: Adjustable Lock Nut Branch Tee-TEE-R Hydraulic Fittings are made from high-quality materials and are designed to withstand high pressures and temperatures.3. Leak-proof: The adjustable lock nut feature and the tight seal between the fitting and the hose helps to prevent leaks.4. Reliability: Adjustable Lock Nut Branch Tee-TEE-R Hydraulic Fittings are reliable and can be used in a variety of applications.5. Versatility: Adjustable Lock Nut Branch Tee-TEE-R Hydraulic Fittings are available in a variety of sizes and materials to meet the needs of different applications.Here are some specific examples of the benefits of using Adjustable Lock Nut Branch Tee-TEE-R Hydraulic Fittings:
(1) In a construction setting, Adjustable Lock Nut Branch Tee-TEE-R Hydraulic Fittings can be used to connect hydraulic lines on excavators, bulldozers, and other heavy machinery. The durability and leak-proof features of these fittings are essential in this demanding environment.(2) In an agricultural setting, Adjustable Lock Nut Branch Tee-TEE-R Hydraulic Fittings can be used to connect hydraulic lines on tractors, harvesters, and other farm equipment. The versatility and affordability of these fittings make them a good choice for farmers and ranchers.(3) In an industrial setting, Adjustable Lock Nut Branch Tee-TEE-R Hydraulic Fittings can be used to connect hydraulic lines on manufacturing equipment, machine tools, and other industrial machinery. The reliability and durability of these fittings are essential in these high-pressure and high-temperature environments.Overall, Adjustable Lock Nut Branch Tee-TEE-R Hydraulic Fittings offer a number of benefits over other types of hydraulic fittings. They are easy to install and remove, durable, leak-proof, reliable, and versatile. They are also relatively affordable. These benefits make them a good choice for a variety of applications, including construction, agricultural, and industrial settings.


Address
Luotuo Industrial Area, Zhenhai District, Ningbo City, China
Tel
