Adjustable Lock Nut Elbow-WEE-M Hydraulic Fittings
The Adjustable Lock Nut Elbow-WEE-M Hydraulic Fittings are a type of hydraulic connector used in fluid power systems. These fittings are designed to provide a secure and leak-free connection between hydraulic hoses or tubes and other components in the system.The key feature of the Adjustable Lock Nut Elbow-WEE-M Hydraulic Fittings is its ability to adjust the orientation of the connected hose or tube. This flexibility allows for easier installation and alignment of hydraulic lines in tight spaces or complex configurations. The lock nut mechanism ensures that once the desired orientation is achieved, it remains securely fixed in place, preventing accidental loosening or rotation.These Adjustable Lock Nut Elbow-WEE-M Hydraulic Fittings are commonly used in applications where there is a need to route hydraulic lines at different angles or where space constraints make it challenging to maintain a straight-line connection. Industries such as construction, agriculture, manufacturing, and transportation often employ these fittings in hydraulic systems to optimize the routing of fluid lines and maximize efficiency.When selecting Adjustable Lock Nut Elbow-WEE-M Hydraulic Fittings, it is important to consider factors such as the fitting size, pressure rating, and compatibility with the hydraulic fluid being used. It is recommended to consult the manufacturer's specifications and guidelines to ensure proper selection and installation of these fittings to maintain the integrity and performance of the hydraulic system.

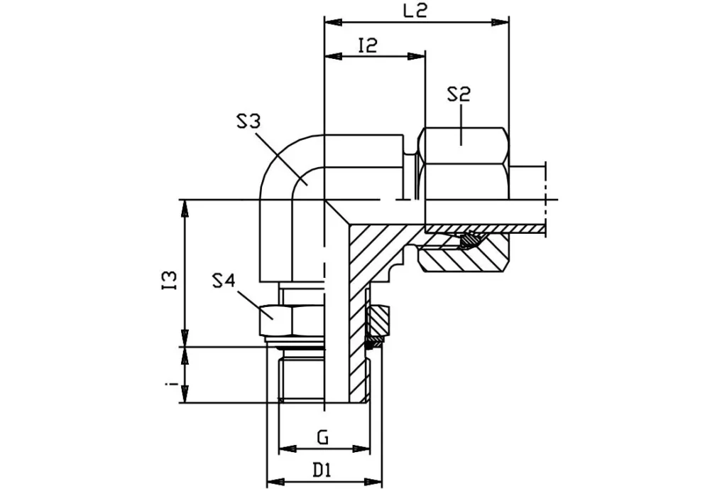
| WEE-MPart NO. | Series Working Pressure(bar/psi) | Tube O.d | Gmale thread | L2 | l2 | l3 | i | D1 | S2 | S3 | S4 |
| WEE06LM | L light 315 bar 4560psi | 6 | M10x1 | 29 | 14 | 20 | 7 | 15 | 14 | 14 | 14 |
| WEE08LM | 8 | M12x1.5 | 31 | 16 | 22 | 10 | 18 | 17 | 14 | 17 | |
| WEE10LM | 10 | M14x1.5 | 32 | 17 | 25 | 9 | 20 | 19 | 19 | 19 | |
| WEE12LM | 12 | M16x1.5 | 34 | 19 | 26 | 9 | 23 | 22 | 19 | 22 | |
| WEE15LM | 15 | M18x1.5 | 36 | 21 | 30 | 11 | 25 | 27 | 22 | 24 | |
| WEE18LM | 250bar3625psi | 18 | M22x1.5 | 40 | 24 | 33 | 11 | 28 | 32 | 27 | 27 |
| WEE22LM | 160 bar 2320psi | 22 | M27x2 | 44 | 28 | 35 | 14 | 33 | 36 | 30 | 32 |
| WEE28LM | 28 | M33x2 | 47 | 31 | 38 | 14 | 41 | 41 | 36 | 41 | |
| WEE35LM | 35 | M42x2 | 59 | 38 | 48 | 14 | 51 | 50 | 50 | 50 | |
| WEE42LM | 42 | M48x2 | 61 | 38 | 49 | 16 | 56 | 60 | 50 | 55 | |
| WEE06SM | S heavy 315 bar 4650psi | 6 | M12x1.5 | 30 | 15 | 22 | 10 | 18 | 17 | 14 | 17 |
| WEE08SM | 8 | M14x1.5 | 32 | 17 | 26 | 10 | 20 | 19 | 19 | 19 | |
| WEE10SM | 10 | M16x1.5 | 34 | 18 | 27 | 11 | 23 | 22 | 19 | 22 | |
| WEE12SM | 12 | M18x1.5 | 38 | 22 | 31 | 12 | 25 | 24 | 22 | 24 | |
| WEE16SM | 250bar 3625psi | 16 | M22x1.5 | 43 | 25 | 35 | 14 | 28 | 30 | 27 | 27 |
| WEE20SM | 20 | M27x2 | 49 | 28 | 39 | 16 | 33 | 36 | 30 | 32 | |
| WEE25SM | 160 bar2320 psi | 25 | M33x2 | 54 | 30 | 44 | 16 | 41 | 46 | 36 | 41 |
| WEE30SM | 30 | M42x2 | 62 | 36 | 51 | 17 | 51 | 50 | 50 | 50 | |
| WEE38SM | 38 | M48x2 | 65 | 34 | 54 | 19 | 56 | 60 | 50 | 55 |
![]() | ![]() |

Address
Luotuo Industrial Area, Zhenhai District, Ningbo City, China
Tel
