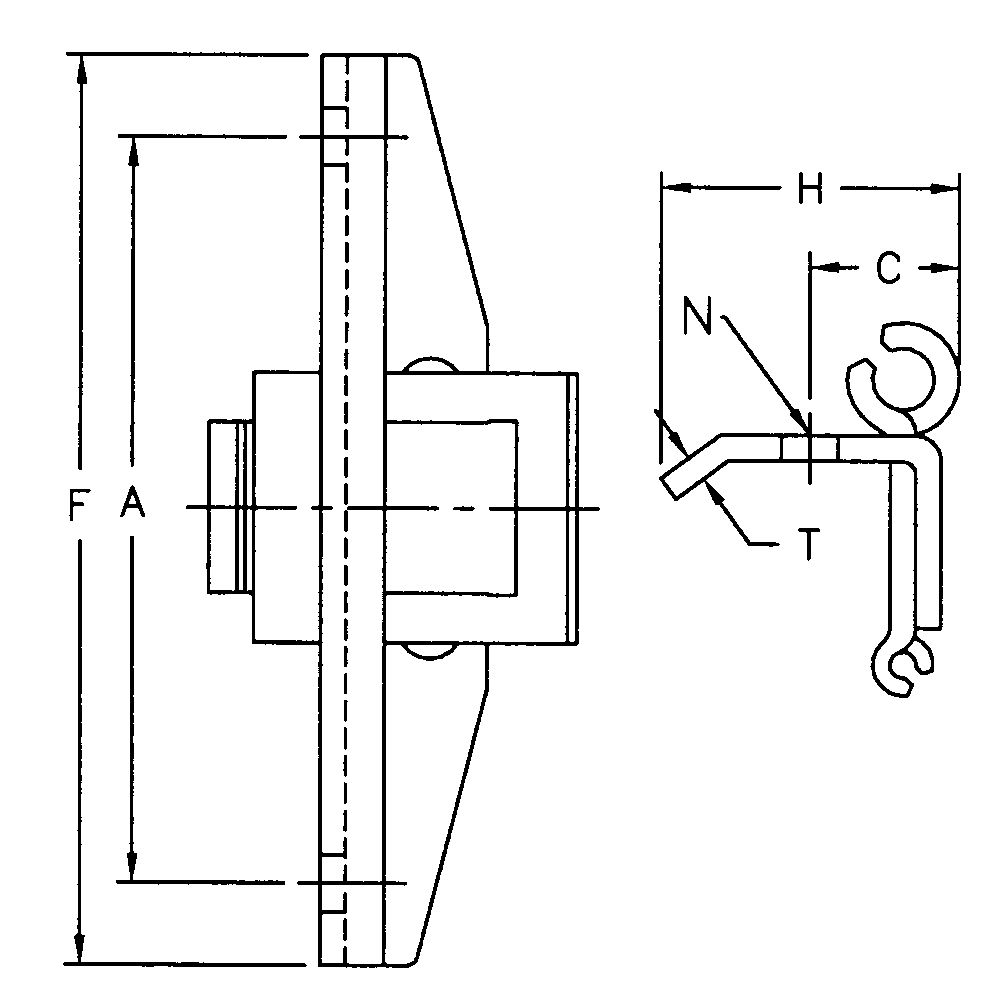
Agricultural Steel Detachable Chain 62-SFS1 With SFS1 Attachment


Att. No. | Chain No. | A | C | F | H | N | T |
SFS1 | 62 | 4.313 | .875 | 5.250 | 1.500 | .328 | .148 |

| 62 Detachable Chain with SH Attachment | 62 Detachable Chain with A1 Attachment | 62 Detachable Chain with SD Attachment |
![]() | ![]() | ![]() |
| 62 Detachable Chain with G27 Attachment | 62 Detachable Chain with C1 Attachment | 62 Detachable Chain with HB4 Attachment |
![]() | ![]() | ![]() |

![]() | ![]() |
| Step 1: Pick a spot to do the disassembly and release any tension and tensioning devices on the equipment, it is recommended that the chain is straight for easiest disassembly. | Step 2: Rotate chain to required position to allow for the barrel it to easily slide freely out of the hook portion of the chain. |
![]() | ![]() |
| Step 3: Once the right position is reached, it should be easy to disassemble the chain by simply sliding the barrel out and off to the side. | Results: Your steel detachable chain should now be disassembled and ready to be adjusted or taken off the equipment. |
![]() | ![]() |


Address
Luotuo Industrial Area, Zhenhai District, Ningbo City, China
Tel
