Assembled Adjustable Swivel Brunch Tee-ET-M-ED Hydraulic Fittings
Assembled Adjustable Swivel Brunch Tee-ET-M-ED Hydraulic Fittings are a specific type of hydraulic fitting that is used to connect three hydraulic hoses together in a T-shaped configuration. They are typically made of steel or brass, and they have a swivel design that allows them to be rotated to any angle.
The "Brunch Tee" portion of the name refers to the fact that these fittings have a unique design that allows them to be easily adjusted to fit different hose diameters. This makes them ideal for use in a variety of applications, such as construction, agriculture, and manufacturing.
The "ET-M-ED" portion of the name refers to the specific type of hydraulic hose that these fittings are designed to be used with. ET-M-ED hoses are a type of high-pressure hydraulic hose that is commonly used in industrial applications.
Assembled Adjustable Swivel Brunch Tee-ET-M-ED Hydraulic Fittings are typically used in applications where it is necessary to connect three hydraulic hoses together in a T-shaped configuration and where the hoses need to be able to rotate to different angles. Some examples of applications where these fittings are commonly used include:
These fittings are available in a variety of sizes and configurations to meet the needs of different applications. They are also available in a variety of materials, such as steel, brass, and stainless steel.


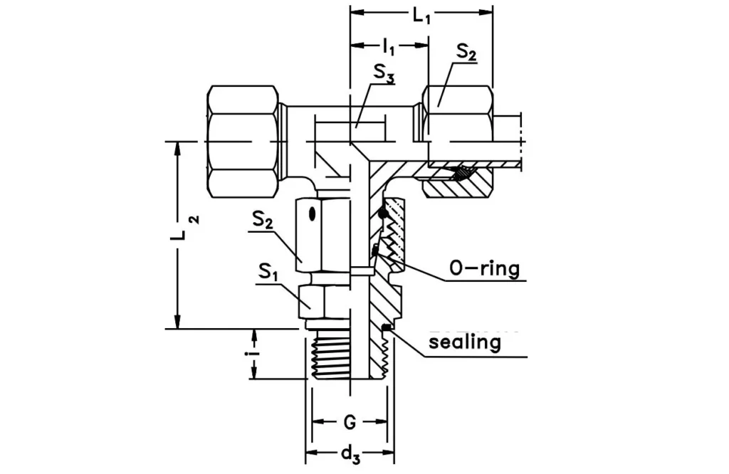
| ET-MPart NO. | SeriesWorkingPressure (bar/psi) | Tube O.d | Gmale thread | d3 | i | l1 | L1 | L2 | S1 | S2 | S3 |
| ET06LMED | L Light 315 bar4560 psi | 6 | M10 x1 | 14 | 8 | 12 | 27 | 34.5 | 14 | 14 | 12 |
| ET08LMED | 8 | M12 x1.5 | 19 | 12 | 14 | 29 | 37.5 | 19 | 17 | 12 | |
| ET10LMED | 10 | M14x1.5 | 19 | 12 | 15 | 30 | 40 | 19 | 19 | 14 | |
| ET12LMED | 12 | M16x1.5 | 22 | 12 | 17 | 32 | 42 | 22 | 22 | 17 | |
| ET15LMED | 15 | M18x1.5 | 27 | 12 | 21 | 36 | 46.5 | 27 | 27 | 19 | |
| ET18LMED | 18 | M22x1.5 | 27 | 14 | 23.5 | 40 | 50 | 27 | 32 | 24 | |
| ET22LMED | 160 bar 2320psi | 22 | M26x1.5 | 32 | 16 | 27.5 | 44 | 55 | 32 | 36 | 27 |
| ET28LMED | 28 | M33x2 | 40 | 18 | 30.5 | 47 | 59 | 41 | 41 | 36 | |
| ET35LMED | 35 | M42x2 | 50 | 20 | 34.5 | 56 | 68.5 | 50 | 50 | 41 | |
| ET42LMED | 42 | M48x2 | 55 | 22 | 40 | 63 | 75 | 55 | 60 | 50 | |
| ET06SMED | S Heavy 630 bar9130 psi | 6 | M12 x1.5 | 19 | 12 | 16 | 31 | 40 | 19 | 17 | 12 |
| ET08SMED | 8 | M14x1.5 | 19 | 12 | 17 | 32 | 42.5 | 19 | 19 | 14 | |
| ET10SMED | 10 | M16x1.5 | 22 | 12 | 17.5 | 34 | 45 | 22 | 22 | 17 | |
| ET12SMED | 12 | M18x1.5 | 22 | 12 | 21.5 | 38 | 48 | 22 | 24 | 17 | |
| ET14SMED | 14 | M20x1.5 | 27 | 14 | 22 | 40 | 54 | 27 | 27 | 19 | |
| ET16SMED | 16 | M22x1.5 | 27 | 14 | 24.5 | 43 | 55 | 27 | 30 | 24 | |
| ET20SMED | 400 bar5800 psi | 20 | M27 x2 | 32 | 16 | 26.5 | 48 | 65 | 32 | 36 | 27 |
| ET25SMED | 25 | M33x2 | 40 | 18 | 30 | 54 | 73 | 41 | 46 | 36 | |
| ET30SMED | 30 | M42x2 | 50 | 20 | 35.5 | 62 | 78.5 | 50 | 50 | 41 | |
| ET38SMED | 315 bar4560 psi | 38 | M48x2 | 55 | 22 | 41 | 72 | 89 | 55 | 60 | 50 |


Address
Luotuo Industrial Area, Zhenhai District, Ningbo City, China
Tel
