Assembled Adjustable Swivel Elbow-EW-M-ED Hydraulic Fittings
Assembled Adjustable Swivel Elbow-EW-R-ED Hydraulic Fittings are a versatile and reliable type of hydraulic fitting that can be used in a variety of applications. They are made from high-quality materials and are designed to withstand the harsh environments in which they are often used.
These Assembled Adjustable Swivel Elbow-EW-R-ED Hydraulic Fittings feature a swivel design that allows them to be rotated to the desired position, even after they have been installed. This makes them ideal for applications where flexibility is important. The adjustable elbow feature allows the angle of the fitting to be adjusted, which can be helpful for accommodating tight spaces or for changing the direction of flow.
Assembled Adjustable Swivel Elbow-EW-R-ED Hydraulic Fittings are available in a variety of sizes and configurations to meet the needs of a wide range of applications. They are commonly used in industrial and agricultural equipment, as well as in construction and mining equipment.
Here are some of the key benefits of using Assembled Adjustable Swivel Elbow-EW-R-ED Hydraulic Fittings:


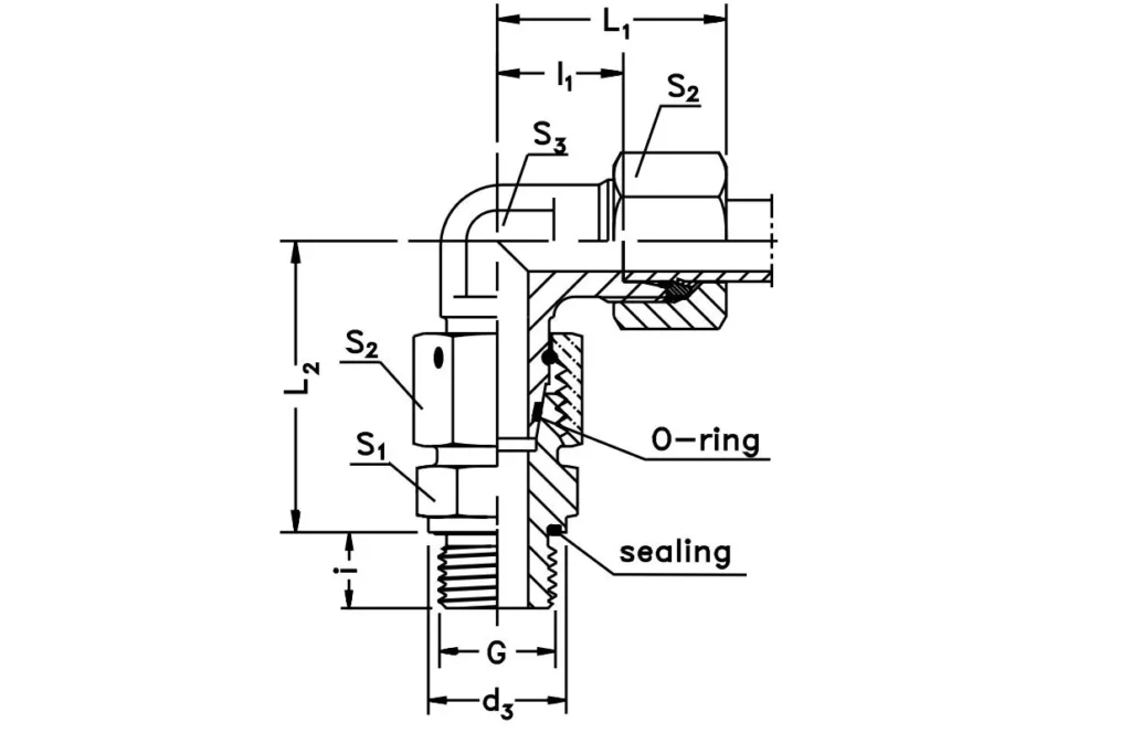
| EW-MPart NO. | SeriesWorkingPressure (bar/psi) | Tube O.d | Gmale thread | d3 | i | l1 | L1 | L2 | S1 | S2 | S3 |
| EW06LMED | L Light 315 bar4560 psi | 6 | M10 x1 | 14 | 8 | 12 | 27 | 34.5 | 14 | 14 | 12 |
| EW08LMED | 8 | M12 x1.5 | 19 | 12 | 14 | 29 | 37.5 | 19 | 17 | 12 | |
| EW10LMED | 10 | M14x1.5 | 19 | 12 | 15 | 30 | 40 | 19 | 19 | 14 | |
| EW12LMED | 12 | M16x1.5 | 22 | 12 | 17 | 32 | 42 | 22 | 22 | 17 | |
| EW15LMED | 15 | M18x1.5 | 27 | 12 | 21 | 36 | 46.5 | 27 | 27 | 19 | |
| EW18LMED | 18 | M22x1.5 | 27 | 14 | 23.5 | 40 | 50 | 27 | 32 | 24 | |
| EW22LMED | 160 bar 2320psi | 22 | M26x1.5 | 32 | 16 | 27.5 | 44 | 55 | 32 | 36 | 27 |
| EW28LMED | 28 | M33x2 | 40 | 18 | 30.5 | 47 | 59 | 41 | 41 | 36 | |
| EW35LMED | 35 | M42x2 | 50 | 20 | 34.5 | 56 | 68.5 | 50 | 50 | 41 | |
| EW42LMED | 42 | M48x2 | 55 | 22 | 40 | 63 | 75 | 55 | 60 | 50 | |
| EW06SMED | S Heavy 630 bar9130 psi | 6 | M12 x1.5 | 19 | 12 | 16 | 31 | 40 | 19 | 17 | 12 |
| EW08SMED | 8 | M14x1.5 | 19 | 12 | 17 | 32 | 42.5 | 19 | 19 | 14 | |
| EW10SMED | 10 | M16x1.5 | 22 | 12 | 17.5 | 34 | 45 | 22 | 22 | 17 | |
| EW12SMED | 12 | M18x1.5 | 22 | 12 | 21.5 | 38 | 48 | 22 | 24 | 17 | |
| EW14SMED | 14 | M20x1.5 | 27 | 14 | 22 | 40 | 54 | 27 | 27 | 19 | |
| EW16SMED | 16 | M22x1.5 | 27 | 14 | 24.5 | 43 | 55 | 27 | 30 | 24 | |
| EW20SMED | 400 bar5800 psi | 20 | M27 x2 | 32 | 16 | 26.5 | 48 | 65 | 32 | 36 | 27 |
| EW25SMED | 25 | M33x2 | 40 | 18 | 30 | 54 | 73 | 41 | 46 | 36 | |
| EW30SMED | 30 | M42x2 | 50 | 20 | 35.5 | 62 | 78.5 | 50 | 50 | 41 | |
| EW38SMED | 315 bar4560 psi | 38 | M48x2 | 55 | 22 | 41 | 72 | 89 | 55 | 60 | 50 |
Assembled adjustable swivel elbow-EW-M-ED hydraulic fittings are high-pressure fittings that are used in a variety of applications, such as industrial hydraulic systems, construction equipment, and agricultural machinery. They are known for their durability and reliability, but they do require regular maintenance to ensure optimal performance and longevity.
Here are some tips for maintaining assembled adjustable swivel elbow-EW-M-ED hydraulic fittings:
1. Inspect the fittings regularly for signs of wear and tear. Look for cracks, dents, or other damage to the body of the hydraulic fitting, as well as any signs of corrosion or erosion. If you find any damage, the fitting should be replaced immediately.2. Check the threads on the fitting to make sure they are clean and free of debris. If the threads are dirty or damaged, the fitting may not seal properly, which can lead to leaks.3. Tighten the fitting to the specified torque. Overtightening can damage the hydraulic fittings or the threads, while under-tightening can lead to leaks.4. Lubricate the threads of the fitting with a light coat of grease. This will help to prevent corrosion and make it easier to tighten and loosen the fitting in the future.In addition to the above tips, there are a few other things you can do to extend the life of your assembled adjustable swivel elbow-EW-M-ED hydraulic fittings:
5. Avoid using the fittings in applications where they will be exposed to excessive heat or vibration. Extreme temperatures and vibration can weaken the metal and lead to premature failure.6. If the fittings are being used in a dirty or corrosive environment, clean them regularly to prevent dirt and grime from building up. You can use a mild soap and water solution to clean the hydraulic fittings, and you should dry them thoroughly afterward.7. Store the fittings in a clean, dry place when they are not in use. This will help to prevent corrosion and other damage.![]() | ![]() |

Address
Luotuo Industrial Area, Zhenhai District, Ningbo City, China
Tel
