

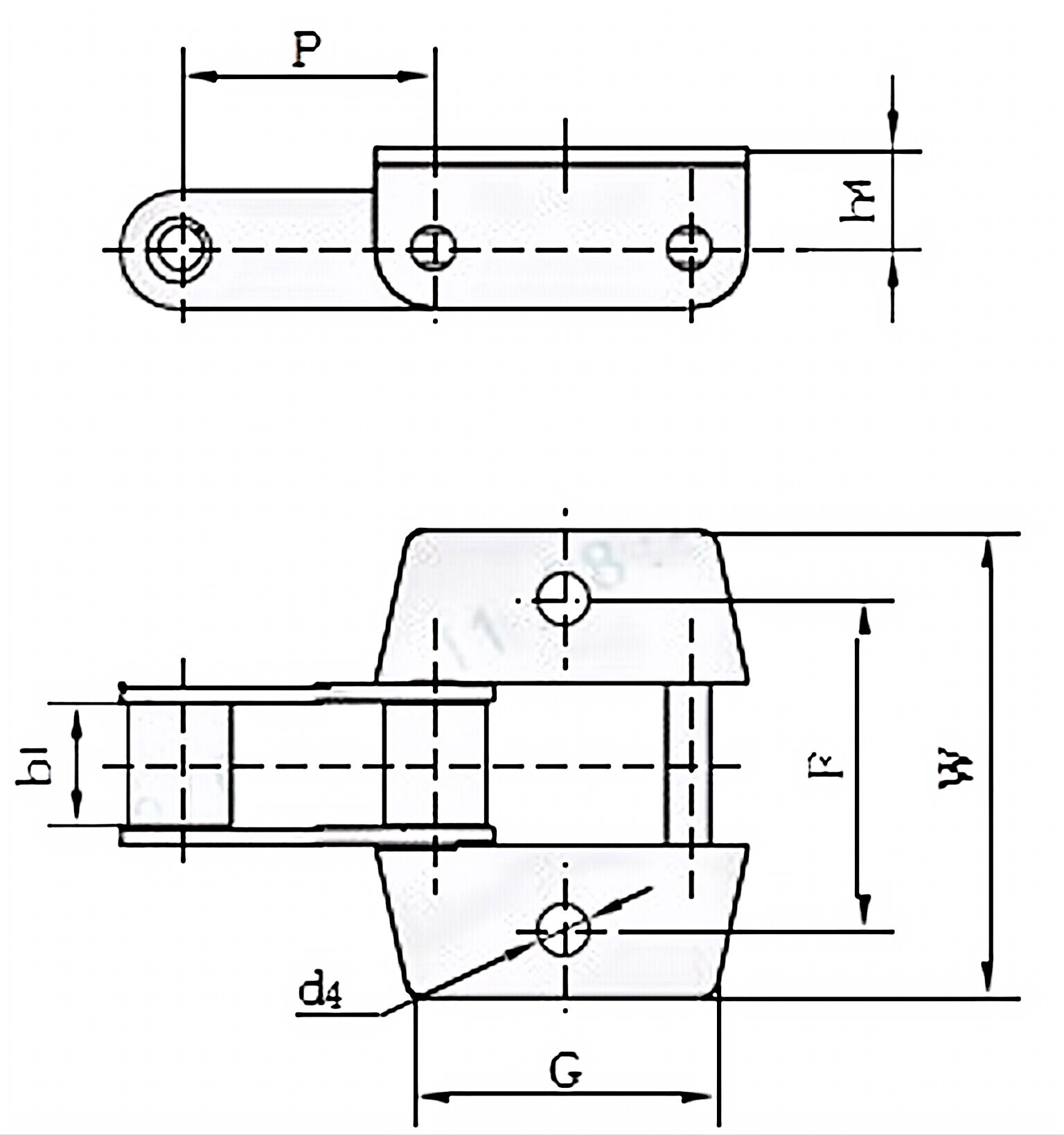
Chain No. | P | b1 | G | F | W | h4 | d4 |
mm | mm | mm | mm | mm | mm | mm | |
CA550K1F4 | 41.40 | 19.81 | 48.5 | 54.0 | 76.20 | 16.5 | 8.5 |
CA550VK1F3 | 41.40 | 19.05 | 56.0 | 54.0 | 75.54 | 16.5 | 8.5 |
CA550K1F6 | 41.40 | 19.81 | 48.5 | 54.0 | 76.20 | 16.5 | 10.5 |
CA550K18 | 41.40 | 19.81 | 22.6 | 54.0 | 71.60 | 12.7 | 8.5 |
CA620A1F1 | 42.01 | 24.51 | 63.5 | 67.7 | 91.70 | 16.1 | 10.5 |
38.4VK1F8 | 38.40 | 18.00 | 40.0 | 57.0 | 86.00 | 16.0 | 10.5 |
38.4VBF5 | 38.40 | 19.05 | 40.0 | 57.0 | 86.00 | 14.0 | 10.5 |
38.4VBF6 | 38.40 | 19.05 | 20.0 | 57.0 | 75.00 | 16.0 | 8.6 |
38.4VBF7 | 38.40 | 19.05 | 40.0 | 58.5 | 86.60 | 14.0 | 10.5 |
CA620WK1F1 | 42.01 | 24.51 | 62.2 | 69.0 | 90.80 | 16.2 | 10.3 |
Please click on the photos below to visit their websites.

Address
Luotuo Industrial Area, Zhenhai District, Ningbo City, China
Tel
