

| ANSI Chain Size: | CA550 Chain (CA550 Roller Chain) |
| Chain Material: | Carbon/Alloy |
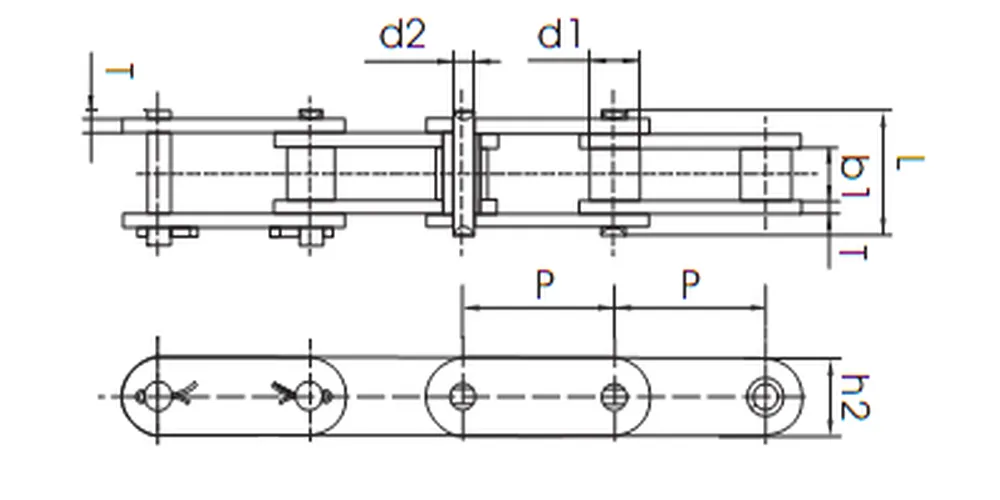
| Pitch (P): | 1.630'' |
| Inner Width (b1): | 0.780'' |
| Roller Diameter (d1): | 0.656'' |
| Overall Width (L): | 1.504'' |
| Pin Diameter (d2): | 0.283" |
| Link Plate Height (h2): | 0.760" |
| Link Plate Thickness (T): | 0.106'' |
| Average Tensile Strength: | 12,500 lbs |
| Max Working Load: | 1,500 lbs |
| No. Of Pitches/Links Per 10 Feet: | 74 |
| No. Of Connecting Links Included: | 1 |

![]() | ![]() |
| CA550 Chain Connecting Link (Master Link) | CA550 Chain Offset Link |
![]() | ![]() |
| CA550 Chain Roller Link | CA550 Roller Chain Breaker Tool |
![]() | ![]() |
![]() | ![]() |
![]() | ![]() | ![]() |
| CA550 Roller Chain A1D Attachment | CA550 Roller Chain C5E Attachment | CA550 Roller Chain K1 Attachment |
![]() | ![]() | ![]() |
| CA550 Roller Chain A4 Attachment | CA550 Roller Chain F5S Attachment | CA550 Roller Chain A18 Attachment |


Address
Luotuo Industrial Area, Zhenhai District, Ningbo City, China
Tel
