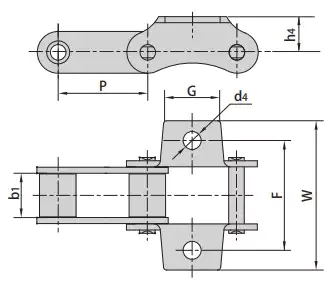
![]() | ![]() |
| Chain No. | P | b1 | G | F | W | h4 | d4 |
| mm | mm | mm | mm | mm | mm | mm | |
| CA550F1 | 41.4 | 19.81 | 22.23 | 53.95 | 70.6 | 12.7 | 9.90 |
| CA550K19F3 | 41.4 | 19.81 | 25.50 | 50.80 | 68.4 | 16.5 | 8.33 |
| CA550VK19F1 | 41.4 | 19.05 | 25.50 | 50.80 | 67.8 | 16.5 | 8.33 |
| CA557AK4 | 41.4 | 20.24 | 26.19 | 50.80 | 69.4 | 16.5 | 8.33 |
| CA550F20K19 | 41.4 | 20.24 | 22.00 | 50.80 | 71.0 | 12.7 | 9.75 |
| CA557AK4F1 | 41.4 | 20.24 | 26.00 | 53.50 | 80.6 | 16.5 | 10.70 |
Our agricultural chain can be widely used in factory production lines, such as sugar, rubber, automobiles, cement, rice mills, food, meat, beverage, and milk processing lines, and electronic and mechanical product assembly lines. Agriculture, pharmaceuticals, chemical plants, packaging, and logistics can also play a good role.
More than 20 years of advanced technology and experience will give us strong support for the Agricultural Chain you need. We will quickly understand your need for the product and give a quick response and good service. Many cases of our products will show you that it is worth your trust.Under the entire quality control system, our products go through the precise product line and strict testing. We have excellent working flow and standards to ensure stability and products reliable enough for use.Taking our scale economy, raw material superiority, and client sincerity into account, our prices have great competitiveness. They are good value and more cost-effective than you imagine.We sincerely hope to establish long and friendly business relations with clients from all over the world. Our goal is not just to provide products but also a complete solution, including product design, tooling, fabrication, and service, for our customers to achieve their utmost satisfaction.Address
Luotuo Industrial Area, Zhenhai District, Ningbo City, China
Tel
