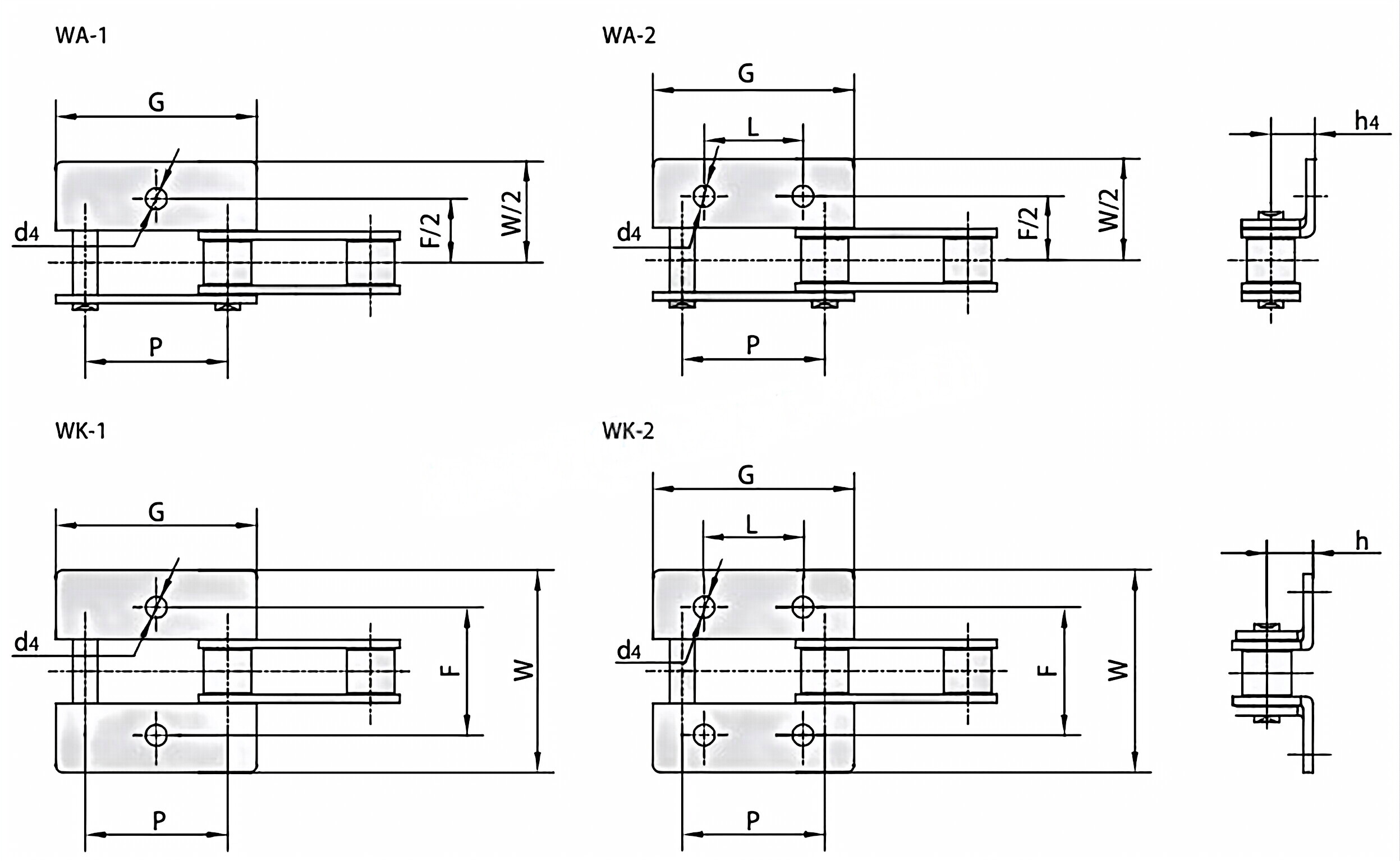
Double Pitch Conveyor Chains Attachments WA-1 WA-2 WK-1 WK-2
Double Pitch Conveyor Chain Attachment is similar to standard ANSI roller chains except that they are longer and have a double pitch. A wide range of attachments can be combined with standard double pitch conveyor chains. Ever power manufactures double-pitch chains attachments as well as double-pitch chains with different pitch levels.Double pitch conveyor chains are designed for light to medium duty material handling. They have longer plates and meet the same standard specifications as a standard roller chain, but are suited for less demanding applications.




Address
Luotuo Industrial Area, Zhenhai District, Ningbo City, China
Tel
