[ninja_tables id="403679"]DS 80-TG-SS Double Strand Stainless Steel Conveyor Chains with Top Rollers are used in various industries for transporting materials and products.
The DS 80-TG-SS Double Strand Stainless Steel Conveyor Chains with Top Rollers consists of chains and top rollers. These chains are available in single strand, double strand, and multiple strands, and are designed to carry different weights and loads.
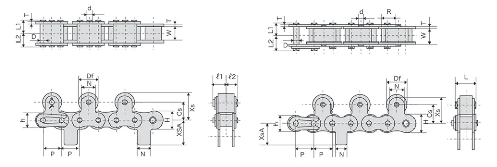
The chain is the core component of the conveyor chain with top rollers. It consists of multiple chain links that are connected to each other. The chain is used to carry materials and transfer power.
The top roller is installed on the chain and is used to support the materials and prevent them from falling off during transportation. The bearings are installed on the top rollers to support and rotate them.

The DS 80-TG-SS Double Strand Stainless Steel Conveyor Chains with Top Rollers are designed to provide reliable and efficient material transportation for a wide range of applications. With high-quality stainless steel material, sturdy top rollers, and heat-treated and pre-stressed chains, these chains offer a long service life and excellent performance.

The DS 80-TG-SS Double Strand Stainless Steel Conveyor Chains with Top Rollers are widely used in various industries, including:

The installation of the DS 80-TG-SS Double Strand Stainless Steel Conveyor Chains with Top Rollers involves the following steps:

Stainless steel sprockets are an important component of the conveyor chain system. They are used to transmit power and motion from one chain to another. Our company offers a wide range of stainless steel sprockets for chains, which are designed to match the specifications of the DS 80-TG-SS Double Strand Stainless Steel Conveyor Chains with Top Rollers, ensuring reliable and efficient performance.

Raydafon is a professional chain manufacturer that specializes in standard chains and custom-designed chains. Our DS 80-TG-SS Double Strand Stainless Steel Conveyor Chains with Top Rollers are manufactured in compliance with strict ANSI/DIN/ISO standards. These chains are designed with sturdy top rollers to provide a long service life. In addition, our chains are heat-treated and pre-stressed to ensure reliability and durability.
Our chains are made of high-quality alloy steel and are punched and extruded through precision technology. The pins, bushings, and rollers are processed by highly efficient automated equipment and automatic grinding equipment, and then heat-treated by carburizing, carbon and nitrogen protected mesh belt furnace, and surface sandblasting process. Assembly accuracy is ensured by bore positioning, spinning, etc. Pressure riveting is used to ensure the performance of the whole chain.
We have a team of experienced professionals who can provide quick market response, flexible and modernized production and operation modes, and excellent and considerate after-sales service. Our products are exported to Europe, Japan, the United States, Canada, Southeast Asia, and other countries and regions. We encourage customers to explore our products and contact us for purchases.

Address
Luotuo Industrial Area, Zhenhai District, Ningbo City, China
Tel
