Female Connector-GAI-M Hydraulic Fittings
Female Connector-GAI-M Hydraulic Fittings are a type of high-pressure hydraulic fitting that is used to connect a tube to a port. They are typically made of steel or stainless steel and have a female metric thread on one end and a 24° cone end on the other. Female Connector-GAI-M Hydraulic Fittings are known for their durability and reliability and are widely used in a variety of industries, including construction, agriculture, and manufacturing.

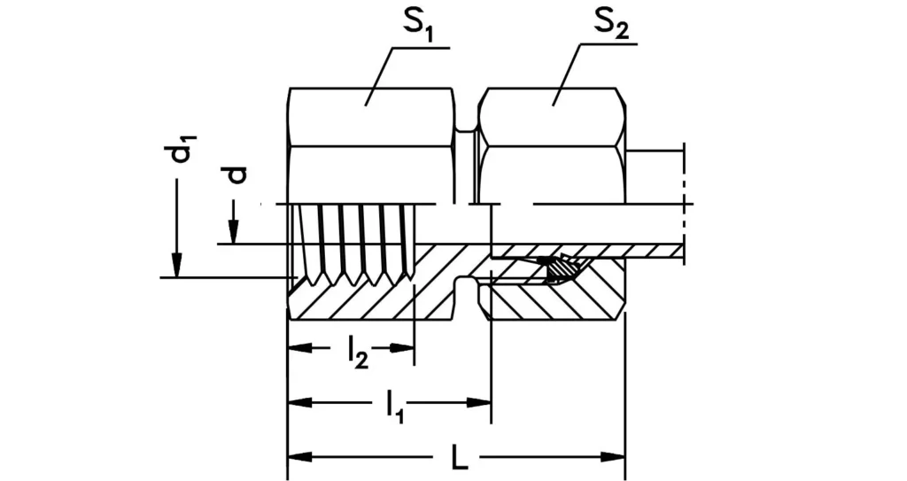
| GAI-MPart no. | Series Working Pressure(bar/psi) | Tubeo.d. | d1 BSPPthread | d | l1 | l2 | L | S1 | S2 |
| -GAI06LM | L light 315 bar4560 psi | 6 | M10x1 | 4 | 19.5 | 12.5 | 34 | 14 | 14 |
| -GAI08LM | 8 | M12x1.5 | 6 | 24 | 17 | 39 | 17 | 17 | |
| -GAI10LM | 10 | M14x1.5 | 8 | 25 | 17 | 40 | 19 | 19 | |
| -GAI12LM | 12 | M16x1.5 | 10 | 26 | 17 | 41 | 22 | 22 | |
| -GAI15LM | 15 | M18x1.5 | 12 | 28 | 17 | 43 | 24 | 27 | |
| -GAI18LM | 18 | M22x1.5 | 15 | 29.5 | 19 | 46 | 30 | 32 | |
| -GAI22LM | 160 bar2320 psi | 22 | M26x1.5 | 19 | 34.5 | 21 | 51 | 32 | 36 |
| -GAI28LM | 28 | M33x2 | 24 | 37.5 | 24 | 54 | 41 | 41 | |
| -GAI35LM | 35 | M42x2 | 30 | 40.5 | 26 | 62 | 55 | 50 | |
| -GAI42LM | 42 | M48x2 | 36 | 42 | 28 | 65 | 60 | 60 | |
| -GAI06SM | S heavy 400 bar5800 psi | 6 | M12x1.5 | 4 | 26 | 17 | 41 | 17 | 17 |
| -GAI08SM | 8 | M14x1.5 | 5 | 26 | 17 | 41 | 17 | 19 | |
| -GAI10SM | 10 | M16x1.5 | 7 | 26.5 | 17 | 43 | 22 | 22 | |
| -GAI12SM | 12 | M18x1.5 | 8 | 27.5 | 17 | 44 | 24 | 24 | |
| -GAI14SM | 14 | M20x1.5 | 10 | 31 | 19 | 49 | 27 | 27 | |
| -GAI16SM | 16 | M22x1.5 | 12 | 30.5 | 19 | 49 | 30 | 30 | |
| -GAI20SM | 315 bar4560 psi | 20 | M27x2 | 16 | 34.5 | 22 | 56 | 36 | 36 |
| -GAI25SM | 25 | M33x2 | 20 | 37 | 24 | 61 | 41 | 46 | |
| -GAI30SM | 30 | M42x2 | 25 | 41.5 | 26 | 68 | 55 | 50 | |
| -GAI38SM | 250 bar3625 psi | 38 | M48x2 | 32 | 43 | 28 | 74 | 60 | 60 |
| -GAI16SR | 16 | G 1/2 | 12 | 31.5 | 20 | 50 | 30 | 30 | |
| -GAI20SR | 315 bar4560 psi | 20 | G 3/4 | 16 | 34.5 | 22 | 56 | 36 | 36 |
| -GAI25SR | 25 | G 1 | 20 | 37.5 | 24.5 | 62 | 41 | 46 | |
| -GAI30SR | 30 | G 1 1/4 | 25 | 42 | 26.5 | 69 | 55 | 50 | |
| -GAI38SR | 250 bar3625 psi | 38 | G 1 1/2 | 32 | 43.5 | 28.5 | 74 | 60 | 60 |


Address
Luotuo Industrial Area, Zhenhai District, Ningbo City, China
Tel
