Female Connector-GAI-R Hydraulic Fittings


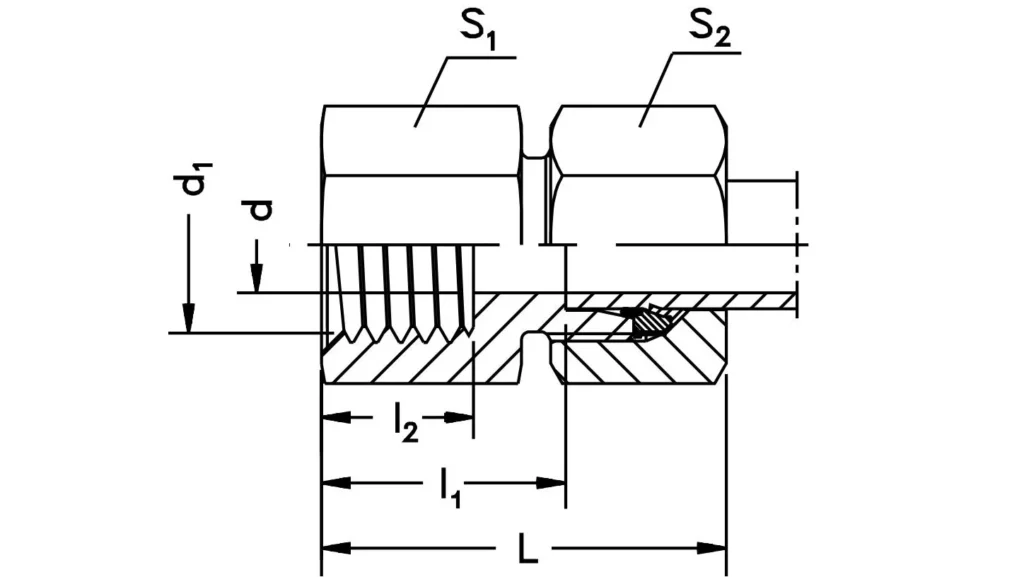
| GAI-RPart no. | Series Working Pressure (bar/psi) | Tubeo.d. | d1 BSPPthread | d | l1 | l2 | L | S1 | S2 |
| -GAI06LR | L light 315 bar4560 psi | 6 | G 1/8 | 4 | 19 | 12 | 34 | 14 | 14 |
| -GAI08LR | 8 | G 1/4 | 6 | 24 | 17 | 39 | 19 | 17 | |
| -GAI08LR3/8 | 8 | G 3/8 | 6 | 25 | 17 | 40 | 24 | 17 | |
| -GAI08LR1/2 | 8 | G 1/2 | 6 | 29 | 20 | 44 | 27 | 17 | |
| -GAI10LR | 10 | G 1/4 | 8 | 25 | 17 | 40 | 19 | 19 | |
| -GAI10LR3/8 | 10 | G 3/8 | 8 | 26 | 17 | 41 | 24 | 19 | |
| -GAI10LR1/2 | 10 | G 1/2 | 8 | 30 | 20 | 45 | 27 | 19 | |
| -GAI12LR | 12 | G 3/8 | 10 | 26 | 17 | 41 | 24 | 22 | |
| -GAI12LR1/2 | 12 | G 1/2 | 10 | 30 | 20 | 45 | 27 | 22 | |
| -GAI15LR | 15 | G 1/2 | 12 | 31 | 20 | 46 | 27 | 27 | |
| -GAI18LR | 18 | G 1/2 | 15 | 30.5 | 20 | 47 | 27 | 32 | |
| -GAI22LR | 160 bar2320 psi | 22 | G 3/4 | 19 | 35.5 | 22 | 52 | 36 | 36 |
| -GAI28LR | 28 | G 1 | 24 | 38 | 24.5 | 55 | 41 | 41 | |
| -GAI35LR | 35 | G 1 1/4 | 30 | 41 | 26.5 | 63 | 55 | 50 | |
| -GAI42LR | 42 | G 1 1/2 | 36 | 42.5 | 28.5 | 65 | 60 | 60 | |
| -GAI06SR | S heavy 400 bar5800 psi | 6 | G 1/4 | 4 | 26 | 17 | 41 | 19 | 17 |
| -GAI08SR | 8 | G 1/4 | 5 | 26 | 17 | 41 | 19 | 19 | |
| -GAI10SR | 10 | G 3/8 | 7 | 26.5 | 17 | 43 | 24 | 22 | |
| -GAI12SR | 12 | G 3/8 | 8 | 26.5 | 17 | 43 | 24 | 24 | |
| -GAI14SR | 14 | G 1/2 | 10 | 32 | 20 | 50 | 30 | 27 | |
| -GAI16SR | 16 | G 1/2 | 12 | 31.5 | 20 | 50 | 30 | 30 | |
| -GAI20SR | 315 bar4560 psi | 20 | G 3/4 | 16 | 34.5 | 22 | 56 | 36 | 36 |
| -GAI25SR | 25 | G 1 | 20 | 37.5 | 24.5 | 62 | 41 | 46 | |
| -GAI30SR | 30 | G 1 1/4 | 25 | 42 | 26.5 | 69 | 55 | 50 | |
| -GAI38SR | 250 bar3625 psi | 38 | G 1 1/2 | 32 | 43.5 | 28.5 | 74 | 60 | 60 |
![]() | ![]() |


Address
Luotuo Industrial Area, Zhenhai District, Ningbo City, China
Tel
