High Pressure Banjo Tee-TH-M Hydraulic Fittings
High Pressure Banjo Tee-TH-M hydraulic fittings are essential components used in hydraulic systems to connect and control the flow of fluid under high pressure. These fittings are designed with a specific configuration that allows for the branching of fluid flow in three directions. They are typically made of steel or stainless steel and have a pressure rating of up to 10,000 PSI.High Pressure Banjo Tee-TH-M hydraulic fittings are made up of three main parts: the banjo body, the banjo bolt, and the banjo seal. The banjo body is the main part of the fitting and has a threaded end that connects to one of the hydraulic lines. The banjo bolt is a bolt that goes through the banjo body and has a tapered end that seals against the banjo seal. The banjo seal is a seal that sits between the banjo body and the banjo bolt and creates a watertight seal.

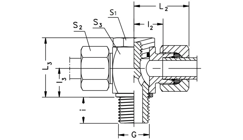
| TH-MPart NO. | SeriesWorkingPressure (bar/psi) | Tube O.d | Gmale thread | i | l2 | l3 | L2 | L3 | S1 | S2 | S3 |
| TH06LM | L light 250 bar3625 psi | 6 | M10 x1 | 8 | 12 | 10.5 | 27 | 24 | 17 | 14 | 17 |
| TH08LM | 8 | M12 x1.5 | 12 | 14.5 | 14 | 29 | 30 | 19 | 17 | 22 | |
| TH10LM | 10 | M14x1.5 | 12 | 15.5 | 14 | 30 | 30 | 19 | 19 | 22 | |
| TH12LM | 12 | M16x1.5 | 12 | 18 | 16.5 | 33 | 36 | 24 | 22 | 27 | |
| TH15LM | 15 | M18x1.5 | 12 | 21.5 | 18.5 | 37 | 39.5 | 30 | 27 | 30 | |
| TH18LM | 18 | M22x1.5 | 14 | 21 | 21.5 | 37 | 45 | 30 | 32 | 32 | |
| TH22LM | 160 bar2320 psi | 22 | M26x1.5 | 16 | 27.5 | 24 | 44 | 53 | 36 | 36 | 41 |
| TH28LM | 28 | M33x2 | 18 | 32 | 30.5 | 49 | 66 | 46 | 41 | 50 | |
| TH35LM | 35 | M42x2 | 20 | 36 | 35.5 | 58 | 76 | 55 | 50 | 60 | |
| TH42LM | 42 | M48x2 | 22 | 40.5 | 40.5 | 63 | 87 | 60 | 60 | 70 | |
| TH06SM | S heavy 315 bar4560 psi | 6 | M12 x1.5 | 12 | 16.5 | 14 | 31 | 30 | 19 | 17 | 22 |
| TH08SM | 8 | M14x1.5 | 12 | 16.5 | 14 | 31 | 30 | 19 | 19 | 22 | |
| TH10SM | 10 | M16x1.5 | 12 | 18.5 | 16.5 | 35 | 36 | 24 | 22 | 27 | |
| TH12SM | 12 | M18x1.5 | 12 | 20 | 18.5 | 36 | 39.5 | 27 | 24 | 27 | |
| TH14SM | 14 | M20x1.5 | 14 | 22.5 | 20 | 40 | 43.5 | 30 | 27 | 32 | |
| TH16SM | 16 | M22x1.5 | 14 | 22 | 21.5 | 40 | 45 | 30 | 30 | 32 | |
| TH20SM | 160 bar2320 psi | 20 | M27x2 | 16 | 26.5 | 24 | 48 | 53 | 36 | 36 | 41 |
| TH25SM | 25 | M33x2 | 18 | 31.5 | 30.5 | 56 | 66 | 46 | 46 | 50 | |
| TH30SM | 30 | M42x2 | 20 | 37 | 35.5 | 64 | 76 | 55 | 50 | 60 | |
| TH38SM | 38 | M48x2 | 22 | 41.5 | 40.5 | 72 | 87 | 60 | 60 | 70 |



Address
Luotuo Industrial Area, Zhenhai District, Ningbo City, China
Tel
