HQ1 Steel Hubs for Q1 Split Taper Bushings
HQ1 steel hubs are a type of hub used with split taper bushings. Split taper bushings are mechanical components used to mount pulleys, gears, and other components on a shaft. The HQ1 steel hubs are designed to fit a specific split taper bushing size and are used to provide a mounting surface for the component being attached to the shaft.HQ1 steel hubs are typically made from high-quality steel and are designed to be durable and long-lasting. They are commonly used in industrial and manufacturing applications where high strength and reliability are required. The split taper design allows for easy installation and removal of the hub, making it a popular choice for applications where components need to be frequently changed or replaced.

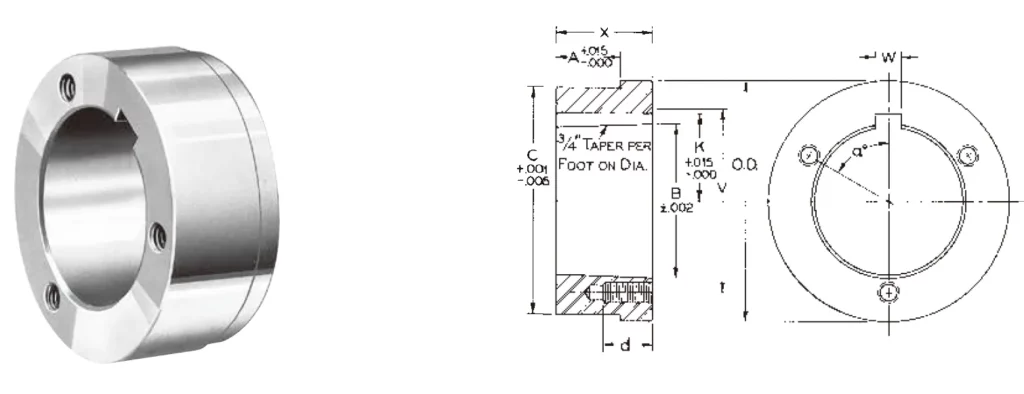
| Part No. | HQ1 Steel Hubs | |
| For Bushing | Q1 Split Taper Bushings | |
| Dimensions | O.D. | 4 1/2" |
| A | 0.709" | |
| B | 2.875" | |
| C | 4.375" | |
| K | 1 9/16" | |
| V | 3 3/8" | |
| W | 1/2" | |
| X | 1 3/4" | |
| a | 60° | |
| Tapped Holes | d | 7/8 |
| No. | 3 | |
| Size | 3/8-16 | |
| Wt. Lbs. | 4.4 | |
![]() | ![]() |

![]() | ![]() |
Address
Luotuo Industrial Area, Zhenhai District, Ningbo City, China
Tel
