HR1 Steel Hubs for R1 Split Taper Bushings
HR1 steel hubs are a type of mechanical component used in power transmission systems. These HR1 hubs are designed to work in conjunction with split taper bushings, which are used to mount various types of components, such as pulleys and sprockets, onto shafts.HR1 steel is a high-strength, heat-treated alloy steel that provides excellent durability and resistance to wear. The HR1 steel hubs are designed to be used with split taper bushings, which allow for easy installation and removal of the hub from the shaft. The split taper design creates a tight fit between the hub and bushing, which helps to prevent slippage and ensures efficient power transmission.HR1 steel hubs for split taper bushings are commonly used in industrial applications, such as mining, construction, and manufacturing. They are available in a range of sizes and configurations to accommodate different shaft diameters and mounting requirements. When properly installed and maintained, HR1 steel hubs can provide reliable and long-lasting performance in a variety of power transmission applications.

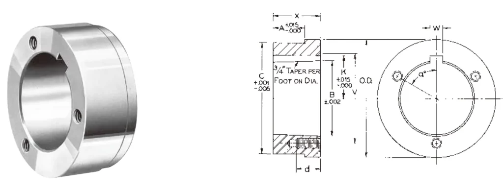
| Part No. | HR1 Steel Hubs | |
| For Bushing | R1 Split Taper Bushings | |
| Dimensions | O.D. | 5 3/4" |
| A | 0.709" | |
| B | 4.000" | |
| C | 5.625" | |
| K | 2 3/16" | |
| V | 4 5/8" | |
| W | 3/4" | |
| X | 2" | |
| a | 60° | |
| Tapped Holes | d | 1 1/8" |
| No. | 3 | |
| Size | 3/8-16 | |
| Wt. Lbs. | 7.3 | |
![]() | ![]() |

![]() | ![]() |
Address
Luotuo Industrial Area, Zhenhai District, Ningbo City, China
Tel
