HU0 Steel Hubs for U0 Split Taper Bushings
HU0 steel hubs are a type of component used in power transmission systems that employ split taper bushings. Split taper bushings are mechanical components used to mount components onto a shaft, such as pulleys, sprockets, and gears. The HU0 steel hub is designed to be used with a split taper bushing and is typically made from high-quality steel to provide strength and durability.Split taper bushings work by clamping onto a shaft with a split design, which allows for an interference fit between the bushing and the shaft. The HU0 steel hub is then mounted onto the bushing, which provides a secure and reliable connection between the hub and the shaft. This allows for efficient power transmission between the two components.Overall, the HU0 steel hub is an important component in power transmission systems that use split taper bushings, providing a strong and reliable connection between the hub and shaft.

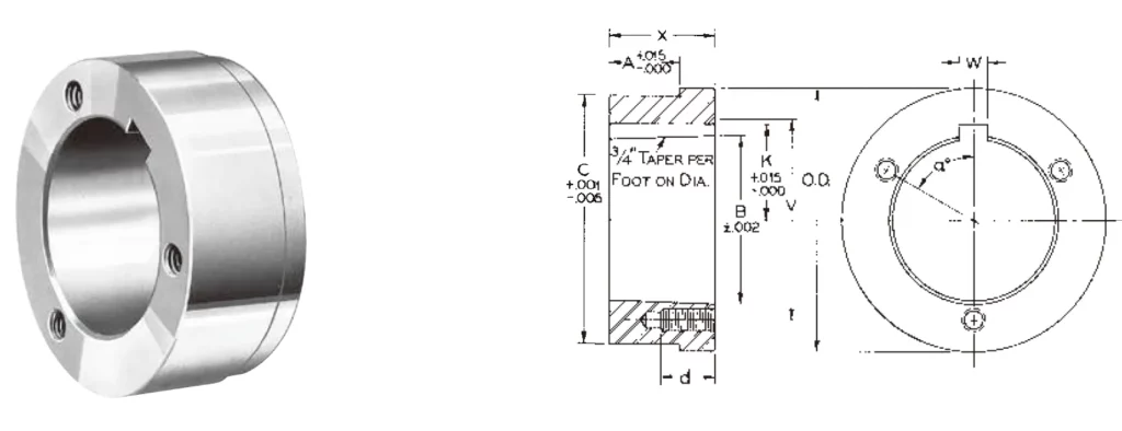
| Part No. | HU0 Steel Hubs | |
| For Bushing | U0 Split Taper Bushings | |
| Dimensions | O.D. | 8 1/2" |
| A | 2.000" | |
| B | 6.000" | |
| C | 8.250" | |
| K | 3 1/4" | |
| V | 7" | |
| W | 1 1/4" | |
| X | 3 3/4" | |
| a | 60° | |
| Tapped Holes | d | 2" |
| No. | 3 | |
| Size | 5/8-11 | |
| Wt. Lbs. | 32.0 | |
![]() | ![]() |
![]() | ![]() |
![]() | ![]() |
Address
Luotuo Industrial Area, Zhenhai District, Ningbo City, China
Tel
