HU1 Steel Hubs for U1 Split Taper Bushings
HU1 steel hubs are components used in power transmission systems, specifically with split taper bushings. Split taper bushings are devices used to mount components such as pulleys, sprockets, and gears onto a shaft. The HU1 steel hubs are designed to be used in conjunction with these split taper bushings to create a secure and reliable connection between the shaft and the mounted component.The HU1 steel hubs are typically made of high-quality steel, which provides excellent strength and durability. They are precision machined to ensure a proper fit with the split taper bushing, and they may have keyways or set screws to further secure the mounted component.Overall, the HU1 steel hubs are a critical component in power transmission systems and are widely used in various industrial applications such as conveyor systems, pumps, and mixers.

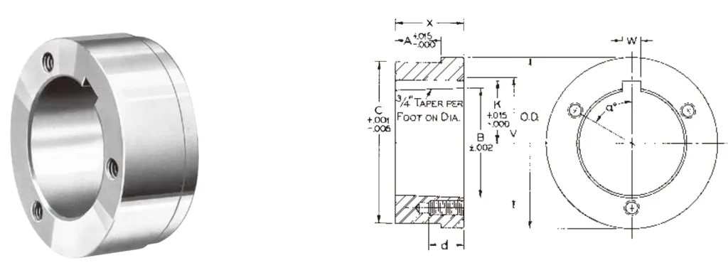
| Part No. | HU1 Steel Hubs | |
| For Bushing | U1 Split Taper Bushings | |
| Dimensions | O.D. | 8 1/2" |
| A | 2.963" | |
| B | 6.000" | |
| C | 8.250" | |
| K | 3 1/4" | |
| V | 7" | |
| W | 1 1/4" | |
| X | 5 5/8" | |
| a | 60° | |
| Tapped Holes | d | 1 3/4" |
| No. | 3 | |
| Size | 5/8-11 | |
| Wt. Lbs. | 44.6 | |
![]() | ![]() |

![]() | ![]() |
Address
Luotuo Industrial Area, Zhenhai District, Ningbo City, China
Tel
