HU2 Steel Hubs for U2 Split Taper Bushings
HU2 steel hubs for split taper bushings are mechanical components used in power transmission systems. They are designed to be used in conjunction with split taper bushings, which are used to mount components such as pulleys, sprockets, and couplings onto shafts.The HU2 steel hubs are made of high-quality steel and are machined to precise tolerances to ensure a tight fit with the split taper bushing. The HU2 hub has a tapered bore that matches the taper on the bushing, and it also has a keyway that matches the key on the shaft. By tightening the bushing onto the hub with a set of screws, a secure and precise connection is made between the hub and the shaft.The HU2 steel hubs are commonly used in industrial applications, such as in conveyor systems, pumps, and gearboxes. Its robust construction makes it suitable for use in demanding environments where reliability and durability are critical.

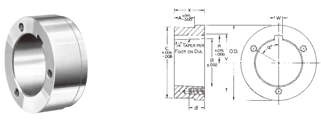
| Part No. | HU2 Steel Hubs | |
| For Bushing | U2 Split Taper Bushings | |
| Dimensions | O.D. | 8 1/2" |
| A | 6.016" | |
| B | 6.000" | |
| C | 8.250" | |
| K | 3 1/4" | |
| V | 7" | |
| W | 1 1/4" | |
| X | 8 5/8" | |
| a | 60° | |
| Tapped Holes | d | 1 3/4" |
| No. | 3 | |
| Size | 5/8-11 | |
| Wt. Lbs. | 69.0 | |
![]() | ![]() |

![]() | ![]() |
Address
Luotuo Industrial Area, Zhenhai District, Ningbo City, China
Tel
