The IE3 Series Three-Phase Asynchronous Motor exemplifies advanced engineering in electric motor technology, offering superior energy efficiency and reliable performance. Manufactured by Raydafon, this motor series complies with international standards such as IEC 60034-30-1 and GB 18613-2020, ensuring it meets premium efficiency requirements. The IE3 Series Three-Phase Asynchronous Motor is designed for a wide array of industrial uses, providing robust torque and minimal energy loss.


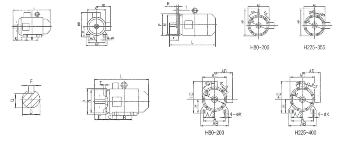
IE3 Series Motor and Overall Dimensions
The IE3 Series Three-Phase Asynchronous Motor offers scalable performance across pole configurations. Below is a table summarizing selected models at 1500 RPM (4-pole):
| Model | Power (kW) | Speed (RPM) | Current (A) | Voltage (V) | Efficiency (%) | Power Factor (Cos φ) | Starting Torque (Tst/Tn) | Maximum Torque (Tm/Tn) | Weight (kg) | Noise (dB(A)) |
|---|---|---|---|---|---|---|---|---|---|---|
| IE3-80M2-4 | 0.75 | 1390 | 1.84 | 380 | 82.5 | 0.75 | 2.3 | 2.3 | 19 | 56 |
| IE3-132S-4 | 5.5 | 1440 | 11.2 | 380 | 88.1 | 0.88 | 2.2 | 2.3 | 92 | 77 |
| IE3-200L-4 | 30 | 1470 | 56.63 | 380 | 93.6 | 0.86 | 2 | 2.3 | 263 | 76 |
| IE3-315L-4 | 132 | 1480 | 235.5 | 380 | 95.4 | 0.89 | 1.8 | 2 | 980 | 83 |
These specifications highlight the motor's efficiency gains, with power factors improving to 0.89 in larger models, reducing reactive power demands.
The IE3 Series Three-Phase Asynchronous Motor features a totally enclosed, self-ventilated squirrel-cage design, with frame sizes ranging from H80 to H400 mm. Power outputs span from 0.55 kW to 375 kW, with options extending to 500 kW in customized variants. Operating at standard voltages of 380V and frequencies of 50Hz, these motors achieve efficiencies between 80.7% and 95.8%, surpassing IE3 benchmarks. Constructed with cast iron frames and F-class insulation rated for 155°C, the IE3 Series Three-Phase Asynchronous Motor ensures durability in demanding environments up to 1000 meters altitude and temperatures from -15°C to +40°C.
Key components include cold-rolled silicon steel sheets for low magnetic losses and grease-lubricated deep groove ball bearings for smooth operation. The IP55 protection rating safeguards against dust and water, while IC411 cooling maintains optimal thermal performance.

The operational principle of a three phase motor, such as the IE3 Series Three-Phase Asynchronous Motor, involves electromagnetic induction. When three-phase AC power is supplied to the stator windings, it generates a rotating magnetic field at synchronous speed, calculated by the formula:
Ns=120×fP N_s = \frac{120 \times f}{P} Ns=P120×f
where Ns N_s Ns is the synchronous speed in RPM, f f f is the frequency in Hz, and P P P is the number of poles. The rotor, typically a squirrel-cage type, experiences induced currents due to this field, producing torque that causes rotation. The rotor speed lags slightly behind Ns N_s Ns, creating slip (s), defined as:
s=Ns−NrNs s = \frac{N_s - N_r}{N_s} s=NsNs−Nr
where Nr N_r Nr is the rotor speed. This slip, usually 2-5%, enables torque generation, making the IE3 Series Three-Phase Asynchronous Motor self-starting and efficient for variable loads.

A critical distinction lies in speed synchronization. In an asynchronous motor like the IE3 Series Three-Phase Asynchronous Motor, the rotor operates at a speed less than the synchronous speed due to slip, allowing for inherent self-starting and robustness under varying loads. Conversely, synchronous motors maintain exact synchronism with the supply frequency, requiring external excitation and offering constant speed but lower starting torque.
Asynchronous motors excel in efficiency for general applications, with the IE3 Series Three-Phase Asynchronous Motor achieving up to 95.8% efficiency, while synchronous variants may demand more complex controls. Asynchronous designs are simpler, lacking slip rings, which reduces maintenance costs.
The 3 phase induction motor working principle, central to the IE3 Series Three-Phase Asynchronous Motor, relies on Faraday's law of electromagnetic induction. The stator's three-phase windings create a rotating magnetic field, inducing electromotive force (EMF) in the rotor conductors. This induces current, generating a secondary magnetic field that interacts with the stator field to produce torque. The torque-speed relationship is governed by:
T=3ωs×V2R2/s(R1+R2/s)2+(X1+X2)2 T = \frac{3}{\omega_s} \times \frac{V^2 R_2 / s}{(R_1 + R_2 / s)^2 + (X_1 + X_2)^2} T=ωs3×(R1+R2/s)2+(X1+X2)2V2R2/s
where T T T is torque, ωs \omega_s ωs is synchronous angular speed, V V V is voltage, R1,R2 R_1, R_2 R1,R2 are resistances, and X1,X2 X_1, X_2 X1,X2 are reactances. This principle ensures high starting torque and stable operation in the IE3 Series Three-Phase Asynchronous Motor.
The IE3 Series Three-Phase Asynchronous Motor is versatile, powering pumps, fans, compressors, and conveyors in industries such as manufacturing, agriculture, and petrochemicals. Its high efficiency minimizes operational costs, aligning with global sustainability goals. For instance, in marine transportation, the motor's low vibration (1.6-2.8 mm/s) ensures reliable performance.

When evaluating asynchronous motor price, factors such as power rating, efficiency class, and customization influence costs. The IE3 Series Three-Phase Asynchronous Motor from Raydafon offers competitive pricing, with entry-level models (0.75 kW) ranging from $150 to $400, and high-power units (315 kW) from $5,000 to $15,000 as of 2025. As a leading 3 phase induction motor manufacturer, Raydafon provides value through energy savings, potentially reducing electricity bills by 5-10% compared to IE2 motors.

Sourcing from China three phase asynchronous motor suppliers like Raydafon ensures access to certified products with global export compliance.
The IE3 Series Three-Phase Asynchronous Motor delivers substantial benefits, including reduced energy consumption and extended lifespan due to F-class insulation and IP55 protection. Its self-starting capability eliminates auxiliary devices, simplifying installations. In terms of power factor correction, the motor operates at lagging values but can integrate capacitors for optimization.
Comparative analysis shows the IE3 Series Three-Phase Asynchronous Motor outperforms lower classes: for a 15 kW model, IE3 efficiency is 91.7% versus 89.4% for IE2, yielding annual savings of approximately 1,500 kWh at full load.
The IE3 Series Three-Phase Asynchronous Motor stands as a benchmark for efficiency and reliability in modern industry, with its design optimizing performance across diverse applications. Appearing approximately fifteen times herein, the IE3 Series Three-Phase Asynchronous Motor embodies Raydafon's commitment to innovation.

Raydafon is a national high-tech enterprise specializing in ultra-high-efficiency motors. With a registered capital of 20 million RMB and over 100 employees, Raydafon focuses on R&D, production, and sales of specialized motors, including the IE3 series. Recognized as a Specialized, Refined, Unique, and Innovative (SRUI) Enterprise, Raydafon holds ISO9001, CE, and CCC certifications, exporting to Europe, America, Asia, Africa, and beyond. Committed to innovation, Raydafon provides high-quality products and excellent service, driving advancements in energy-efficient motor technology.
Address
Luotuo Industrial Area, Zhenhai District, Ningbo City, China
Tel
