The IE4 Series Three-Phase Asynchronous Motor stands as a benchmark in electric motor technology, delivering exceptional energy savings and operational reliability. Produced by Raydafon, this motor series adheres to super-premium efficiency standards, including IEC 60034-30-1 and GB 18613-2020 (Grade 2), making it an ideal choice for industries seeking to reduce energy consumption. The IE4 Series Three-Phase Asynchronous Motor features a robust design that ensures longevity and performance in diverse environments.


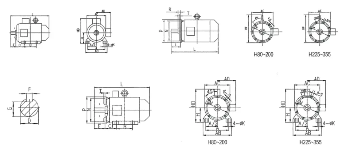
IE4 Series Motor and Overall Dimensions
The IE4 Series Three-Phase Asynchronous Motor provides scalable solutions across pole configurations. Below is a table of key parameters for selected 4-pole models at 1500 RPM nominal speed:
| Model | Output (kW) | Rated Speed (RPM) | Current (A) | Voltage (V) | Efficiency (%) | Cos φ | Tst/Tn | Tm/Tn | Weight (kg) | Noise Lw dB(A) |
|---|---|---|---|---|---|---|---|---|---|---|
| IE4-80M2-4 | 0.75 | 1390 | 1.88 | 380 | 82.5 | 0.75 | 2.3 | 2.3 | 19 | 56 |
| IE4-132M-4 | 7.5 | 1440 | 14.37 | 380 | 91.2 | 0.84 | 2.3 | 2.3 | 112 | 71 |
| IE4-200L-4 | 30 | 1470 | 55.11 | 380 | 94.3 | 0.86 | 2.0 | 2.3 | 300 | 80 |
| IE4-315L-4 | 160 | 1490 | 279.6 | 380 | 95.4 | 0.89 | 1.8 | 2.2 | 1070 | 88 |
These metrics demonstrate efficiency improvements over IE3, with power factors up to 0.89 reducing reactive power needs.
Mounting dimensions comply with IEC 60072-1, as shown for sample frames:
| Frame Size | Pole | A (mm) | B (mm) | C (mm) | D (mm) | E (mm) | F (mm) | G (mm) | H (mm) | K (mm) | M (mm) | N (mm) | P (mm) | R (mm) | S (mm) | T (mm) | AB (mm) | AC (mm) | AD (mm) | HD (mm) | HF (mm) | L (mm) |
|---|---|---|---|---|---|---|---|---|---|---|---|---|---|---|---|---|---|---|---|---|---|---|
| 80M | 2 | 125 | 100 | 50 | 19 | 40 | 6 | 15.5 | 80 | 10 | 165 | 130 | 200 | 0 | 12 | 3.5 | 165 | 175 | 145 | 220 | - | 310 |
| 132M | 4 | 216 | 178 | 89 | 38 | 80 | 10 | 33 | 132 | 12 | 265 | 230 | 300 | 0 | 14.5 | 4 | 270 | 310 | 230 | 365 | 335 | 515 |
| 200L | 4 | 318 | 305 | 133 | 55 | 110 | 16 | 49 | 200 | 18.5 | 350 | 300 | 400 | 0 | 18.5 | 5 | 395 | 445 | 320 | 520 | 495 | 860 |
| 315L | 6 | 508 | 508 | 216 | 65 | 140 | 18 | 58 | 315 | 28 | 600 | 550 | 660 | 0 | 24 | 6 | 635 | 645 | 530 | 845 | - | 1350 |
These dimensions support versatile installations, including foot-mounted (B3) and flange-mounted (B5/B35) options.
The IE4 Series Three-Phase Asynchronous Motor is a totally enclosed, self-ventilated squirrel-cage type, with center heights from H80 to H355 mm and power ratings spanning 0.55 kW to 375 kW. It operates at a standard voltage of 380V and 50Hz frequency, though customizable for other specifications. Efficiencies range from 83.5% to 95.4%, exceeding IE4 requirements and contributing to significant cost reductions over the motor's lifecycle. Constructed with cast iron frames for mechanical strength, F-class insulation up to 155°C, and IP55 protection, the IE4 Series Three-Phase Asynchronous Motor withstands altitudes up to 1000 meters and ambient temperatures from -15°C to +40°C.
Deep groove ball bearings, regreasable in larger frames, minimize friction, while the IC411 cooling method ensures effective heat dissipation. This series supports direct-on-line starting and variable frequency drive integration, offering vibration levels below 2.8 mm/s for smooth operation.

A three phase motor, exemplified by the IE4 Series Three-Phase Asynchronous Motor, finds extensive application in industrial and commercial settings where reliable power conversion is essential. These motors drive pumps, fans, compressors, conveyors, and machine tools in sectors such as manufacturing, agriculture, petrochemicals, and marine transportation. For instance, in pumping systems, the IE4 Series Three-Phase Asynchronous Motor provides consistent torque for fluid handling, reducing energy use by up to 5-10% compared to lower efficiency classes. In conveyor belts, it ensures steady operation under variable loads, enhancing productivity. Additionally, three phase motors power blowers in HVAC systems and crushers in mining, leveraging their high starting torque and efficiency to minimize downtime and operational costs.
An induction motor earns the designation "asynchronous motor" due to its operational principle, where the rotor speed lags behind the synchronous speed of the rotating magnetic field, creating slip. In the IE4 Series Three-Phase Asynchronous Motor, this slip—typically 2-5%—enables self-starting without external excitation, distinguishing it from synchronous motors that maintain exact synchronism. The asynchronous nature arises from electromagnetic induction in the rotor, inducing currents that generate torque. This design simplifies construction, eliminating slip rings and brushes, which reduces maintenance. The IE4 Series Three-Phase Asynchronous Motor capitalizes on this characteristic for robust performance in heavy-duty applications, where precise speed matching is unnecessary but efficiency is paramount.

The 3 phase induction motor working principle, foundational to the IE4 Series Three-Phase Asynchronous Motor, revolves around Faraday's law of electromagnetic induction. When three-phase AC power supplies the stator windings, it produces a rotating magnetic field at synchronous speed:
Ns = (120 * f) / P
where Ns N_s Ns is synchronous speed in RPM, f f f is frequency in Hz, and P P P is pole count. This field induces EMF in the rotor conductors, generating currents that create a secondary magnetic field. The interaction produces torque, causing rotor rotation. Slip (s) is defined as:
s = (Ns - Nr) / Ns
with Nr N_r Nr as rotor speed. Torque is expressed by:
T = (3 / ws) * (V^2 * R2 / s) / ((R1 + R2 / s)^2 + (X1 + X2)^2)
where T T T is torque, ωs \omega_s ωs is synchronous angular speed, V V V is voltage, R1,R2 R_1, R_2 R1,R2 are resistances, and X1,X2 X_1, X_2 X1,X2 are reactances. In the IE4 Series Three-Phase Asynchronous Motor, optimized magnetic circuits minimize losses, achieving high efficiency.
The IE4 Series Three-Phase Asynchronous Motor excels in pumps, fans, compressors, and conveyors, where its super-premium efficiency lowers energy costs. In petrochemical plants, it drives agitators with minimal heat generation, while in agriculture, it powers irrigation systems reliably.
Asynchronous motor price varies based on power, efficiency, and features. For the IE4 Series Three-Phase Asynchronous Motor, entry-level models (0.75 kW) range from $200 to $500, while high-power units (160 kW) cost $3,000 to $10,000 in 2025, reflecting material quality and certifications. As a prominent 3 phase induction motor manufacturer, Raydafon offers competitive pricing through efficient production, emphasizing value via energy savings of 2-5% over IE3 models.

Sourcing from China three phase asynchronous motor suppliers like Raydafon ensures access to GB 18613-2020 compliant products at optimized costs.
The IE4 Series Three-Phase Asynchronous Motor reduces operational expenses with efficiencies up to 95.4%, translating to lower electricity bills. Its low noise (56-88 dB(A)) and vibration enhance workplace safety. Compared to IE3, IE4 models save approximately 1-3% more energy, equating to thousands of kWh annually for large installations.
Power factor improvements minimize penalties from utilities, and the motor's design supports seamless VFD integration for speed control.
The IE4 Series Three-Phase Asynchronous Motor represents the forefront of asynchronous technology, blending efficiency, durability, and versatility for modern industries. With roughly fifteen references to this core offering, the IE4 Series Three-Phase Asynchronous Motor underscores Raydafon's dedication to excellence.

Raydafon, founded in 2020 and based in Huai'an Economic and Technological Development Zone, Jiangsu Province, China, is a national high-tech enterprise focused on ultra-high-efficiency motors. Boasting a registered capital of 20 million RMB and more than 100 staff, Raydafon specializes in R&D, manufacturing, and distribution of specialized motors, including the IE4 series. As a Specialized, Refined, Unique, and Innovative (SRUI) Enterprise, Raydafon possesses ISO9001, CE, and CCC certifications, exporting to Europe, America, Asia, Africa, and other regions. Devoted to innovation, Raydafon delivers superior products and exemplary service, propelling progress in energy-efficient motor solutions.
Address
Luotuo Industrial Area, Zhenhai District, Ningbo City, China
Tel
