Male Connector-GE-R-ED Hydraulic Fittings
Male Connector-GE-R-ED hydraulic fittings are a type of hydraulic fitting that is used to connect two male hydraulic hoses. These fittings are typically made of brass or stainless steel and have a National Pipe Thread (NPT) thread on one end and an SAE J512 JIC 37-degree flared swivel connection on the other end. They are available in a variety of sizes and pressure ratings to meet the needs of different applications.
Male Connector-GE-R-ED hydraulic fittings are used in a variety of industries, including construction, agriculture, and manufacturing. They are commonly used in hydraulic systems for excavators, bulldozers, backhoes, tractors, and other heavy machinery.
To install a Male Connector-GE-R-ED hydraulic fitting, first make sure that the threads on the hose and the fitting are clean and free of debris. Then, apply a small amount of hydraulic sealant to the threads of the fitting. Next, screw the fitting onto the hose until it is hand-tight. Finally, use a wrench to tighten the fitting to the recommended torque specification.
Male Connector-GE-R-ED hydraulic fittings are a durable and reliable type of hydraulic fitting that can be used in a variety of applications. They are easy to install and maintain, and they offer a secure connection between two male hydraulic hoses.


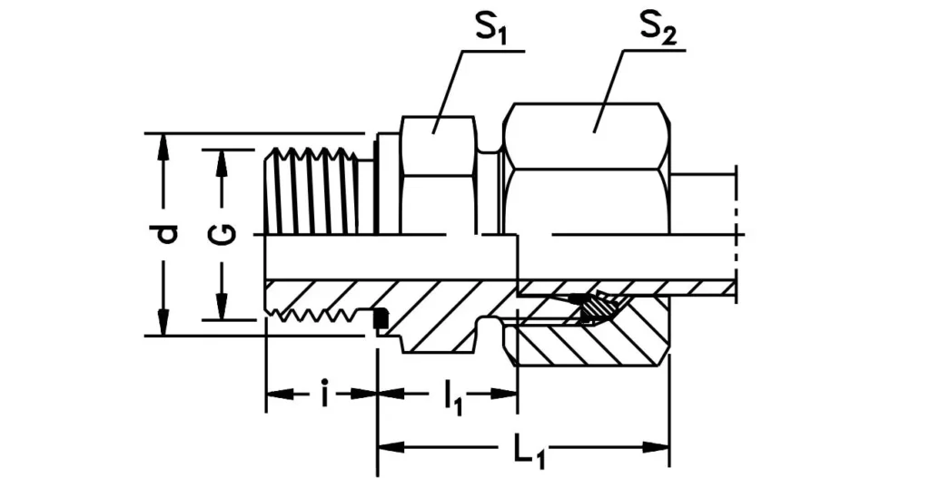
| Part NO. | WorkingPressure | O.d. | Malethread | d | i | I1 | L1 | S1 | S2 |
| (bar/psi) | BSPP | ||||||||
| -GE04LLRED | LL | 4 | G 1/8A | 14 | 8 | 9.5 | 19 | 14 | 10 |
| very light | |||||||||
| -GE06LLRED | 100 bar | 6 | G 1/8A | 14 | 8 | 8 | 20 | 14 | 12 |
| 1450psi | |||||||||
| -GE06LRED | L light | 6 | G1/8A | 14 | 8 | 8.5 | 23 | 14 | 14 |
| -GE06LR1/4ED | 6 | G1/4A | 19 | 12 | 10 | 25 | 19 | 14 | |
| 315 bar | |||||||||
| -GE08LR1/8ED | 8 | G1/8A | 14 | 8 | 9.5 | 24 | 14 | 17 | |
| 4560psi | |||||||||
| -GE08LRED | 8 | G1/4A | 19 | 12 | 10 | 25 | 19 | 17 | |
| -GE08LR3/8ED | 8 | G3/8A | 22 | 12 | 11.5 | 26 | 22 | 17 | |
| -GE10LRED | 10 | G1/4A | 19 | 12 | 11 | 26 | 19 | 19 | |
| -GE10LRED3/8ED | 10 | G3/8A | 22 | 12 | 12.5 | 27 | 22 | 19 | |
| -GE10LRED1/2ED | 10 | G1/2A | 27 | 14 | 13 | 28 | 27 | 19 | |
| -GE12LRED1/4ED | 12 | G1/4A | 19 | 12 | 12 | 27 | 19 | 22 | |
| -GE12LRED | 12 | G3/8A | 22 | 12 | 12.5 | 27 | 22 | 22 | |
| -GE12LR1/2ED | 12 | G1/2A | 27 | 14 | 13 | 28 | 27 | 22 | |
| -GE15LR3/8ED | 15 | G3/8A | 22 | 12 | 13.5 | 29 | 24 | 27 | |
| -GE15LRED | 15 | G1/2A | 27 | 14 | 14 | 29 | 27 | 27 | |
| -GE18LRED | 18 | G1/2A | 27 | 14 | 14.5 | 31 | 27 | 32 | |
| -GE18LR3/4ED | 18 | G3/4A | 32 | 16 | 14.5 | 31 | 32 | 32 | |
| -GE22LRED | 160 bar | 22 | G3/4A | 32 | 16 | 16.5 | 33 | 32 | 36 |
| -GE28LRED | 28 | G1A | 40 | 18 | 17.5 | 34 | 41 | 41 | |
| 2320psi | |||||||||
| -GE35LRED | 35 | G 1 1/4 A | 50 | 20 | 17.5 | 39 | 50 | 50 | |
| -GE42LRED | 42 | G 1 1/2 A | 55 | 22 | 19 | 42 | 55 | 60 | |
| -GE06SRED | S Heavy | 6 | G 1/4A | 19 | 12 | 13 | 28 | 19 | 17 |
| -GE08SRED | 8 | G 1/4A | 19 | 12 | 15 | 30 | 19 | 19 | |
| 630bar | |||||||||
| -GE08SR3/8ED | 8 | G 3/8A | 22 | 12 | 15.5 | 30 | 22 | 19 | |
| 9130psi | |||||||||
| -GE10SR1/4ED | 10 | G 1/4A | 19 | 12 | 14.5 | 31 | 19 | 22 | |
| -GE10SRED | 10 | G 3/8A | 22 | 12 | 15 | 31 | 22 | 22 | |
| -GE10SR1/2ED | 10 | G 1/2A | 27 | 14 | 17.5 | 34 | 27 | 22 | |
| -GE12SR1/4ED | 12 | G 1/4A | 19 | 12 | 16.5 | 33 | 22 | 24 | |
| -GE12SRED | 12 | G 3/8A | 22 | 12 | 17 | 33 | 22 | 24 | |
| -GE12SR1/2ED | 12 | G 1/2A | 27 | 14 | 17.5 | 34 | 27 | 24 | |
| -GE14SRED | 14 | G 1/2A | 27 | 14 | 19 | 37 | 27 | 27 | |
| -GE16SR3/8ED | 400bar | 16 | G 3/8A | 22 | 12 | 18 | 36 | 27 | 30 |
| -GE16SRED | 16 | G 1/2A | 27 | 14 | 18.5 | 37 | 27 | 30 | |
| 5800psi | |||||||||
| -GE16SR3/4ED | 16 | G 3/4A | 27 | 16 | 20.5 | 39 | 32 | 30 | |
| -GE20SRED | 20 | G 3/4A | 32 | 16 | 20.5 | 42 | 32 | 36 | |
| -GE25SR1/2ED | 25 | G 1/2A | 27 | 14 | 23 | 47 | 41 | 46 | |
| -GE25SRED | 25 | G 1 A | 40 | 18 | 23 | 47 | 41 | 46 | |
| -GE30SRED | 30 | G 1 1/4A | 50 | 20 | 23.5 | 50 | 50 | 50 | |
| -GE38SRED | 315bar 4560psi | 38 | G 1 1/2A | 55 | 22 | 26 | 57 | 55 | 60 |
![]() | ![]() |
Here are some specific examples of the advantages of using male connector-GE-R-ED hydraulic fittings in different applications:
(1) In industrial settings: Male connector-GE-R-ED hydraulic fittings are used in a variety of industrial applications, such as machine tools, construction equipment, and agricultural machinery. In these applications, the durability and leak-proof nature of male connector-GE-R-ED hydraulic fittings are essential for ensuring the safe and reliable operation of equipment.(2) In construction sites: Male connector-GE-R-ED hydraulic fittings are also used in a variety of construction applications, such as hydraulic excavators, backhoes, and loaders. In these applications, the durability and easy installation of male connector-GE-R-ED hydraulic fittings are essential for minimizing downtime and keeping projects on schedule.(3) In mobile hydraulic systems: Male connector-GE-R-ED hydraulic fittings are also used in a variety of mobile hydraulic systems, such as those found in forklifts, cranes, and aerial platforms. In these applications, the lightweight and compact design of male connector-GE-R-ED hydraulic fittings is essential for saving space and reducing weight.Overall, male connector-GE-R-ED hydraulic fittings offer a number of advantages over other types of hydraulic fittings, including durability, leak-proofness, ease of installation, and a wide range of sizes and configurations. This makes them a versatile and reliable choice for a variety of hydraulic applications.


Address
Luotuo Industrial Area, Zhenhai District, Ningbo City, China
Tel
