SM2517 Taper Bore Bolt-On Hubs
SM2517 taper bore bolt-on hubs are a type of hub designed to work with 2517 taper lock bushings. These hubs are commonly used in power transmission applications where a secure and reliable connection is required between a shaft and a driven component, such as a pulley or sprocket.The SM2517 taper bore bolt-on hubs feature a tapered bore that matches the taper of the 2517 taper lock bushing. The taper allows for a tight and concentric fit between the hub and the bushing, ensuring efficient power transmission and minimizing the risk of slippage or misalignment.To install the hub, the 2517 taper lock bushing is first mounted onto the shaft. The SM2517 taper bore bolt-on hub is then positioned over the bushing's tapered bore and secured in place using bolts. As the bolts are tightened, they exert pressure on the hub, causing it to expand and create a tight grip on the bushing. This locking mechanism provides a strong and reliable connection between the hub and the shaft.The SM2517 taper bore bolt-on hubs are available in various sizes and configurations to accommodate different shaft diameters and application requirements. They are commonly used in industrial machinery, conveyors, and other equipment where reliable power transmission is critical.
![]() | ![]() |
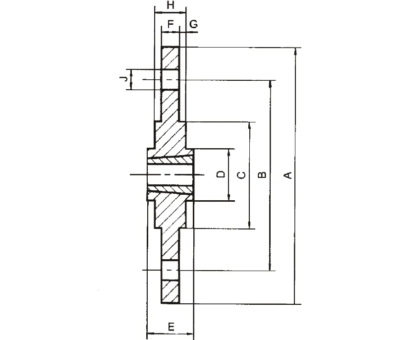
| Specification | SM2517 Taper Bore Bolt-On Hubs | |
| Bushing No. | 2517 Taper Lock Bushings | |
| Main dimension | A | 185 |
| B | 155 | |
| Chp | 130 | |
| D | 125 | |
| E | 45 | |
| F | 9.5 | |
| G | 2.5 | |
| H | 14.5 | |
| Screw hole nx. J | 8 X Φ11.5 | |

![]() | ![]() |
| Taper Bore Bolt-On Hubs | Taper Bore Weld-On Hubs |
![]() | ![]() |
Address
Luotuo Industrial Area, Zhenhai District, Ningbo City, China
Tel
