Swivel Nut Branch Tee Fitting-ET Hydraulic Fittings
The Swivel Nut Branch Tee-ET Hydraulic Fitting is a new type of hydraulic fitting that offers a number of advantages over traditional hydraulic fittings. The Swivel Nut Branch Tee-ET Hydraulic Fitting is designed to be easily installed and removed. The swivel nut allows the fitting to be rotated into place, even in tight spaces. This can save a significant amount of time and effort during installation and maintenance.Tthe Swivel Nut Branch Tee-ET Hydraulic Fitting is very leak-tight. The swivel nut and O-ring seal create a positive seal that prevents even the smallest leaks. This is important for hydraulic systems, where even small leaks can lead to performance problems and safety hazards. The Swivel Nut Branch Tee-ET Hydraulic Fitting is very durable. It is made from high-quality materials and is designed to withstand the harsh conditions of hydraulic systems.

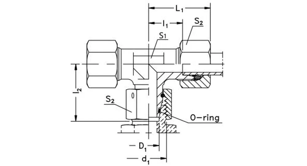
| ETPart No. | Series Working Pressure (bar/psi) | Tube o.d. | d1 thread | l1 | l2 | L1 | S1 | S2 | O-ring |
| ET06L | L Light 250 bar4560 psi | 6 | M12 x1.5 | 12 | 26 | 27 | 12 | 14 | OR4.5 x1.5 |
| ET08L | 8 | M14x1.5 | 14 | 27.5 | 29 | 12 | 17 | OR6.5 x1.5 | |
| ET10L | 10 | M16x1.5 | 15 | 29 | 30 | 14 | 19 | OR8x1.5 | |
| ET12L | 12 | M18x1.5 | 17 | 29.5 | 32 | 17 | 22 | OR10x1.5 | |
| ET15L | 15 | M22x1.5 | 21 | 32.5 | 36 | 19 | 27 | OR12x2 | |
| ET18L | 18 | M26x1.5 | 23.5 | 35.5 | 40 | 24 | 32 | OR15x2 | |
| ET22L | 160 bar 2320psi | 22 | M30 x2 | 27.5 | 38.5 | 44 | 27 | 36 | OR20x2 |
| ET28L | 28 | M36 x2 | 30.5 | 41.5 | 47 | 36 | 41 | OR26x2 | |
| ET35L | 35 | M45 x2 | 34.5 | 51 | 56 | 41 | 50 | OR32x2.5 | |
| ET42L | 42 | M52 x2 | 40 | 56 | 63 | 50 | 60 | OR38x2.5 | |
| ET06S | S Heavy 630bar 9130psi | 6 | M14x1.5 | 16 | 27 | 31 | 12 | 17 | OR4.5x1.5 |
| ET08S | 8 | M16x1.5 | 17 | 27.5 | 32 | 14 | 19 | OR6.5x1.5 | |
| ET10S | 10 | M18x1.5 | 17.5 | 30 | 34 | 17 | 22 | OR8x1.5 | |
| ET12S | 12 | M20x1.5 | 21.5 | 31 | 38 | 17 | 24 | OR10x1.5 | |
| ET14S | 14 | M22x1.5 | 22 | 35 | 40 | 19 | 27 | OR11x2 | |
| ET16S | 400 bar5800 psi | 16 | M24 x1.5 | 24.5 | 36.5 | 43 | 24 | 30 | OR13x2 |
| ET20S | 20 | M30 x2 | 26.5 | 44.5 | 48 | 27 | 36 | OR16.3x2.4 | |
| ET25S | 25 | M36 x2 | 30 | 50 | 54 | 36 | 46 | OR20.3x2.4 | |
| ET30S | 30 | M42 x2 | 35.5 | 55 | 62 | 41 | 50 | OR25.3x2.4 | |
| ET38S | 315 bar4560 psi | 38 | M52 x2 | 41 | 63 | 72 | 50 | 60 | OR33.3x2.4 |


Address
Luotuo Industrial Area, Zhenhai District, Ningbo City, China
Tel
